|
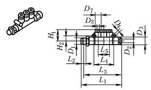
复合型快插接头 |
|||||||
|
型式 |
结构特点 |
接口D1 |
接口D2 |
接口D3 |
|||
|
R螺纹 |
G螺纹 |
气管外径 |
气管外径 |
气管外径 |
|||
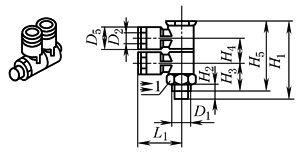
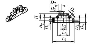
|
L形 |
复合式接头,360°旋转-2个输出口
|
R1/8 |
G1/8 |
— |
4,6,8 |
— |
|
|
R¼ |
G¼ |
6,8,10 |
|||||
|
R3/8 |
G3/8 |
8,10,12 |
|||||
|
R½ |
G½ |
12 |
|||||
|
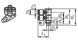
复合式接头,360°旋转-3个输出口
|
R1/8 |
G1/8 |
— |
4,6,8 |
— |
||
|
R¼ |
G¼ |
6,8,10 |
|||||
|
R3/8 |
G3/8 |
8,10,12 |
|||||
|
R½ |
G½ |
12 |
|||||
|
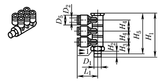
复合式接头,360°旋转-4个输出口
|
R1/8 |
G1/8 |
— |
4,6,8 |
— |
||
|
R¼ |
G¼ |
6,8,10 |
|||||
|
R3/8 |
G3/8 |
8,10,12 |
|||||
|
R½ |
G½ |
12 |
|||||
|
复合式接头,360°旋转-6个输出口
|
R1/8 |
G1/8 |
— |
4,6,8 |
— |
||
|
R¼ |
G¼ |
6,8,10 |
|||||
|
R3/8 |
G3/8 |
8,10,12 |
|||||
|
R½ |
G½ |
12 |
|||||
|
复 合 式 接 头
, 360° 旋 转 -
4 个 输 出 口 |
|
R1/8 |
G1/8 |
— |
4,6 |
— |
|
|
R¼ |
G¼ |
4,6 |
|||||
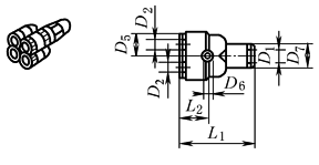
|
变径 |
— |
— |
6 |
4 |
|
||
|
8 |
6 |
||||||
|
T形 |
复合式接头,360°-3个输出口
变径 |
R1/8 |
G1/8 |
— |
6 |
4 |
|
|
R¼ |
G¼ |
8 |
6 |
||||
|
R3/8 |
G3/8 |
10 |
8 |
||||
|
— |
— |
6 |
6 |
4 |
|||
|
8 |
8 |
6 |
|||||
|
10 |
10 |
8 |
|||||








