|
标准型快插接头 |
||||||||
|
型式 |
结构特点 |
接口D1 |
接口D2 |
|||||
|
M螺纹 |
R螺纹 |
G螺纹 |
气管外径 |
插入套管 直径f |
气管外径 |
插入套管 直径f |
||
|
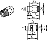
直通 结构 |
快插接头-外螺纹,带外六角
|
— |
R1/8 |
G1/8 |
— |
— |
4,6,8,10 |
— |
|
R¼ |
G¼ |
4,6,8, 10,12 |
||||||
|
R3/8 |
G3/8 |
6,8,10, 12,16 |
||||||
|
R½ |
G½ |
10,12,16 |
||||||
|
快插接头-外螺纹,带内六角
|
— |
R1/8 |
G1/8 |
— |
— |
4,6,8,10 |
— |
|
|
R¼ |
G¼ |
6,8,10,12 |
||||||
|
R3/8 |
G3/8 |
8,10,12 |
||||||
|
R½ |
G½ |
10,12 |
||||||
|
快插接头-内螺纹,带外六角
|
— |
— |
G1/8 |
— |
— |
4,6,8 |
— |
|
|
G¼ |
4,6,8, 10,12 |
|||||||
|
G3/8 |
6,8,10,12 |
|||||||
|
G½ |
12,16 |
|||||||
|
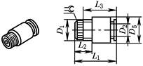
快插接头
变径 |
— |
— |
— |
4 |
— |
4 |
— |
|
|
6 |
6 |
|||||||
|
8 |
8 |
|||||||
|
10 |
10 |
|||||||
|
12 |
12 |
|||||||
|
16 |
16 |
|||||||
|
— |
— |
— |
6 |
— |
4 |
— |
||
|
8 |
4,6 |
|||||||
|
10 |
6,8 |
|||||||
|
12 |
8,10 |
|||||||
|
穿板式快插接头
|
— |
— |
— |
4 |
— |
— |
— |
|
|
6 |
||||||||
|
8 |
||||||||
|
10 |
||||||||
|
12 |
||||||||
|
穿板式快插接头,带固定凸缘
|
— |
— |
— |
8 |
— |
— |
— |
|
|
10 |
||||||||
|
12 |
||||||||
|
穿板式快插接头,带内螺纹
|
— |
— |
G1/8 |
— |
— |
4,6,8 |
— |
|
|
G¼ |
4,6,8,10 |
|||||||
|
G3/8 |
6,8,10,12 |
|||||||
|
G½ |
12,16 |
|||||||
|
插入式堵头
|
— |
— |
— |
4 |
— |
— |
— |
|
|
6 |
||||||||
|
8 |
||||||||
|
10 |
||||||||
|
12 |
||||||||
|
快插接头,带套管
|
— |
— |
— |
— |
6 |
4 |
— |
|
|
8 |
4,6 |
|||||||
|
10 |
6,8 |
|||||||
|
12 |
8,10 |
|||||||
|
插入式堵头
|
— |
— |
— |
— |
4 |
— |
— |
|
|
6 |
||||||||
|
8 |
||||||||
|
10 |
||||||||
|
12 |
||||||||
|
16 |
||||||||
|
— |
— |
— |
— |
6 |
— |
4 |
||
|
8 |
6 |
|||||||
|
10 |
8 |
|||||||
|
12 |
10 |
|||||||
|
16 |
12 |
|||||||
|
堵头
|
— |
— |
— |
— |
4 |
— |
— |
|
|
6 |
||||||||
|
8 |
||||||||
|
10 |
||||||||
|
12 |
||||||||
|
16 |
||||||||
|
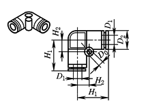
L形 |
快插接头,360°旋转-外螺纹,带外六角
|
— |
R1/8 |
G1/8 |
— |
— |
4,6,8,10 |
— |
|
R¼ |
G¼ |
4,6,8, 10,12 |
||||||
|
R3/8 |
G3/8 |
6,8,10, 12,16 |
||||||
|
R½ |
G½ |
10,12,16 |
||||||
|
加长快插接头,360°旋转- 外螺纹,带外六角
|
— |
R1/8 |
G1/8 |
— |
— |
4,6,8 |
— |
|
|
R¼ |
G¼ |
4,6,8,10 |
||||||
|
R3/8 |
G3/8 |
6,8,10,12 |
||||||
|
R½ |
G½ |
10,12,16 |
||||||
|
L形快插接头-内螺纹,带外六角
|
— |
— |
G1/8 |
— |
— |
4,6,8 |
— |
|
|
G¼ |
6,8,10 |
|||||||
|
G3/8 |
8,10 |
|||||||
|
L形快插接头,360°旋转- 外螺纹,带内六角
|
— |
R1/8 |
G1/8 |
— |
— |
6,8 |
— |
|
|
R¼ |
G¼ |
6,8,10 |
||||||
|
R3/8 |
G3/8 |
8,10,12 |
||||||
|
R½ |
G½ |
12 |
||||||
|
L形快插接头,360°旋转- 外螺纹,带外六角
|
M5 |
— |
— |
— |
— |
6 |
|
|
|
— |
R1/8 |
G1/8 |
— |
— |
4,6,8 |
— |
||
|
R¼ |
G¼ |
6,8,10 |
— |
|||||
|
R3/8 |
G3/8 |
8,10,12 |
||||||
|
R½ |
G½ |
12,16 |
||||||
|
L形快插接头
|
— |
— |
— |
4 |
— |
— |
— |
|
|
6 |
||||||||
|
8 |
||||||||
|
10 |
||||||||
|
12 |
||||||||
|
16 |
||||||||
|
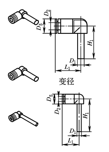
L形快插接头,带套管
加长插入式套管 |
— |
— |
— |
— |
4 |
— |
4 |
|
|
6 |
6 |
|||||||
|
8 |
8 |
|||||||
|
10 |
10 |
|||||||
|
12 |
12 |
|||||||
|
— |
— |
— |
— |
4 |
— |
6 |
||
|
6 |
8 |
|||||||
|
8 |
10 |
|||||||
|
10 |
12 |
|||||||
|
— |
— |
— |
— |
4 |
— |
4 |
||
|
6 |
6 |
|||||||
|
8 |
8 |
|||||||
|
10 |
10 |
|||||||
|
12 |
12 |
|||||||
|
T形 |
T形快插接头,360°旋转- 外螺纹,带外六角
|
— |
R1/8 |
G1/8 |
— |
— |
4,6,8,10 |
— |
|
R¼ |
G¼ |
4,6,8, 10,12 |
||||||
|
R3/8 |
G3/8 |
6,8,10, 12,16 |
||||||
|
R½ |
G½ |
10,12,16 |
||||||
|
T形快插接头
|
— |
— |
— |
4 |
— |
4 |
— |
|
|
6 |
6 |
|||||||
|
8 |
8 |
|||||||
|
10 |
10 |
|||||||
|
12 |
12 |
|||||||
|
16 |
16 |
|||||||
|
— |
— |
— |
6 |
— |
4 |
— |
||
|
8 |
4,6 |
|||||||
|
10 |
6,8 |
|||||||
|
12 |
8,10 |
|||||||
|
16 |
12 |
|||||||
|
T形快插接头,360°旋转- 外和内螺纹,带外六角
|
— |
R1/8 |
G1/8 |
— |
— |
4,6,8 |
— |
|
|
R¼ |
G¼ |
6,8,10 |
||||||
|
R3/8 |
G3/8 |
8,10,12 |
||||||
|
R½ |
G½ |
12 |
||||||
|
T形快插接头,360°旋转- 外螺纹,带外六角
|
— |
R1/8 |
G1/8 |
— |
— |
4,6,8 |
— |
|
|
R¼ |
G¼ |
6,8,10 |
||||||
|
R3/8 |
G3/8 |
8,10,12 |
||||||
|
R½ |
G½ |
12,16 |
||||||
|
直角 结构 |
快插接头-外螺纹,带外六角
|
— |
R1/8 |
— |
— |
— |
4,6,8 |
— |
|
R¼ |
6,8,10 |
|||||||
|
R3/8 |
10,12 |
|||||||
|
R½ |
12,16 |
|||||||
|
快插接头,带套管
|
— |
— |
— |
4 |
— |
— |
4 |
|
|
6 |
6 |
|||||||
|
8 |
8 |
|||||||
|
10 |
10 |
|||||||
|
12 |
12 |
|||||||
|
X形 |
X形快插接头
|
— |
— |
— |
8 |
— |
— |
— |
|
10 |
||||||||
|
12 |
||||||||
|
Y形 |
Y形快插接头,360°旋转- 外螺纹,带外六角
|
M5 |
— |
— |
— |
— |
4,6 |
— |
|
— |
R1/8 |
G1/8 |
4,6,8 |
|||||
|
R¼ |
G¼ |
4,6,8,10 |
||||||
|
R3/8 |
G3/8 |
8,10,12 |
||||||
|
R½ |
G½ |
12 |
||||||
|
Y形快插接头
变径 |
— |
— |
— |
4 |
— |
4 |
— |
|
|
6 |
6 |
|||||||
|
8 |
8 |
|||||||
|
10 |
10 |
|||||||
|
12 |
12 |
|||||||
|
16 |
16 |
|||||||
|
— |
— |
— |
6 |
— |
4 |
— |
||
|
8 |
4,6 |
|||||||
|
10 |
6,8 |
|||||||
|
12 |
8,10 |
|||||||
|
16 |
12 |
|||||||
|
Y形快插接头,带套管
变径 |
— |
— |
— |
— |
4 |
4 |
— |
|
|
6 |
6 |
|||||||
|
8 |
8 |
|||||||
|
10 |
10 |
|||||||
|
12 |
12 |
|||||||
|
— |
— |
— |
— |
6 |
4 |
— |
||
|
8 |
6 |
|||||||
|
10 |
8 |
|||||||
|
12 |
10 |
|||||||
|
Y形快插接头,360°旋转- 外螺纹,带外六角
|
— |
R1/8 |
G1/8 |
— |
— |
4,6,8 |
— |
|
|
R¼ |
G¼ |
6,8,10 |
||||||
|
R3/8 |
G3/8 |
8,10,12 |
||||||
|
R½ |
G½ |
12 |
||||||
|
Y形快插接头,360°旋转- 外螺纹,带外六角
|
— |
R1/8 |
G1/8 |
— |
— |
6 |
— |
|
|
R¼ |
G¼ |
8 |
||||||
|
R3/8 |
G3/8 |
10 |
||||||
|
R½ |
G½ |
12 |
||||||
|
Y形快插接头,360°旋转- 外和内螺纹,带外六角
|
— |
R1/8 |
G1/8 |
— |
— |
6 |
— |
|
|
R¼ |
G¼ |
8 |
||||||
|
R3/8 |
G3/8 |
10 |
||||||
|
R½ |
G½ |
12 |
||||||
































