|
电感式传感器 |
||||||||||||||
|
结 构 原 理 及 特 点 |
电感式传感器是一种非接触式传感器,无需直接接触金属或电流物体就可获得响应。接近传感器是工业自动化技术中的基本元件之一。该传感器的核心元件是线圈,加载交流电后产生交变磁场。当磁场中有金属物体时其电阻和振幅就会发生变化。经过电子放大后,该变化就作为被测物体与线圈间距离的变量。由于迟滞的影响,物体朝着接近传感器方向移动的检测距离和物体朝另一方向移走的检测距离是存在差异的,这样可防止输出信号的振动。非接触式传感器具有以下特点: ①无机械磨损,使用寿命长。传感器的传感头无需配专用的机械装置(如滚轮、柱销、机械手柄等) ②不会因触点的污染或黏合而造成故障,也不会因为被测物碰撞而造成信号丢失 ③无触头跳动,因而无切换故障 ④切换频率大,切换频率高达3000Hz ⑤抗振动 ⑥系统全封装,防护等级高 ⑦装配灵活 ⑧传感器能感测所有穿过或停留在高频磁场中的金属物体 |
|||||||||||||
|
电 感 式 磁 性 传 感 器 |
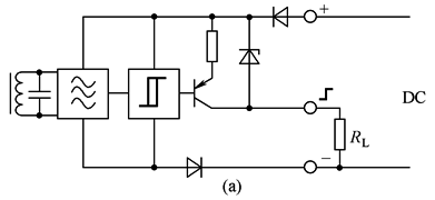
工 作 原 理 |
如图a所示,振荡器的共鸣电路在感测表面区域产生一个交替的电波频率磁场,当金属物体进入该磁场区域时,它的能量被吸收,使振荡器停止。供给触发器的触发电压消失了,触发器输出转换,并给一个信号。电感应式磁性传感器仅用于探测能导电的物体 |
|
|||||||||||
|
主 要 技 术 特 性 |
检测距离 |
①额定检测距离Sn:其特性值是不考虑制造公差或由温度或电压引起的偏差,如图b所示 ②实际检测距离Sr:实际检测距离指在额定电压与23℃±5℃环境温度下的检测距离,与额定检测距离的偏差最大为±10%,如图b所示 ③有效检测距离Su:是需考虑在指定范围内由电压和温度波动引起的偏差,它与实际检测距离可存在最大±10%偏差,如图b所示 ④可靠检测距离Sa:制造商承诺可靠检测距离适用于所有指定的工作条件。它为可靠设计提供了基础。在允许的工作条件下的检测距离,在以0到最小有效检测距离间取值,如图b所示 样本列出的检测距离是基于标准的检测物件的大小,如果是检测其他的目标(大多数的应用),实际的检测距离会有所不同,以下因素会影响到检测距离:材料、尺寸大小、厚度、平滑度,如图c所示
|
||||||||||||
|
重复精度 |
重复精度是指在IEC60947-5-2和EN60947-5-2标准中定义的实际检测距离Sr在23℃±5℃环境温度和固定电压UB下经过8h运作后的重复精度。重复精度与该定义有关。连续测量通常会得到更精确的重复精度 |
|||||||||||||
|
切换频率 |
最大开关频率规定了在额定检测距离Sn的一半以及持续脉冲与间隔比率为1∶2的情况下的每秒最大许用脉冲(见图d)。该检测方法符合IEC/EN60947-5-2标准 |
|
||||||||||||
|
磁场影响 |
抗强电磁场干扰型传感器抗磁场干扰。其他型号的传感器通常都不受永磁场和低频率交变磁场的影响。然而,强磁场会使传感器的铁线圈达到饱和状态,因此会增加检测距离或启动设备,但是,不会造成永久损坏。对于加长检测距离型传感器的几千赫兹或几十万赫兹(其他系列)的强磁场会大大削弱开关功能,因为这些设备的振荡器的频率正好处于该范围中。如果出现磁场干扰,建议使用屏蔽。对于接近传感器,过长电缆会导致输出端的电容负载对干扰更敏感,因此电缆长度不能超过300m |
|||||||||||||
|
修正系数 |
规定的检测距离与指定测量条件有关(参见以上内容)。其他材料通常在检测距离上产生修正。对于每个独立的传感器和最常用的金属规定了相应的修正系数 修正系数:钢(St37或FE360)1,黄铜0.35~0.5,铜0.25~0.45,铝0.35~0.50,不锈钢0.6~1 |
|||||||||||||
|
带模拟量输出 |
带有模拟量输出的设备可提供模拟量信号,该信号与物体距离成比例,大多数的模型都有电压和电流的输出 |
|||||||||||||
|
齐平与非齐平安装 |
①齐平安装:电感应非接触式传感器在安装时,它的感应表面可埋入金属性的基座内,其安装尺寸如图e所示,在应用数个传感器时,传感器相互之间至少要保持一倍的传感器宽度d ②非齐平安装:非齐平安装非接触式传感器的检测距离要大于齐平安装非接触式传感器,由于其头部感应面无内部屏蔽,因此在其周围必须无金属,在应用数个传感器时,传感器相互之间至少保持二倍的传感器外壳的距离,见图f。
|
|||||||||||||
|
主要技术参数 |
电感式传感器用来测定金属类材料,有常开功能或常闭功能,它的输出极性有PNP型或NPN型,工作电压为10~30VDC、15~34VDC,20~265VAC。有齐平安装型和非齐平安装型两种,检测距离与规格有关(气动行业常用的最小距离有0.8mm,较大距离有15mm),根据不同规格的最大输出电流为150~300mA,最高切换频率为300~3000Hz(根据各型号规定),切换点的重复精度在±0.04~0.4mm之间(根据各型号规定),迟滞min0.01~迟滞max3.3mm(根据各型号规定),具有极性容错保护和感应电压保护,防护等级为IP65/67 |
|||||||||||||
|
类
型 |
距离型 加长检测 |
由于采用了更精密的电子元件,再灌封时考虑更小的损耗,专用的振荡线圈及专用振荡器,所以检测距离加长,与标准型的电感式传感器相比检测距离提高100%(齐平安装) |
||||||||||||
|
抗强电磁场干扰型 |
抗强电磁场干扰型传感器的工作原理与普通电感应传感器相同,其特点是通过使用特种振荡器的核心材料和专用测试技术以实现在工作磁场下的较高稳定性。磁场稳定性的高低取决于磁场种类、传感器的结构尺寸,以及它在磁场中的位置和磁场类型(恒定型磁场或变更型磁场)。通常传感器制造厂商对流过导体的电流所产生的周围磁场做了测试,如图g所示,其磁场强度的计算公式为: 式中,I为流过导体的电流,A;r为导体中点的距离,mm;B为磁感应强度,mT。摘自TURCK(图尔克)公司产品(Bi10S-Q26-AD4X-H1141/S34)等 |
|||||||||||||
|
|
|
|||||||||||||
|
|
I/kA |
距离/mm |
||||||||||||
|
12.5 |
25 |
50 |
100 |
|||||||||||
|
5 |
80mT |
40mT |
20mT |
10mT |
||||||||||
|
10 |
160mT |
80mT |
40mT |
20mT |
||||||||||
|
20 |
320mT |
160mT |
80mT |
40mT |
||||||||||
|
50 |
800mT |
400mT |
200mT |
100mT |
||||||||||
|
100 |
1600mT |
800mT |
400mT |
200mT |
||||||||||
|
带模拟量输出型 |
带模拟量输出的接近传感器可提供电信号,该电信号与传感器表面到金属物体之间的距离成比例。该输出信号也会根据所检测物体的规格和材料,对于额定检测距Sn而言,不同的金属需要不同的修正系数。其功能可有:直接将直线运动转换成电信号,使用楔形传导元件将直线运动转换成电信号,将旋转运动转换成电信号,对金属工件的位置、规格和材料进行监控,将摆动或位移转换成电信号,见表数字量传感器、模拟量传感器 同普通电感应传感器的工作原理相同,当一个金属物体接近传感器表面时,振荡器能量发生变化,能量变小程度与被测金属体与传感器之间的距离有关,同时也是一个检测的标志,传感器内通过一个附加电路,将损耗转换成可测量的信号,经线性化处理后放大,在输出端产生一个模拟量的电压或电流信号(0~10V,0~20mA),工作电压为15~30VDC,线性误差≤3%,温度误差≤±5%,重复精度≤2%,检测频率为80~200Hz,摘自图尔克Bi5-M18-LU、Ni8-M18-LU、Bi10-M30-LIU、Bi15-CP40-LIU…,如图h所示
|
|||||||||||||
|
带宽温度范围型 |
同普通电感应传感器的工作原理相同,当一个金属物体接近传感器表面时,振荡器能量发生减小,能量减小影响振幅的减小,振幅的扰动变化在电路中被识别并在后置电路中转换成一个自定义的开关信号,所不同的是该传感器采用了特殊的元器件和特殊的电缆(耐高温) 其温度范围在-25~100℃或-25~120℃,误差在±20%,重复精度为≤2%,可检测距离为1mm、1.5mm、2mm、5mm、10mm、15mm、20mm、30mm,IP65防护等级,可应用于酿酒、奶制品设备、喷塑机、棒材和板材辊压机等 |
|||||||||||||
|
带有时间延迟功能型 |
带有积分延时的电感式传感器的工作原理与普通式传感器一样,当一个金属物体靠近传感器的感应面时,振荡器系统的能量减少,振幅的扰动由电路识别并在后置电路中转换成一个开关信号 在该传感器的输出中装有一个可调的时间功能模块(0.05~20s),输出特性可用于接通延迟、关断延迟、接通/关断延迟,并可通过可转换的振荡器头上的电位器进行时间调节,如图i所示。可用于传输设备的阻塞监控和阻止碰撞 |
|
||||||||||||
|
耐高压型 |
主要在液压领域中,它可被直接置于腐蚀性的介质之中和恶劣的环境下,能耐10~500bar高压,感应距离1.2~2mm,输出端的放大器已组装在传感器内,无需额外的放大装置,其输出可直接与继电器相连 |
|||||||||||||
|
对所有金属无衰减系数型 |
传统型的电感式传感器在检测不同的金属时,其额定开关(检测)距离不同,即存在着衰减或修正系数。此传感器不存在该现象。由于它采用三个无铁氧体的空芯线圈系统,所以对交流直流磁场不再敏感。其特性如下: ①无衰减系数 ②抗磁场干扰能力:由于不存在铁芯,所以该传感器对交/直流磁场不再敏感 ③开关频率极大提高:采用理想的空芯线圈,与传统的传感器相比,开关频率提高10倍(1500Hz) ④开关有效检测距离较大:若与37钢材料的检测物体相比,其检测距离可提高100%(非齐平安装) ⑤允许的环境温度范围宽:-30~+85℃ ⑥防护等级为IP67,可在水下工作,并可承受环境条件下的骤然变化,如食品加工领域 ⑦工作电压:10~65VDC,短路自动保护 |
|||||||||||||
|
超
声
波 |
一般常用的超声波传感器频率为25kHz、27kHz、30kHz、40kHz、45kHz,由三个部分组成,超声波转换器、超声波发射器、超声波接收器 超声波转换器是产生超声波的元件,由压电氧化物制成,也称压电陶瓷振荡元件,陶瓷振荡元件受到压力(声波)就产生电信号或陶瓷振荡元件得到电压时则产生声波信号。超声波转换器产生的声波频率为30~300kHz。当发射器发射出来的超声波脉冲作用到一个被检测物体上,经过一段时间后,被反射的声波又重新回到反射器上,根据声速和从发射器到被检测物体的距离,可计算出该超声波运行的时间,通常发射和接收的声波频率要相同,如图j所示 常用的超声波传感器发射和接收可合并为一体,也可分开。超声波传感器可检测多种物体,例如不同形状的固体、 |
|
||||||||||||
|
液体。物体的颜色与测量没有影响,能可靠地检测透明物体,如玻璃和有机玻璃。常用于自动仓库、输送系统、食品行业、金属玻璃塑胶加工过程、对堆积物的监控等。超声波传感器有LED显示及可调电位器开关,可设定检测范围和灵敏度。需要注意的是,物体的粗糙度超过0.15mm时会使有效的检测距离减小,对于织物、泡状物、棉花及吸声物体也会使有效的检测距离减小。当几个超声波传感器同时工作时可能会引起干扰,这就要注意超声波传感器与物体之间的最小距离,该距离与发射角、可调范围、物体的位置、方位都有关。还需注意的是,选择最佳的工作频率和一个具有专利的干扰抑制电路,使金属颤动和空气压缩等外部噪声都不对信号探测产生影响。超声波传感器在空气之外的介质中使用时,灵敏度会受影响。大气压的波动为±5%时,对一个被测物体的参照点而言,可引起灵敏度的变化约为±0.6%以TURCK(图尔克)超声波传感器BC10-M30-VP4X(直流型)、BC10-M30-AZ3X(交流型)为例,其技术参数如下: |
||||||||||||||
|
技术参数 |
BC10-M30-VP4X(直流型) |
BC10-M30-AZ3X(交流型) |
||||||||||||
|
动作距离Sn/mm |
10 |
10 |
||||||||||||
|
安装形式 |
齐平安装 |
齐平安装 |
||||||||||||
|
工作电压 |
10~65VDC |
20~250VAC |
||||||||||||
|
残波峰值/Vpp |
≤10 |
|
||||||||||||
|
空载电流/mA |
6~12 |
|
||||||||||||
|
负载电流/mA |
≤200 |
≥5/≤500 |
||||||||||||
|
最大电流(脉冲电流)/mA |
|
≤8(≤10ms/5Hz) |
||||||||||||
|
过载脱扣/mA |
≥220 |
|
||||||||||||
|
接通延时/ms |
≤25 |
≤60 |
||||||||||||
|
瞬时保护 |
2kV,1ms,1kΩ |
5kV,10ms,10kΩ |
||||||||||||
|
开关频率/Hz |
100 |
20 |
||||||||||||
|
开关滞后/% |
2~20 |
2~20 |
||||||||||||
|
温度误差/% |
±20 |
±20 |
||||||||||||
|
重复精度/% |
≤2 |
≤2 |
||||||||||||
|
SIEN标准检测距离电感式传感器应用图例 |
酸奶盒最后控制时,要检测铝制薄片是否存在。由小型功率大的接近开关在较远换向距离处完成
|
为了确保铝质密封薄片恰好附在瓶盖内部,传送带上安装了接近传感器。瓶子沿线通过时,对射式传感器向接近传感器发出一个同步信号,探测铝质薄片。如果查到出错,传感器将信号传送至气缸,拒收有瑕疵的产品 |
||||||||||||
|
饮料瓶装厂内要对同步传送带进行空载托盘控制。电感式传感器探测每排有铝盖的瓶子,推动器分捡出空的托盘 |
调节电感式传感器,使其能区分两种不同的送料零件 |
|||||||||||||
|
对于无法安装轴角编码器的大型或特殊机器,可以连接一个定制的带沟槽的或打孔的磁盘。为了探测沟槽或孔的速度、位置、前后运动,用电感式传感器来处理信号,频率可达5kHz。如果频率较低或周围温度很高的话,还可用对射式传感器 |
两个灵敏型电感式传感器分别安装在等待控制的钢带上下方,如果传感器探测到钢板厚度不一,就会发出一个信号 |
|||||||||||||
|
一个直径仅4mm的特别小的电感式传感器安装在气爪内。从抓起工件到放下,由传感器控制工件是否被气爪夹紧 |
小型电感式传感器适用于快速清点小型金属铆钉的数目。在这个应用情况下,每分钟要清点1500个铆钉并随即包装。如果没有材料跟进,第二个传感器会及时发出信号 |
|||||||||||||
















