|
真空发生器的选择步骤 |
||
|
步 骤 |
内 容 |
做 法 |
|
1 |
确定系统总的容积(需要抽成真空的容积) |
必须先确定吸盘、吸盘支座以及气管的容积V1、V2和V3,然后相加后算出总的容积 V总=V1+V2+V3 |
|
2 |
确定循环时间 |
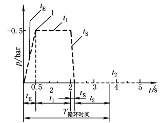
1—提起;2—所节省的时间
T循环时间=抽空时间tE+抓取时间t1+供气时间tS+回复时间t2 |
|
一次工作循环可以被分为若干个单独的时间间隔,因此需要分别进行测量或计算。将单个所需时间相加便得到了总的循环时间 抽空时间tE,可以在相应真空发生器的样本找到其数据 抓取时间t1,吸住工件以后抓取工件所需的时间,用秒表测量 供气时间tS,真空系统再次建立起真空压力以及释放工件所需的时间,可以在相应真空发生器的样本找到其数据 回复时间t2,真空系统释放工件回复到初始位置所需的时间,用秒表测量 |
||
|
3 |
核查运作的经济性 |
确定每次工作循环的耗气量QC,可以在相应真空发生器的样本找到其数据(确定每个循环的耗气量、每小时的工作循环次数,确定每小时的耗气量及每年的能源费用) |
|
4 |
将附加的功能/元件以及设计要求考虑在内 |
系统在性能、功能以及工作环境等方面的特定要求也必须在元件选型时加以考虑,如可靠性等 |

