|
普通真空发生器及带喷射开关真空发生器的技术特性 |
||
|
名 称 |
简 图 |
技 术 特 性 |
|
普通真空发生器 |
|
压缩空气从进气口1流到排气口3并在喷射器原理的作用下,在气口2产生真空。通过在排气口3安装消声器,可以使排气过程中所产生的噪声进一步降低 |
|
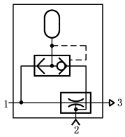
带喷射开 关真空发生器 |
|
压缩空气从进气口1流到排气口3并在喷射器原理的作用下,在气口2产生真空。与此同时,压缩空气向一个容积为32cm3的储气罐充气,一旦输入压力被切断,该储气罐会释放喷射器脉冲,使工件可靠地从吸盘脱离。在压力为6bar、抽气能力为1m时的最大切换频率为10Hz |


