|
非ISO标准普通型气缸(f 32~125mm) |
|||||||||||||||||||||||||||
|
表1 mm |
|||||||||||||||||||||||||||
|
规格系列 |
缸径 |
标准行程 |
最大 行程 |
容许 行程 |
|||||||||||||||||||||||
|
32 |
25 50 75 80 100 125 150 160 175 200 250 300 350 400 450 500 |
1000 |
2000 |
||||||||||||||||||||||||
|
40 |
25 50 75 80 100 125 150 160 175 200 250 300 350 400 450 500 600 700 800 |
1200 |
2000 |
||||||||||||||||||||||||
|
50 |
25 50 75 80 100 125 150 160 175 200 250 300 350 400 450 500 600 700 800 900 1000 |
1200 |
2000 |
||||||||||||||||||||||||
|
63 |
25 50 75 80 100 125 150 160 175 200 250 300 350 400 450 500 600 700 800 900 1000 |
1500 |
2000 |
||||||||||||||||||||||||
|
80 |
25 50 75 80 100 125 150 160 175 200 250 300 350 400 450 500 600 700 800 900 1000 |
1500 |
2000 |
||||||||||||||||||||||||
|
100 |
25 50 75 80 100 125 150 160 175 200 250 300 350 400 450 500 600 700 800 900 1000 |
1500 |
2000 |
||||||||||||||||||||||||
|
|
|||||||||||||||||||||||||||
|
|
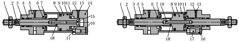
1—螺母; 2,18—活塞杆; 3—前盖密封圈; 4—含油轴承; 5—前盖; 6—缓冲; 7—管壁; |
8,9—活塞; 10—耐磨环; 11—本体; 12—缓冲防漏; 13—缓冲调整螺钉; 14—后盖; 15—内六角螺栓; |
16—支柱螺母; 17—支柱; 19—连接螺栓; 20—可调螺母垫片; 21—可调螺母
|
||||||||||||||||||||||||
|
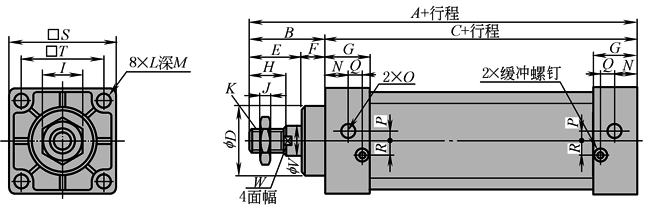
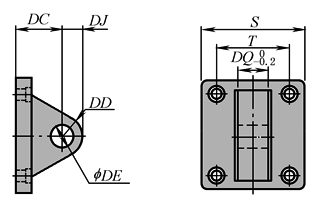
标 准 型 气 缸 尺 寸 |
|
||||||||||||||||||||||||||
|
缸径 |
A |
B |
C |
D |
E |
F |
G |
H |
I |
J |
K |
L |
M |
N |
O |
P |
Q |
R |
S |
T |
V |
W |
|||||
|
32 |
140 |
47 |
93 |
28 |
32 |
15 |
27.5 |
22 |
17 |
6 |
M10×1.25 |
M6×1 |
9.5 |
13.7 |
PT1/8 |
3.5 |
7.5 |
7 |
45 |
33 |
12 |
10 |
|||||
|
40 |
142 |
49 |
93 |
32 |
34 |
15 |
27.5 |
24 |
17 |
7 |
M12×1.25 |
M6×1 |
9.5 |
13.5 |
PT¼ |
6 |
8.2 |
9 |
50 |
37 |
16 |
14 |
|||||
|
50 |
150 |
57 |
93 |
38 |
42 |
15 |
27.5 |
32 |
23 |
8 |
M16×1.5 |
M6×1 |
9.5 |
13.5 |
PT¼ |
8.5 |
8.2 |
9 |
62 |
47 |
20 |
17 |
|||||
|
63 |
153 |
57 |
96 |
38 |
42 |
15 |
27.5 |
32 |
23 |
8 |
M16×1.5 |
M8×1.25 |
9.5 |
13.5 |
PT3/8 |
7 |
8.2 |
8.5 |
75 |
56 |
20 |
17 |
|||||
|
80 |
182 |
75 |
107 |
47 |
54 |
21 |
33 |
40 |
26 |
10 |
M20×1.5 |
M10×1.5 |
11.5 |
16.5 |
PT3/8 |
10 |
9.5 |
14 |
94 |
70 |
25 |
22 |
|||||
|
100 |
188 |
75 |
113 |
47 |
54 |
21 |
33 |
40 |
26 |
10 |
M20×1.5 |
M10×1.5 |
11.5 |
16.5 |
PT½ |
11 |
9.5 |
14 |
112 |
84 |
25 |
22 |
|||||
|
双 出 杆 型 气 缸 尺 寸 |
|
||||||||||||||||||||||
|
缸径 |
A1 |
B |
C |
D |
E |
F |
G |
H |
I |
J |
K |
L |
M |
N |
O |
P |
Q |
R |
S |
T |
V |
W |
|
|
32 |
187 |
47 |
93 |
28 |
32 |
15 |
27.5 |
22 |
17 |
6 |
M10×1.25 |
M6×1 |
9.5 |
13.7 |
PT1/8 |
3.5 |
7.5 |
7 |
45 |
33 |
12 |
10 |
|
|
40 |
191 |
49 |
93 |
32 |
34 |
15 |
27.5 |
24 |
17 |
7 |
M12×1.25 |
M6×1 |
9.5 |
13.5 |
PT¼ |
6 |
8.2 |
9 |
50 |
37 |
16 |
14 |
|
|
50 |
207 |
57 |
93 |
38 |
42 |
15 |
27.5 |
32 |
23 |
8 |
M16×1.5 |
M6×1 |
9.5 |
13.5 |
PT¼ |
8.5 |
8.2 |
9 |
62 |
47 |
20 |
17 |
|
|
63 |
210 |
57 |
96 |
38 |
42 |
15 |
27.5 |
32 |
23 |
8 |
M16×1.5 |
M8×1.25 |
9.5 |
13.5 |
PT3/8 |
7 |
8.2 |
8.5 |
75 |
56 |
20 |
17 |
|
|
80 |
257 |
75 |
107 |
47 |
54 |
21 |
33 |
40 |
26 |
10 |
M20×1.5 |
M10×1.5 |
11.5 |
16.5 |
PT3/8 |
10 |
9.5 |
14 |
94 |
70 |
25 |
22 |
|
|
100 |
263 |
75 |
113 |
47 |
54 |
21 |
33 |
40 |
26 |
10 |
M20×1.5 |
M10×1.5 |
11.5 |
16.5 |
PT½ |
11 |
9.5 |
14 |
112 |
84 |
25 |
22 |
|
|
双 出 杆 、 行 程 可 调 型 气 缸 尺 寸 |
|
||||||||||||||||||||||
|
缸径 |
A2 |
B |
C |
D |
E |
F |
G |
H |
I |
J |
K |
L |
|||||||||||
|
32 |
182 |
47 |
93 |
28 |
32 |
15 |
27.5 |
22 |
17 |
6 |
M10×1.25 |
M6×1 |
|||||||||||
|
40 |
185 |
49 |
93 |
32 |
34 |
15 |
27.5 |
24 |
17 |
7 |
M12×1.25 |
M6×1 |
|||||||||||
|
50 |
196 |
57 |
93 |
38 |
42 |
15 |
27.5 |
32 |
23 |
8 |
M16×1.5 |
M6×1 |
|||||||||||
|
63 |
199 |
57 |
96 |
38 |
42 |
15 |
27.5 |
32 |
23 |
8 |
M16×1.5 |
M8×1.25 |
|||||||||||
|
80 |
242 |
75 |
107 |
47 |
54 |
21 |
33 |
40 |
26 |
10 |
M20×1.5 |
M10×1.5 |
|||||||||||
|
100 |
248 |
75 |
113 |
47 |
54 |
21 |
33 |
40 |
26 |
10 |
M20×1.5 |
M10×1.5 |
|||||||||||
|
缸径 |
M |
N |
O |
P |
Q |
R |
S |
T |
V |
W |
Z |
||||||||||||
|
32 |
9.5 |
13.7 |
PT1/8 |
3.5 |
7.5 |
7 |
45 |
33 |
12 |
10 |
21 |
||||||||||||
|
40 |
9.5 |
13.5 |
PT¼ |
6 |
8.2 |
9 |
50 |
37 |
16 |
14 |
21 |
||||||||||||
|
50 |
9.5 |
13.5 |
PT¼ |
8.5 |
8.2 |
9 |
62 |
47 |
20 |
17 |
23 |
||||||||||||
|
63 |
9.5 |
13.5 |
PT3/8 |
7 |
8.2 |
8.5 |
75 |
56 |
20 |
17 |
23 |
||||||||||||
|
80 |
11.5 |
16.5 |
PT3/8 |
10 |
9.5 |
14 |
94 |
70 |
25 |
22 |
29 |
||||||||||||
|
100 |
11.5 |
16.5 |
PT½ |
11 |
9.5 |
14 |
112 |
84 |
25 |
22 |
29 |
||||||||||||
|
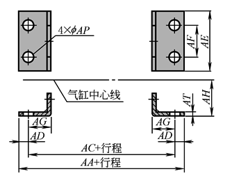
安装附件尺寸 |
|
缸径 |
32 |
40 |
50 |
63 |
80 |
100 |
|
AA |
153 |
169 |
173 |
184 |
189 |
209 |
||
|
AC |
134 |
140 |
149 |
158 |
168 |
174 |
||
|
AD |
9.5 |
14.5 |
12 |
13 |
16 |
18 |
||
|
AE |
50 |
57 |
68 |
80 |
97 |
112 |
||
|
AF |
33 |
36 |
47 |
56 |
70 |
84 |
||
|
AG |
20.5 |
23.5 |
28 |
31 |
30 |
30 |
||
|
AH |
28 |
30 |
36.5 |
41 |
49 |
57 |
||
|
AP |
9 |
12 |
12 |
12 |
14 |
14 |
||
|
AT |
3 |
3 |
3 |
3 |
4 |
4 |
||
|
缸径 |
32 |
40 |
50 |
63 |
80 |
100 |
||
|
BA |
28.3 |
32.3 |
38.3 |
38.3 |
47.3 |
47.3 |
||
|
BB |
10 |
10 |
10 |
12 |
16 |
16 |
||
|
BC |
47 |
52 |
65 |
76 |
95 |
115 |
||
|
BD |
33 |
36 |
47 |
56 |
70 |
84 |
||
|
BE |
72 |
84 |
104 |
116 |
143 |
162 |
||
|
BF |
58 |
70 |
86 |
98 |
119 |
138 |
||
|
BH |
6.5 |
6.5 |
6.5 |
8.5 |
10.5 |
10.5 |
||
|
AJ |
10.5 |
10.5 |
10.5 |
13.5 |
16.5 |
16.5 |
||
|
AK |
6.5 |
6.5 |
6.5 |
8.5 |
10.5 |
10.5 |
||
|
BP |
7 |
7 |
9 |
9 |
11 |
11 |
||
|
T |
33 |
37 |
47 |
56 |
70 |
84 |
||
|
缸径 |
32 |
40 |
50 |
63 |
80 |
100 |
||
|
S |
48 |
50 |
62 |
75 |
94 |
112 |
||
|
T |
33 |
37 |
47 |
56 |
70 |
84 |
||
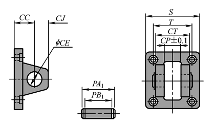
|
DC |
34 |
34 |
34 |
34 |
48 |
48 |
||
|
DD |
14 |
14 |
15 |
15 |
20 |
20 |
||
|
DE |
12 |
14 |
14 |
14 |
20 |
20 |
||
|
DJ |
14 |
14 |
15 |
15 |
20 |
20 |
||
|
DQ |
16 |
20 |
20 |
20 |
32 |
32 |
||
|
缸径 |
32 |
40 |
50 |
63 |
80 |
100 |
||
|
CC |
19 |
19 |
19 |
19 |
32 |
32 |
||
|
CE |
12 |
14 |
14 |
14 |
20 |
20 |
||
|
CJ |
13 |
13 |
15 |
15 |
21 |
21 |
||
|
CP |
16.3 |
20.3 |
20.3 |
20.3 |
32.3 |
32.3 |
||
|
CT |
32 |
44 |
52 |
52 |
64 |
64 |
||
|
PA1 |
41 |
51.8 |
60.3 |
60.3 |
73.8 |
73.8 |
||
|
PB1 |
33.5 |
45.5 |
54 |
54 |
65.5 |
65.5 |
||
|
S |
48 |
50 |
62 |
75 |
94 |
112 |
||
|
T |
33 |
37 |
47 |
56 |
70 |
84 |
|
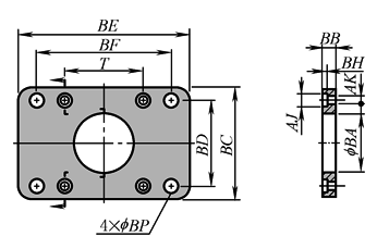
安装附件尺寸 |
|
||||||||||||||||||||||||||||||
|
缸径 |
EB |
EC |
ED |
EE |
EG |
EP |
ET |
S |
|||||||||||||||||||||||
|
40 |
113 |
63 |
37 |
63 |
25 |
25 |
30 |
45.5 |
|||||||||||||||||||||||
|
50 |
126 |
76 |
47 |
76 |
25 |
25 |
30 |
55.5 |
|||||||||||||||||||||||
|
63 |
138 |
88 |
56 |
88 |
25 |
25 |
30 |
68.5 |
|||||||||||||||||||||||
|
80 |
164 |
114 |
70 |
114 |
25 |
25 |
35 |
87.5 |
|||||||||||||||||||||||
|
100 |
182 |
132 |
84 |
132 |
25 |
25 |
40 |
107.5 |
|||||||||||||||||||||||
|
|
|||||||||||||||||||||||||||||||
|
缸径 |
HA |
HB |
HC |
HD |
HE |
HF |
HI |
HJ |
HQ |
HR |
HT |
HP |
|||||||||||||||||||
|
40 |
105 |
80 |
45.5 |
22 |
109 |
86 |
81.5 |
50 |
23 |
2 |
12 |
12 |
|||||||||||||||||||
|
50 |
105 |
80 |
55.5 |
22 |
122 |
99 |
88 |
50 |
23 |
2 |
12 |
12 |
|||||||||||||||||||
|
63 |
105 |
80 |
68.5 |
22 |
134 |
111 |
94 |
50 |
23 |
2 |
12 |
12 |
|||||||||||||||||||
|
80 |
110 |
85 |
87.5 |
22 |
160 |
137 |
127 |
70 |
23 |
2 |
12 |
13 |
|||||||||||||||||||
|
100 |
110 |
85 |
107.5 |
22 |
178 |
155 |
136 |
70 |
23 |
2 |
12 |
13 |
|||||||||||||||||||
|
|
|||||||||||||||||||||||||||||||
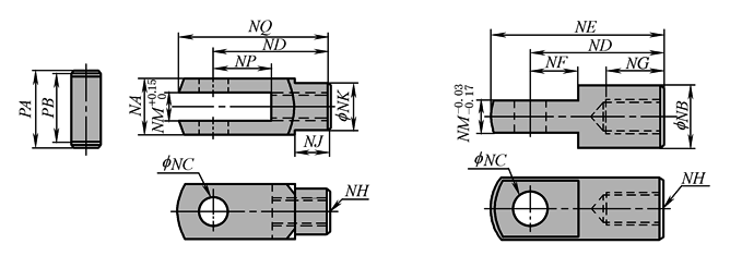
|
缸径 |
NA |
NB |
NC |
ND |
NE |
NF |
NG |
NH |
NJ |
NK |
NM |
NP |
NQ |
PA |
PB |
||||||||||||||||
|
32 |
19 |
20 |
10 |
40 |
52 |
15 |
20 |
M10×1.25 |
12 |
18 |
10 |
20 |
52 |
25 |
19.5 |
||||||||||||||||
|
40 |
25.4 |
24 |
12 |
48 |
67 |
24 |
20 |
M12×1.25 |
20 |
23 |
12 |
24 |
62 |
32.8 |
26.5 |
||||||||||||||||
|
50 |
32 |
32 |
16 |
64 |
89 |
32 |
23 |
M16×1.5 |
22 |
30 |
16 |
32 |
83 |
39.3 |
33 |
||||||||||||||||
|
63 |
32 |
32 |
16 |
64 |
89 |
32 |
23 |
M16×1.5 |
22 |
30 |
16 |
32 |
83 |
39.3 |
33 |
||||||||||||||||
|
80 |
44.4 |
40 |
20 |
80 |
112 |
40 |
30 |
M20×1.5 |
30 |
39 |
20 |
40 |
105 |
53.3 |
45 |
||||||||||||||||
|
100 |
44.4 |
40 |
20 |
80 |
112 |
40 |
30 |
M20×1.5 |
30 |
39 |
20 |
40 |
105 |
53.3 |
45 |
||||||||||||||||
|
安装附件尺寸 |
|
缸径 |
MA |
MB |
MC |
MD |
ME |
MF |
MG |
MH |
MI |
MJ |
MK |
|||||||
|
32 |
58 |
22 |
7 |
21 |
26 |
11.5 |
7 |
10 |
M10×1.25 |
M10×1.25 |
12° |
|||||||||
|
40 |
58 |
22 |
8 |
21 |
28 |
11.5 |
8 |
12 |
M12×1.25 |
M12×1.25 |
12° |
|||||||||
|
50 |
90 |
27 |
10 |
41 |
44.5 |
20 |
10 |
17 |
M16×1.5 |
M16×1.5 |
7° |
|||||||||
|
63 |
90 |
27 |
10 |
41 |
44.5 |
20 |
10 |
17 |
M16×1.5 |
M16×1.5 |
7° |
|||||||||
|
80 |
102 |
29 |
13 |
46 |
53 |
24 |
13 |
22 |
M20×1.5 |
M20×1.5 |
10° |
|||||||||
|
100 |
102 |
29 |
13 |
46 |
53 |
24 |
13 |
22 |
M20×1.5 |
M20×1.5 |
10° |
|||||||||
|
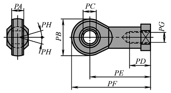
|
缸径 |
PA |
PB |
PC |
PD |
PE |
PF |
PG |
PH |
|||||||||||
|
32 |
11 |
26 |
10 |
21 |
43 |
56 |
M10×1.25 |
13° |
||||||||||||
|
40 |
12 |
30 |
12 |
24 |
50 |
65 |
M12×1.25 |
13° |
||||||||||||
|
50 |
15 |
38 |
16 |
33 |
64 |
83 |
M16×1.5 |
15° |
||||||||||||
|
63 |
15 |
38 |
16 |
33 |
64 |
83 |
M16×1.5 |
15° |
||||||||||||
|
80 |
18 |
46 |
20 |
40 |
77 |
100 |
M20×1.5 |
15° |
||||||||||||
|
100 |
18 |
46 |
20 |
40 |
77 |
100 |
M20×1.5 |
15° |
||||||||||||
|
注:摘录亚德客SU普通气缸资料。 |
||||||||||||||||||||
|
表2 非ISO标准普通型气缸厂商名录 |
|||||
|
厂商 |
型号 |
缸径压力/温度范围 |
基本型式 |
派生型 |
备注(单位:mm) |
|
亚德客 Airtac |
SU |
f 32~100mm 1~9bar -5~+70℃ |
可带/不带磁性 |
可调缓冲、两端出杆SUD、两端出杆带可调缓冲SUJ、耐高温(150℃)、多位置、倍力、可配导向装置、活塞杆带锁紧装置、带阀气缸 |
|
|
亿日 Easun |
ESC四拉杆气缸、ESU米字形型材气缸、ESF型材气缸 |
f 32~160mm |
两侧可调缓冲 可带/不带磁性 |
可调缓冲,两端出杆,行程可调,倍力,多位置,带阀气缸耐高温(150℃) |
|
|
方大 Fangda |
10B-5 |
f 32~100mm 0.5~10bar -25~+80℃ |
两侧可调缓冲 |
基本型 |
|
|
10A-5 |
f 32~100mm 0.5~10bar (标准型/带开关型); 1.5~8bar(带阀型/ 带阀带开关型) -25~+80℃ |
可带/不带磁性 |
标准型10A-5、带开关型10A-5R、带阀型10A-5V、带阀带开关型10A-5K |
|
|
|
10A-2 |
f 125~250mm 1~10bar -25~+80℃ |
可带/不带磁性 |
基本型SD |
|
|
|
法斯特 Fast |
LM |
f 32~100mm 0.49~9.8bar -25~+80℃ |
可带/不带缓冲 |
基本型SD、带缓冲标准型LMB、无缓冲型LMA |
T尺寸:f 32为32 |
|
LG |
f 32~125mm 0.5~10bar -25~+80℃ |
可带/不带磁性 |
带缓冲标准气缸LGB、无缓冲LGA、带磁性开关型LGK、带阀气缸LGF、带开关带阀型LGKF、双活塞杆型LGL、双活塞型LGS、增力气缸LGJ、三位气缸LGC、返程调行程型LGT,进程调行程型LGTa |
T尺寸:f 32为32 |
|
|
华能 Huaneng |
GPM |
f 32~100mm 1.5~10bar (标准型/带开关型); 1.5~7bar (f 32带阀型/带 阀带开关型); 1.5~9bar(带阀型/ 带阀带开关型); -5~+60℃ |
可带/不带磁性 |
标准型GPM、带开关型GPM-K、带阀型GPM-F、带阀带开关型GPM-FK、伸出调整型、返回调整型 |
|
|
QGBQ |
f 32~100mm 1.5~10bar (标准型/带开关型); 1.5~7bar (f 32带阀型/带 阀带开关型); 1.5~9bar(带阀型/ 带阀带开关型); -5~+60℃ |
可带/不带磁性 |
标准型QGBQ、带开关型QGBQ-K、带阀型QGBQ-F、带阀带开关型QGBQ-FK、双出杆型QGBQS、伸出调整型QGBQST、返回调整型QGBQFT、串联气缸QGBQC、双行程气缸QGBQE、多行程气缸QGBQP、带导向气缸QGBQDH(Q) |
|
|
|
佳尔灵 Jiaerling |
SC四拉杆 |
f 32~200mm 1~9bar 0~70℃ |
可带/不带磁性 |
行程可调型 |
|
|
天工 STNC |
TGC四拉杆气缸、TGU米字形气缸 |
f 32~100mm -5~+70℃ 1~9bar |
可带/不带磁性 |
行程可调型,双出杆,多位置 行程可调型,双出杆 |
|
|
新益 Xinyi |
QSC |
f 32~100mm 1~10bar -10~+60℃ |
可带/不带磁性 |
基本型SD、双活塞型、行程可调型、多位气缸、串联气缸、带阀气缸 |
|
|
永坚 Yongjian |
QGBI |
f 32~125mm |
可带/不带磁性 |
QGBP抗扭转气缸 QGBI-KF带阀气缸 |
f D尺寸: f 32为f 24 f 40为f 30 f 50为f 34 f 63为f 34 f 80为f 39 f 100为f 39 f 125为f 46 |
|
注:以上公司均以开头字母顺序排列。 |
|||||














