|
海德科液压公司伺服液压缸 |
|||||||||||||
|
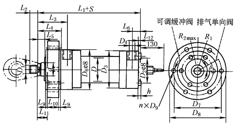
结 构 图 |
|
||||||||||||
|
型 号 意 义 |
|
||||||||||||
|
位 移 传 感 器 技 术 性 能 |
输出型式 |
模拟输出或数字输出均可 |
|||||||||||
|
测量数据 |
位 置 |
||||||||||||
|
输出型式 |
模拟输出 |
数字输出 |
|||||||||||
|
测量范围 |
最小25mm,最长十几米;LS型模拟:25~2540mm,LS型数字:25~3650mm |
||||||||||||
|
分辨率 |
无限(取决于控制器D/A与电源波动) |
一般为0.1mm(最高达0.005mm,需加配MK292界面卡) |
|||||||||||
|
非线性度 |
满量程的±0.02%或±0.05%(以较高者为准) |
||||||||||||
|
滞后 |
<0.02mm |
||||||||||||
|
位置输出 |
0~10V 4~20mA |
开始/停止脉冲(RS422标准) PWM脉宽调制 |
|||||||||||
|
供应电源 |
+24(1±10%)VDC |
||||||||||||
|
耗电量 |
120mA |
100mA;LS型模拟/数字均为100mA |
|||||||||||
|
工作温度 |
电子头:-40~70℃(LH);-40~80℃(LD) 敏感元件:-40~105℃ |
||||||||||||
|
温度系数 |
<15×10-6/℃ |
||||||||||||
|
可调范围 |
5%可调零点及满量程 |
||||||||||||
|
更新时间 |
一般≤3ms |
最快每秒10000次(按量程而变化) 最慢=[量程(in)+3]×9.1μs |
|||||||||||
|
工作压力 |
静态:34.5MPa(5000psi);峰值:69MPa(10000psi);LS型无此项 |
||||||||||||
|
外壳 |
耐压不锈钢;LS型为铝合金外壳,防尘、防污、防洒水,符合美国IP67标准 |
||||||||||||
|
输送电缆 |
带屏蔽七芯2m长电缆 |
||||||||||||
|
外
形
尺
寸 |
|
||||||||||||
|
D |
40 |
50 |
63 |
80 |
100 |
125 |
160 |
180 |
200 |
||||
|
D |
22/28 |
28/36 |
36/45 |
45/56 |
56/70 |
70/90 |
100/110 |
110/125 |
125/140 |
||||
|
L(缓冲长度) |
20 |
20 |
25 |
30 |
35 |
50 |
55 |
65 |
70 |
||||
|
D1 |
Ⅰ型 |
M16×1.5 |
M22×1.5 |
M30×2 |
M36×2 |
M48×2 |
M56×2 |
M80×3 |
M100×3 |
M110×3 |
|||
|
Ⅱ型 |
M16×1.5 |
M22×1.5 |
M28×1.5 |
M35×1.5 |
M45×1.5 |
M58×1.5 |
M80×2 |
M100×2 |
M110×2 |
||||
|
Ⅲ型 |
M18×2 |
M24×2 |
M30×2 |
M39×3 |
M50×3 |
M64×3 |
M90×3 |
M100×3 |
M110×4 |
||||
|
D2 |
50 |
64 |
75 |
95 |
115 |
135 |
180 |
200 |
215 |
||||
|
D3 |
80 |
100 |
120 |
140 |
170 |
205 |
265 |
290 |
315 |
||||
|
D4 |
公制 |
M18×1.5 |
M22×1.5 |
M27×2 |
M27×2 |
M33×2 |
M42×2 |
M42×2 |
M150×2 |
M50×2 |
|||
|
英制 |
G3/8 |
G½ |
G¾ |
G¾ |
G1 |
G1¼ |
G1¼ |
G1½ |
G1½ |
||||
|
D6 |
90 |
110 |
130 |
145 |
175 |
210 |
275 |
300 |
320 |
||||
|
D7 |
108 |
130 |
155 |
170 |
205 |
245 |
325 |
360 |
375 |
||||
|
D8 |
130 |
160 |
185 |
200 |
245 |
295 |
385 |
420 |
445 |
||||
|
D9 |
9.5 |
11.5 |
14 |
14 |
18 |
22 |
26 |
26 |
33 |
||||
|
L1 |
226 |
234 |
262 |
275 |
325 |
382 |
475 |
515 |
540 |
||||
|
L2 |
Ⅰ型 |
22 |
30 |
40 |
50 |
63 |
75 |
95 |
112 |
112 |
|||
|
Ⅱ型 |
16 |
22 |
28 |
35 |
45 |
58 |
80 |
100 |
110 |
||||
|
Ⅲ型 |
30 |
35 |
45 |
55 |
75 |
95 |
120 |
140 |
150 |
||||
|
L3 |
76 |
80 |
89.5 |
87.5 |
112.5 |
129.5 |
160 |
175 |
180 |
||||
|
L4 |
54 |
58 |
67 |
65 |
85 |
97 |
120 |
130 |
135 |
||||
|
L5 |
17 |
20 |
20 |
20 |
30 |
30 |
35 |
35 |
40 |
||||
|
L6 |
32 |
32 |
27.5 |
37.5 |
32.5 |
37.5 |
50 |
50 |
50 |
||||
|
L9 |
5 |
5 |
5 |
5 |
5 |
5 |
10 |
10 |
10 |
||||
|
L10 |
30 |
30 |
35 |
35 |
45 |
50 |
60 |
70 |
75 |
||||
|
L11 |
19 |
23 |
27 |
25 |
35 |
42 |
50 |
50 |
50 |
||||
|
L12 |
5 |
5 |
5 |
5 |
5 |
5 |
10 |
10 |
10 |
||||
|
R2 |
56.5 |
61 |
75.5 |
81.5 |
99 |
113 |
149 |
172.5 |
182.5 |
||||
|
R3 |
53 |
57.5 |
70.5 |
76.5 |
81 |
107 |
139 |
158.5 |
168.5 |
||||
|
β |
30° |
30° |
30° |
30° |
30° |
30° |
45° |
45° |
45° |
||||
|
n |
6 |
6 |
6 |
6 |
6 |
6 |
8 |
8 |
8 |
||||
|
h |
10 |
12.5 |
15 |
15 |
20 |
25 |
30 |
30 |
37.5 |
||||
|
注:位移传感器内置式和一体化结构的部分尺寸未列出,不在表中的尺寸可另咨询 |
|||||||||||||



