|
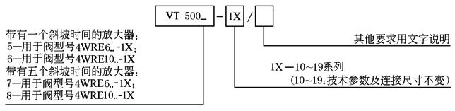
力士乐(REXROTH)VT5005~5008,1X系列电子放大器 |
|||||
|
型 号 意 义 |
|
||||
|
特
点 |
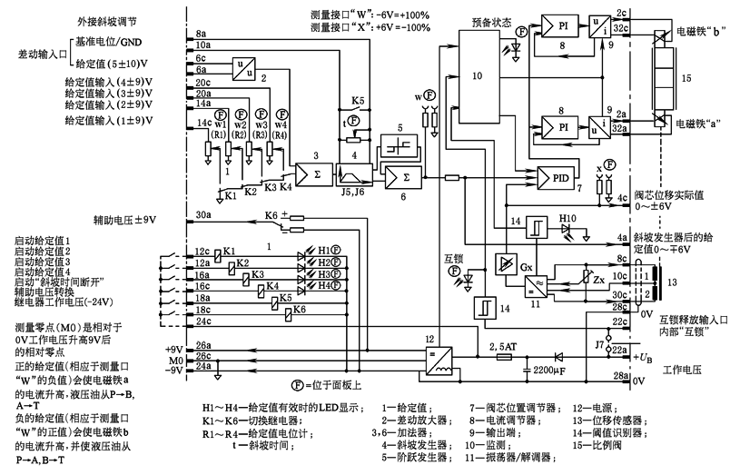
(1)可用于控制带有位移传感器的直控式比例方向阀(4WRE,1系列) (2)带差动输入口 (3)互锁输入口,带LED-显示 (4)LED-显示“预备状态” (5)阶跃发生器 (6)斜坡发生器 (7)五个可以通过电位计调节的斜坡时间(VT5007和VT5008) (8)4个可以通过电位计调节的给定值输入,带LED显示 (9)带有阀芯位置调节器 (10)两个电流脉宽调制输出端 (11)感应位移测量的振荡器及解调器,带有断线识别 (12)电源部分带有错极保护 |
||||
|
技 术 参 数 |
工作电压UB |
24VDC(22~35VDC) |
斜坡时间(调节范围) t |
30ms~约1s或5s(±25%) |
|
|
电流消耗I |
<2A |
电磁铁电流,电阻 |
VT5005,VT5007 |
Imax=1.8(1±20%)A,R20=5.4 |
|
|
功率消耗Ps |
<50V·A |
VT5006,VT5008 |
Imax=2.2(1±20%)A,R20=10 |
||
|
保险 Is |
2.5A |
起始电流 I |
50(1±25%)mA |
||
|
电流实际值IA,IB |
0~2500mA±50mA; R=1k |
振荡器频率 f |
2.5(1±10%)kHz |
||
|
VT5005和VT5006接线图(适用于17系列以后的产品) |
|
||||
|
VT5007和VT5008接线图(适用于17系列以后的产品) |
|
||||



