|
BOSCH单通道/双通道盒式放大器 |
||
|
技 术 性 能 |
应 用 对 象 |
所有不带位移控制的比例阀 |
|
质量/kg |
(单通道/双通道)0.5/0.6 |
|
|
电磁铁电流/功率 |
2.5A/25W |
|
|
输出到比例电磁铁信号 |
脉宽调制信号Imax=2.5A |
|
|
电缆长度及截面尺寸 |
电磁铁 可达65ft(20m)∶18AWG |
|
|
可达130ft(40m)∶14AWG |
||
|
特点 |
输入输出短路保护;PWM输出级;快速充放电,高响应 |
|
|
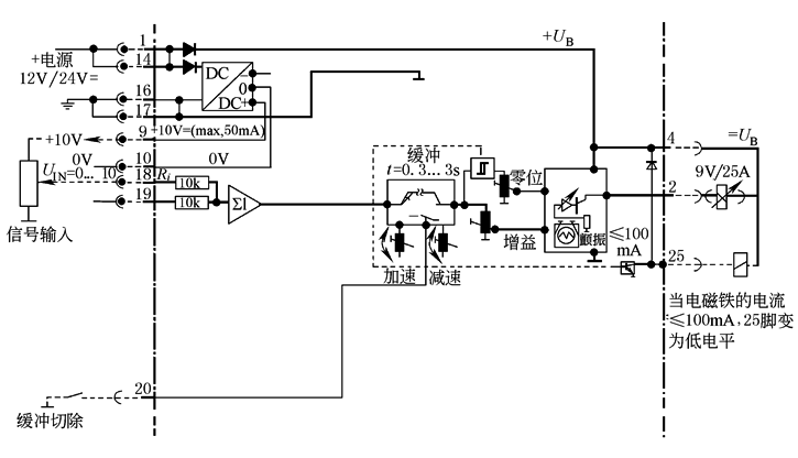
原 理 图 |
|
|

