|
博世力士乐(BoschRexroth)双喷嘴挡板机械(力)和/或电反馈二级伺服阀4WS(E)2EM6-2X、4WS(E)2EM(D)10-5X、4WS(E)2EM(D)16-2X和电反馈三级伺服阀4WSE3EE |
||||||||||||||||||
|
表1 技术性能 |
||||||||||||||||||
|
型号 |
4WS(E)2EM6-2X |
4WS(E)2EM(D)10-5X |
4WS(E)2EM(D)16-2X |
4WSE3EE |
||||||||||||||
|
液压特性 |
额定流量Qn/L·min-1(阀压降Δp=7MPa) |
2,5,10,15,20 |
20,30,45 |
60,75 |
90 |
100 |
150 |
200 |
100,150,200,300, 400,500,700,1000 |
|||||||||
|
工作压力 /MPa |
P,A,B口 |
1~21或1~31.5 |
≤31.5 |
1~21或1~31.5 |
≤31.5 |
|||||||||||||
|
先导X口 |
1~21或1~31.5 |
1~21或1~31.5 |
||||||||||||||||
|
回油压力 /MPa |
T口 |
静态<1,峰值<10 |
内排<10外排<31.5 |
静态<1,峰值<10 |
内排<10外排<31.5 |
|||||||||||||
|
Y口 |
静态<1峰值<10 |
峰值<10 |
||||||||||||||||
|
电器特性 |
额定电流In/mA |
±30 |
±30 |
10V,±10mA |
±50 |
10V±10mA |
±10V,±10mA |
|||||||||||
|
线圈电阻/Ω |
85 |
85 |
85 |
电压控制≥50kΩ 电流控制1kΩ |
||||||||||||||
|
线圈电感H (60Hz,100%In) |
串联 |
1 |
1 |
0.96 |
|
|||||||||||||
|
并联 |
0.25 |
0.25 |
0.24 |
|
||||||||||||||
|
颤振信号 |
频率/Hz |
400 |
400 |
400 |
|
|||||||||||||
|
幅值/%In |
<±3 |
±5 |
±5 |
|
||||||||||||||
|
静 态 特 性 |
反馈系统 |
机械(M) |
机械(M) |
机械与电(D) |
机械(M) |
机械与电(D) |
电(E) |
|||||||||||
|
滞环(加颤振)/%② |
≤1.5(pp=21MPa) |
≤1.5 |
≤0.8 |
≤1.5 |
≤0.8 |
无颤振≤0.2 |
||||||||||||
|
分辨率(加颤振)/%② |
≤0.2(pp=21MPa) |
≤0.3 |
≤0.2 |
≤0.3 |
≤0.2 |
无颤振≤0.1 |
||||||||||||
|
零偏(整个压力范围)/% |
≤3 长期≤5 |
≤3 |
≤2 |
≤3 |
≤2 |
≤2 |
||||||||||||
|
压力增益(阀芯行程变化1%)/%pp① |
≥50 |
≥30 |
≥60 |
≥80 |
≥65 |
≥80 |
≥90 |
≥90 |
||||||||||
|
油压力零漂(工作压力80%~120%pp)/(%/10MPa) |
≤2 |
≤2 |
≤2 |
≤2 |
≤1 |
≤0.7 |
||||||||||||
|
油压力零漂(工作压力0~10%pp)/(%/0.1MPa) |
≤1 |
≤1 |
≤1 |
≤1 |
≤0.5 |
≤0.2 |
||||||||||||
|
油液温度零漂/(%/20℃) |
≤1 |
≤1 |
≤1 |
≤1.5 |
≤1.2 |
≤0.5 |
||||||||||||
|
环境温度零漂/(%/20℃) |
≤1 |
≤2 |
≤1 |
≤0.5 |
≤1 |
|||||||||||||
|
先导阀静耗流量qv/L·min-1② |
≤0.7 |
|
|
|
|
≤0.9 |
≤1.0 |
≤1.4 |
||||||||||
|
零位静耗流量/L·min-1② |
≤1.4 |
≤2.1 |
≤2.6 |
≤2.9 |
≤6.1 |
≤11.3 |
≤18.3 |
≤36 |
||||||||||
|
频率特性及其他 |
幅频宽③/Hz |
>50 |
>40 |
>90 |
>60 |
>100 |
>150 |
|||||||||||
|
相频率③/Hz |
>300 |
>110 |
>150 |
>150 |
>350 |
|
||||||||||||
|
使用环境温度/℃ |
-20~70(不带内置放大器);-20~60(带内置放大器) |
-20~60 |
||||||||||||||||
|
油液温度/℃ |
-20~80(推荐40~50) |
|||||||||||||||||
|
油液黏度/mm2·s-1 |
15~380(推荐30~45) |
|||||||||||||||||
|
工作油液 |
符合DIN51524矿物油ISO4406(C)18/16/13级 |
|||||||||||||||||
|
质量/kg |
1.1 |
3.56 |
3.65 |
10 |
11 |
9 |
20 |
60 |
||||||||||
|
①pp为工作压力。 ②工作压力为21MPa。 ③频率特性是在工作压力31.5MPa,输入信号幅值为额定值的25%,环境温度40℃±5℃,工作介质为HLP,由样本中该系列流量最大的阀得到的。 |
||||||||||||||||||
|
表2 博世力士乐电液伺服阀订货明细及结构原理图 |
|
|
|
①氟橡胶密封适用于符合DIN51524的液压油(HL,HLP)。 |
|
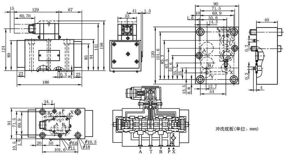
表3 博世力士乐4WSE2EM6-2X伺服阀结构原理,尺寸和主要静、动态性能 |
|
|
|
注:压力单位1bar=0.1MPa。 |
|
表4 博世力士乐伺服阀4WS(E)2EM(D)10尺寸及主要静、动态性能 |
|
电与机械反馈/内置放大器,型号4WSE2ED 10-5X/…
|
|
注:压力单位1bar=0.1MPa |
|
表5 4WS2EM16和4WSE2ED16尺寸及其静、动态性能 |
||
|
元件尺寸 图中虚线4WSE2ED16的尺寸
4WS2EM16结构原理图 (阀芯端部采用小控制面积改善动态性能) 频率响应特性(315bar压力,无流量行程)
工作压力p和输入幅值的频率关系
|
||
|
注:压力单位1bar=0.1MPa。 |
|
表6 博世力士乐电反馈三级电液伺服阀4WSE3EE(16,25,32)静、动态性能 |
|
|
流量-负载特性(公差±10%),100%控制量
|
在恒定阀压差下的流量/输入信号特性的公差范围
|
|
频率响应特性pp=315bar
|
|
|
工作压力和输入幅值在-90°的频率关系
阶跃响应特性
|
|
|
注:压力单位1bar=0.1MPa。 |
|











