|
双喷嘴挡板力反馈式(MOOGD761)和电反馈式电液伺服阀(MOOGD765) |
|
|||||||||
|
表1 技术性能 |
||||||||||
|
工作原理: D761为双喷嘴挡板力反馈二级伺服阀。阀套与阀体之间用密封圈密封,并有偏心销,可调零 D765为双喷嘴挡板电反馈二级伺服阀。内置集成放大器、阀芯位移传感器构成闭环,改善中、小信号静、动态性能
技术性能 |
|
|||||||||
|
型号 |
D761 |
D765 |
型号 |
D761 |
D765 |
|
||||
|
液 压 特 性 |
额定流量Qn(±10%)/L/min,Δpn=7MPa |
标准型 3.8,9.5,19, 38,63 |
标准型 4,10,19, 38,63 |
静 态 特 性 |
阀芯驱动面积/cm2 |
标准阀0.49;高响应阀0.34 |
||||
|
零位静耗流量/L·min-1 |
标准阀1.1~2.0 高响应阀1.4~2.3 |
1.5~2.3
|
||||||||
|
先导级流量(100% 阶跃输入)/L·min-1 |
标准阀0.22 高响应阀0.3 |
0.4
|
||||||||
|
高响应型 3.8,9.5,19,38 |
高响应型 4,10,19,38 |
|||||||||
|
额定供油压力/MPa |
21 |
21 |
零偏 |
<2 |
|
|||||
|
供油压力范围/MPa |
31.5max |
31.5max |
温度零漂/% |
<2(温度每变38℃) |
<1(温度每变38℃) |
|||||
|
电 器 特 性 |
额定电流/mA |
15,40,60 |
0~±10V 0~±10mA |
压力零漂(70~100额定压力)/% |
<2 |
|
||||
|
线圈电阻(单线圈)/Ω |
200,80,60 |
1kΩ |
动 态 特 性 |
频 率 响 应 |
幅频宽/Hz① (-3dB) |
标准阀>85 高响应阀>160 |
标准阀>180 高响应阀>310 |
|||
|
颤振电流/mA |
|
|
||||||||
|
颤振频率/Hz |
|
|
相频率/Hz① (-90°) |
标准阀>120 高响应阀>200 |
标准阀>160 |
|||||
|
静 态 特 性 |
滞环/% |
<3 |
<0.3 |
高响应阀>240 |
||||||
|
分辨率/% |
<0.5 |
<0.1 |
其 他 |
工作介质 |
符合DIN51524标准矿物质液压油 |
|||||
|
非线性度/% |
|
|
油液温度/℃ |
-20~80 |
||||||
|
不对称度/% |
|
|
质量/kg |
1.0 |
1.1 |
|||||
|
D761频率响应曲线 |
D765频率响应曲线 |
|
||||||||
|
|
|
|||||||||
|
D761标准阀 曲线a:Qn=3.8;9.5;19;38L/min 曲线b:Qn=63L/min |
D761高响应阀 曲线a:Qn=3.8;9.5;19L/min 曲线b:Qn=38L/min |
|||||||||
|
① 频率响应数据是根据样本中工作压力21MPa,油温40℃,黏度32mm2·s-1,输入信号±40%,流量38L·min-1实验曲线得到的。 |
||||||||||
|
||||||||||
|
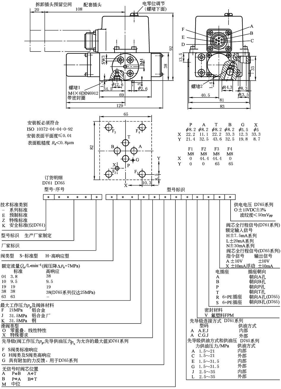
表2 MOOGD761和MOOGD765外形尺寸、安装尺寸及订货明细 |
|
D765系列伺服阀外形和安装尺寸
|




