|
应用示例——塑料注射机系统 |
|||||||
|
塑料注射机(简称塑机)主要用于热塑性塑料(聚苯乙烯、聚乙烯、聚丙烯、尼龙、ABS、聚碳酸酯等)的成型加工。塑料颗粒在注射机的料桶内加热熔化至流动状态,然后以很高的压力和较快的速度注入温度较低的闭合模具内,并保压一段时间,经冷却凝固后,模具打开,顶出缸推杆将制成品从模具中顶出。注射成型具有成型周期快,对各种塑料的加工适应性强,能制造外形复杂、尺寸较精密或带有金属嵌件的制件,以及自动化程度高等优点,得到广泛应用。其成型工艺是一个按预定顺序的周期性动作过程。塑料注射成型机主要由合模部分、注射部分、液压传动及电气控制系统等组成 (1)塑机工艺对液压系统的基本要求 |
|||||||
|
表1 |
|||||||
|
序号 |
机构 |
要求 |
说明 |
||||
|
1 |
合模机构 |
足够的合模力 |
防止模具离缝而产生制品溢边现象 |
||||
|
2 |
启闭模速度的调节 |
缩短空程时间,模具启闭缓冲避免撞击 |
|||||
|
3 |
注射座整体移动 |
注射时足够的推力 |
|
||||
|
4 |
适应3种预塑型式 |
注射座整体移动缸及时动作 |
|||||
|
5 |
注射机构 |
灵活调节注射压力 |
由原料、制品形状、模具浇注系统粗细决定 |
||||
|
6 |
灵活调节注射速度 |
由注射充模行程、工艺条件、模具结构、制品要求决定 |
|||||
|
7 |
保压压力可调 |
使塑料紧贴模腔壁,以获得精确的形状;补充冷固收缩所需塑料,防止充料不足、空洞等弊端 |
|||||
|
8 |
顶出机构 |
足够的顶出力 |
|
||||
|
9 |
平稳可调的顶出速度 |
|
|||||
|
10 |
调模机构 |
调模灵便 |
|
||||
|
(2)近10年来,塑料注射机的产量大幅度增长,其液压系统的构成也不断发生变化。表2汇集了有代表性的几个典型液压系统,反映了塑机向高效率、高精密度、节能、微机控制和高度可靠性方向发展,也从一个侧面反映了液压技术、特别是电液比例控制技术在塑机系统的应用与发展情况 |
|||||||
|
表2 典型塑机液压系统的主要特征 |
|||||||
|
类型 |
速度控制 |
压力控制 |
预塑 |
调模 |
|||
|
多泵 容积调速 |
多泵有级 容积调速 |
电磁溢流阀加远程调压阀实现多级压力切换 |
高速马达齿轮箱减速螺杆预塑,有级变速 |
|
|||
|
单比例阀 |
双联泵加节流调速 |
比例压力阀 |
低速、大扭矩液压马达直接驱动螺杆预塑 |
液压马达驱动 同步调模装置 |
|||
|
压力流量阀 |
压力流量阀,压力、速度无级调节 |
低速、大扭矩液压马达 |
|||||
|
压力流量泵 |
压力流量复合变量泵,压力、速度无级调节 |
直接驱动螺杆预塑,无级变速 |
|||||
|
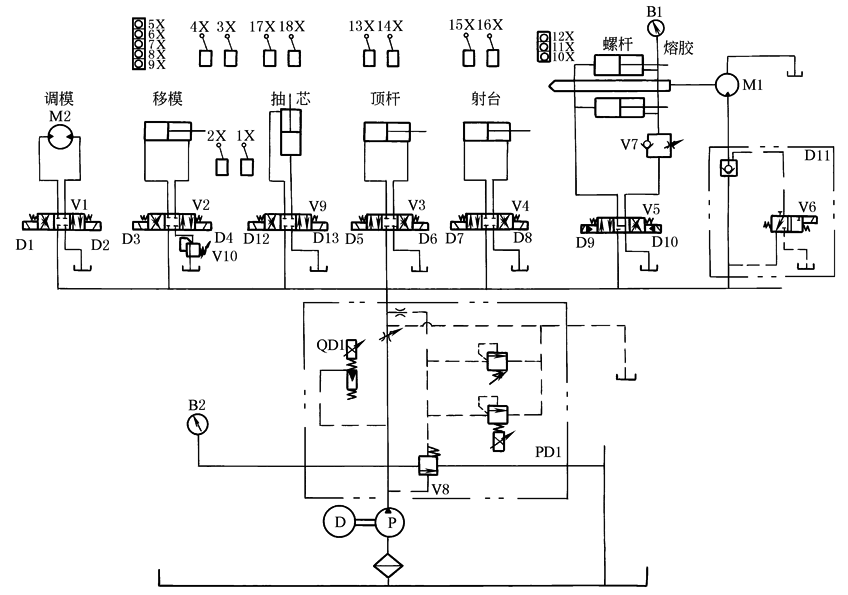
(3)单比例阀型塑机(以宁波通用TF-1600A-Ⅱ塑料注射成型机为例) 1)特点 通过双联叶片泵加节流阀,实现有级速度切换;使用比例压力阀实现各种压力的无级调节;由低速、大扭矩液压马达直接驱动预塑;双缸平行式注射机构;使用液压马达驱动齿轮调模装置,迅速轻便地适应模具厚度的变化;采用五支点双曲轴液压机械式合模机构,增力比大,运动性能好;调节性能优于传统系统;压力和速度的各种不同调节均为数字化 2)液压原理(图1)
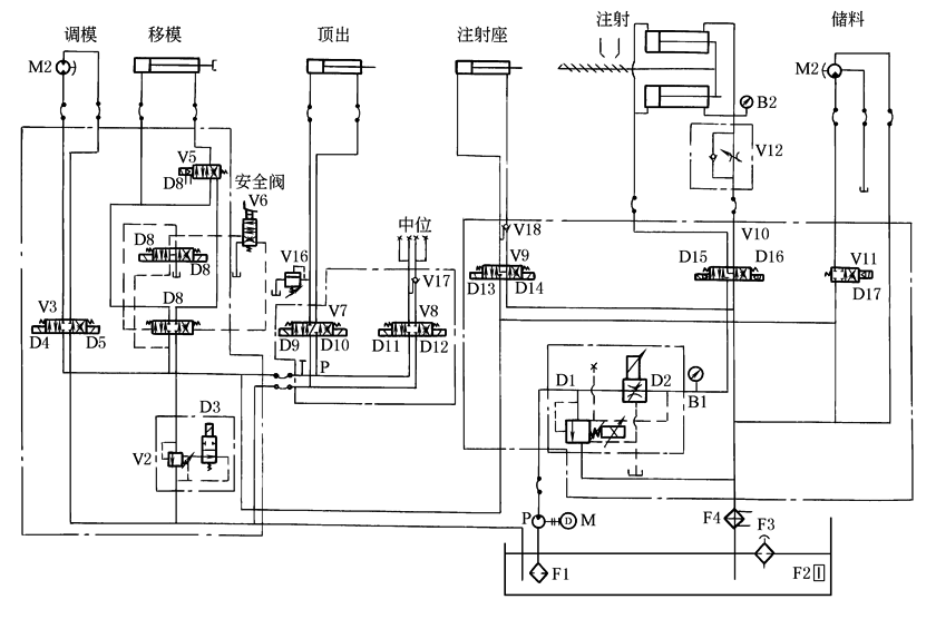
图1 TF-1600A-Ⅱ塑料注射机液压系统 (4)压力流量阀注塑机(以宁波海天HFT150注塑机为例) 1)特点 使用比例压力阀和比例流量阀,供给每一个操作功能所需要的压力与流量;低速、大扭矩液压马达直接驱动预塑,并能无级变速;双缸平行式注射机构;液压马达驱动调模装置,迅速轻便;调节性能和节能效果优于单比例阀系统;压力和速度的各种不同调节均为数字化 2)液压原理(图2)
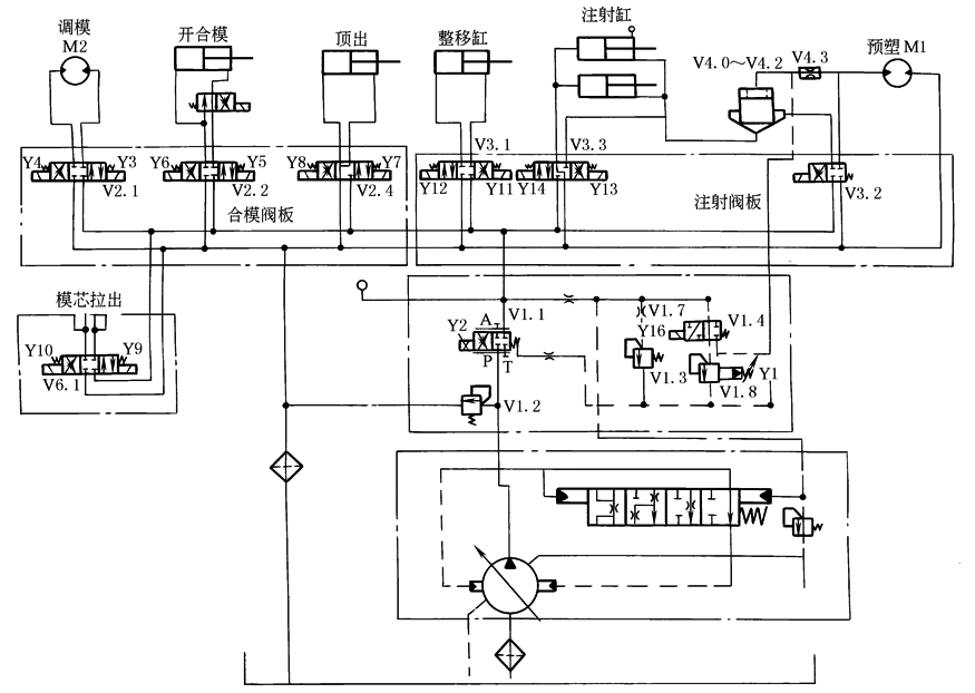
图2 HTF150塑料注射机液压系统 (5)压力流量泵塑机系统(BOSCH公司) 配置压力流量泵的塑机液压系统,与配置压力流量阀的系统相比主要差别在油源部分,具有更好的节能效果
图3 配压力流量泵的塑机液压系统 |
|||||||



