|
四通多路阀的负载补偿与负载适应 |
|
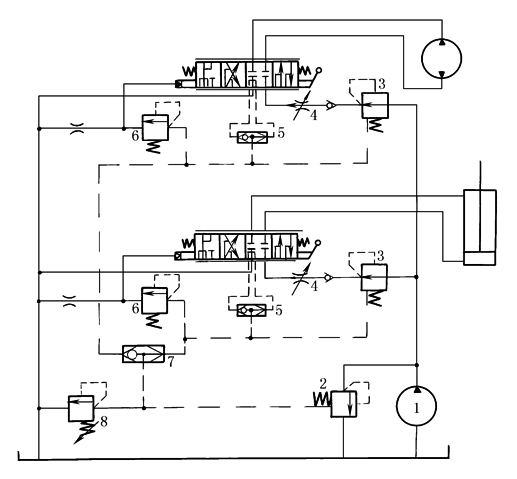
① 从原理上来讲,四通型具有P、A、B、T四个主油口,六通型除了常规的P、A、B、T四个主油口之外,另有P1、C两个油口。目前应用面最广的B类,其主阀是六通型。其余,包括最古老用手柄直接推动(主)阀芯和最新型的电液比例控制在内的A、C、D、E几类都是四通型的 ② 四通型多路阀中位卸荷的原理:所有主阀芯都处于中位时,组合在多路阀中的卸荷阀的先导油路,通过阀体及各个主阀芯端部的小孔道与T口相通,系统卸荷。当任何一主阀芯离开中位时,就切断了先导油路与T口的通道,系统起压。因此,主阀只需要4个主油口 ③ 由节流阀到流量阀:多路阀属于广义流量阀的范畴,从性能的角度看,与一般流量阀一样,可区分为方向节流阀和方向流量阀。而从节流阀转变为流量阀时,与一般方向阀一样,可以通过负载压力补偿或流量检测反馈来实现 ④ 如果不考虑电液控制等新技术,仅考察传统的所谓机液压力补偿机理,如方向流量阀所述,有两种基本的压力补偿器——串联于主油路的二通压力补偿器和并联于主油路的三通压力补偿器。对于单个方向阀而言,这两种补偿器只能选择其中的一种 ⑤ 对于多路阀的应用,则有其特点(参见图1)。对于所谓开中心系统,一个系统中同时使用两种补偿器:二通压力补偿器使单联实现负载压力补偿;三通压力补偿器使系统实现负载适应(各时刻的最高负载联)
图1 多路阀负载压力补偿与负载适应(开中心系统) 对于开中心系统,每一联用定差减压阀3,稳定从减压阀出口到方向节流阀出口之间的压差,调节其间的节流阀4,就可在一定范围内调节该联多路阀阀口压差。定差溢流阀2用来使整个多路阀系统的泵出口压力,始终仅比当时各联中的最高负载压力高出一个定值(定差溢流阀调定值,例如0.5~1MPa),实现负载适应,或称负载敏感控制(见图2)。系统最高压力由阀8限定。在每一联中,阀6用来限制该联负载的最高压力,当超过限压时,阀6打开,在比例节流阀的液压力作用下,换成安全第4位
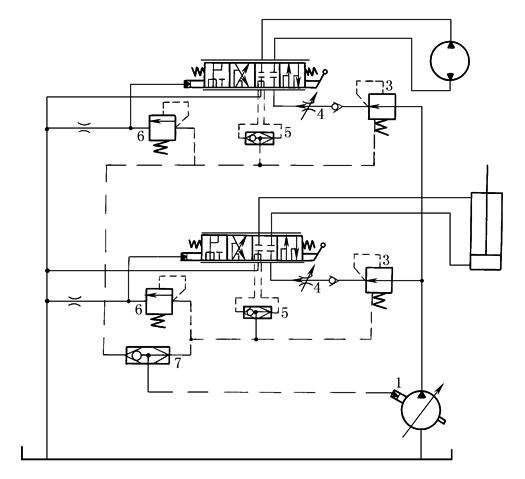
图2 多路阀负载敏感系统压力变化曲线 对于闭中心系统(图3),以变量泵替代开中心系统中的定量泵加定差溢流阀。此处变量泵实际上是恒流变量泵,所谓恒流是指全部流量进入系统,而压力比当时最高联压力高一个定值,所以是比开中心更为节能的负载敏感系统
图3 多路阀负载压力补偿与负载适应(闭中心系统) |



