|
动态特性方程及方块图 |
|||
|
项目 |
简图及特性方程 |
说明 |
|
|
物 理 模 型 |
|
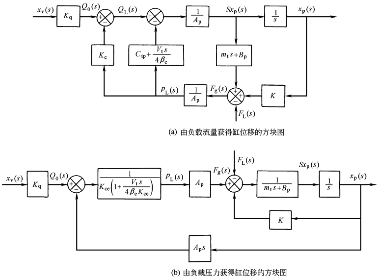
模型中滑阀为正开口阀,并假定: (1)供油压力ps恒定,回油压力pr=0; (2)阀的四个节流窗口配作且对称,采用矩形阀口,阀口处流动为紊流; (3)不考虑管道损失及管道的动态; (4)温度和密度均为常数 滑阀为理想零开口阀时,Q3=Q4=0 QL=(Qip+Qop)/2 Qip=(Q1-Q4),为进入缸的流量 Qop=(Q2-Q3),为从缸流出的流量,m3/s s——拉普拉斯算子,1/s Kq,Kc——工作点处的流量增益、流量-压力系数,见表流量增益、流量-压力系数汇总 xv——滑阀的位移,m xp,Ap——活塞位移、活塞工作面积,单位分别为m,m2 pL=(p1-p2),为负载压力,N/m2 |
|
|
动 态 方 程 |
滑阀的流量方程 |
QL(s)=Kqxv(s)-KcpL(s) |
|
|
活塞腔的连续性方程 |
QL(s)=Apsxp(s)+CtppL(s)+(υt/4βe)spL(s) |
||
|
活塞上的力平衡方程 |
AppL(s)=mts2xp(s)+Bpsxp(s)+Kxp(s)+FL(s) |
||
|
方 块 图 |
p1,p2——缸两腔压力,N/m2 Vt——总容积,Vt=(V1+V2),V1,V2为进油腔、回油腔容积,m3 Ctp——缸的总泄漏系数,Ctp=(Cip+Cep/2),m5/N·s Cip,Cep——缸的内、外泄漏系数,m5/N·s βe——液体的有效容积弹性模数,N/m2 mt——活塞、油液及负载等效到活塞上的总质量,kg Bp——活塞及负载的黏性阻尼系数,N·s/m K——负载的弹簧刚度,N/m KL——作用在活塞上的外负载力,N |
||


