|
液压控制系统与液压传动系统的比较 |
||
|
项目 |
液压传动系统 |
液压控制系统 |
|
系统 组成 |
(a)节流调速系统
(b)容积调速系统 1—溢流阀;2—换向阀;3—调速阀;4—手动变量泵 |
(c)节流式速度控制系统
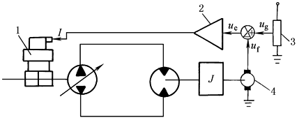
(d)容积式速度控制系统 1—伺服阀;2—伺服放大器;3—指令电位器;4—测速机 |
|
系统 功能 |
只能实现手动调速、加载和顺序控制等功能。难以实现任意规律、连续的速度调节 |
可利用各种物理量的传感器对被控制量进行检测和反馈,从而实现位置、速度、加速度、力和压力等各种物理量的自动控制 |
|
控制 元件 |
采用调速阀或变量泵手动调节流量 |
采用伺服阀自动调节流量,伺服阀起到传动系统中的换向阀和流量控制阀的作用 |
|
工作 原理 |
传动系统是开环系统,被控制量与控制量之间无联系。控制量是流量控制阀的开度或变量泵的调节参数(偏角或偏心),被控制量是执行机构的速度。对被控制量不进行检测,系统没有修正执行机构偏差的能力。控制精度取决于元件的性能和系统整定的精度,控制精度较差,但调整简单。开环系统无反馈,因而不存在矫枉过正问题,即不存在稳定性问题,所以传动系统的调整容易 |
控制系统是闭环系统,可以对被控制量进行检测并加以反馈。系统按偏差调节原理工作,并按偏差信号的方向和大小进行自动调整,即不管系统的扰动量和主路元件的参数如何变化,只要被控制量的实际值偏离希望值,系统便按偏差信号的方向和大小进行自动调整。控制系统有反馈,具有抗干扰能力,因而控制精度高;但也存在矫枉过正带来的稳定性问题。所以要求较高的设计和调整技术 |
|
工作 任务 |
驱动、调速 |
要求被控制量能自动、稳定、快速、准确地复现指令的变化 |
|
性能 指标 |
侧重于静态特性,主要性能指标有调速范围、低速平稳性、速度刚度和效率 特殊需要时才研究动态特性 |
性能指标包括稳态性能指标和动态性能指标 动态性能指标指超调、振荡次数、过渡过程时间等;稳态性能指标指稳态误差 |
|
工作 特点 |
(1)驱动力、转矩和功率大 (2)易于实现直线运动 (3)易于实现速度调节和力调节 (4)运动平稳、快速 (5)单位功率的质量小、尺寸小。例如A4VSO系列柱塞泵1500r/min时单位功率质量比的平均值为0.85kg/kW,同功率及转速的Y型电机为8.44kg/kW (6)过载保护简单 (7)液压蓄能方便 |
除液压传动特点外,还有如下特点: (1)响应速度高 (2)控制精度高 (3)稳定性容易保证 |
|
应用 范围 |
要求实现驱动、换向、调速及顺序控制的场合 |
要求实现位置、速度、加速度、力或压力等各种物理量的自动控制场合 |




