|
UP液压动力包 |
|
UP液压动力包UP系列液压动力包(以下简称UP液压包)是一种用螺纹插装阀块把电动机、泵、阀、油箱紧凑地连接在一起的微型液压动力源。与同规格的常规液压站相比,结构紧凑,体积小,重量轻。UP液压包作为小型液压缸,液压马达的动力源,现已广泛应用于我国的工程机械、医疗、环保、液压机具、升降平台、自动化设备等行业 UP液压包最高工作压力25MPa;流量范围0.22~22L/min;有交流单相220V、三相380V,直流24V和12V共4种电源几十种规格的电动机;有6种标准回路和可以自由扩展的多种回路;有卧式、立式、挂式三种安装方式;油箱容积3~30L,9种规格的油箱;增压器最高输出压力200MPa。 液压包的核心是一个150mm×150mm×50mm的矩形插装阀块。在阀块的两个150mm×150mm大平面上一端固定着电动机,另一端固定着齿轮泵和油箱,电动机通过联轴器带动齿轮泵,齿轮泵输出的压力油从油泵前盖出油口直接进入阀块。溢流阀、单向阀、换向阀等都直接插装在阀块侧面上,通过阀块内部油道相连,进出油口P、T,板式阀座孔P、T、A、B,压力表接口G,固定安装孔也都开在阀块的侧面上。吸油滤油器固定在油泵后盖的吸油口上。油泵、滤油器被封闭在油箱内,油箱有加油口和放油口。UP液压包由天津优瑞纳斯油缸有限公司生产 (1) 型号意义
注:1.液压包电动机计算功率P(kW)=0.02×最大工作压力(MPa)×最大流量(L/min) 2.当选用直流电动机时,其每次通电连续运转不得超过2min。 标记示例 ① 20MPa、1.54L/min、220V单相交流电机、10回路立式12L油箱带压力表的液压包,标记为 UP20×1.54A10L12B ② 8MPa、1.4L/min、12V直流电机、11e回路常闭二通电磁阀带回油恒速阀、两通电磁阀操纵电压直流12V,卧式3L油箱的液压包,标记为 UP8×1.4D11eW3 ③ 20MPa、2.24L/min、380V三相交流电机22回路;第1阀组:O型机能三位四通弹簧复位电磁换向阀叠加双路单向节流阀;第2阀组:Y型机能三位四通弹簧复位电磁换向阀叠加双路液控单向阀;第3阀组:C1型钢球定位二位四通手动换向阀。电磁阀操纵电压交流220V、立式12L油箱带压力表的液压包,标记为 UP20×2.24B22(Ol7+Ya9+C1QS)L12B (2) 技术规格 |
|
表1 液压包常用标准回路 |
||
|
名称 |
原 理 图 |
工 作 原 理 |
|
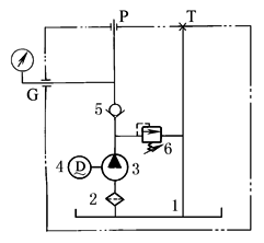
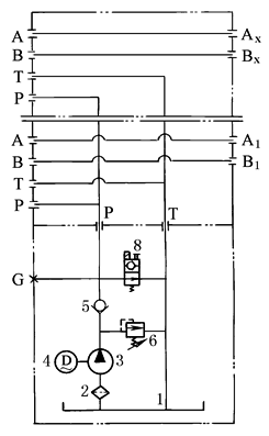
10 回 路 |
|
基本型回路。常作为外接阀组的液压源,也可直接带动单向液压马达 电动机4带动齿轮泵3转动,经过网式滤油器2过滤后,将油箱1中的工作介质吸入泵内。被齿轮泵增压的工作介质经单向阀5从压力油口(P口)输出。经用户外接阀组到执行元件,如液压马达液压缸等,工作后的介质,经回油口(T口)返回油箱。6是可调节的螺纹插装溢流阀,用于调定系统压力。当执行元件工作压力达到溢流阀调定的额定压力时,压力介质会从溢流阀返回油箱,使系统压力保持在额定压力调定值,不再升高,起到安全保护作用。当齿轮泵停止工作时,螺纹插装单向阀5防止执行元件内的压力介质经泵和溢流阀返回油箱,起到保压和保护泵的双重作用 |
|
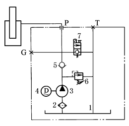
11 回 路 |
|
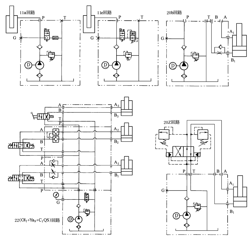
单作用常闭式基本型回路。是在10回路基础上增加了一个无泄漏的常闭式螺纹插装二通电磁换向阀7。本回路适用于短时间工作,较长时间保压的工况,例如举升重物用单作用液压缸。电机带负载启动,液压缸举升动作完成后即关闭电机。由于回路中采用的是无泄漏常闭式螺纹插装二通阀和单向阀,所以只要液压缸和管道无泄漏,柱塞就不会出现沉降。在需要柱塞下降时,只要使二通阀换向,就可使液压缸内工作介质经二通阀流回油箱,使柱塞复位。二通阀换向可选择电动,也可选择手动,或者电动带手动调整。在阀块的侧面,压力油口P旁开有备用回油口T,当双作用缸只使用一腔工作时,该油口可作为另一腔的泄漏油口或呼吸油口 |
|
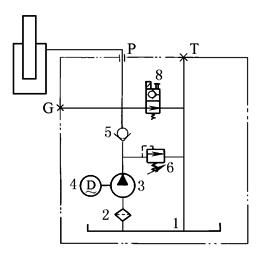
12 回 路 |
|
二通常开式基本回路。本回路只是将11回路中的常闭式二通阀7改为常闭式二通阀8,适用于长时间连续频繁升降,并需要短时保压的工况。电动机4空载启动,二通阀8换向,压力油进入液压缸。液压缸举升动作完成后,如需保压,只要二通阀8不复位,即使液压缸有轻微泄露,也可继续保压,压力油经溢流阀6回油箱。但这种保压方式不能时间太久,否则介质会很快发热。二通阀8复位后,液压缸内介质经二通阀8流回油箱,柱塞复位。本回路也适用于弹簧回程的柱塞缸压力机 |
|
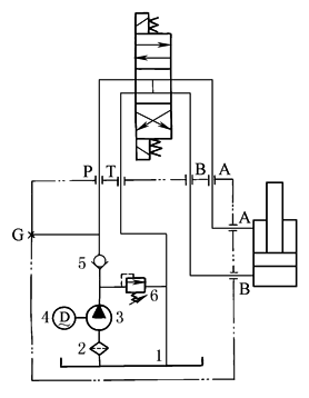
20 回 路 |
|
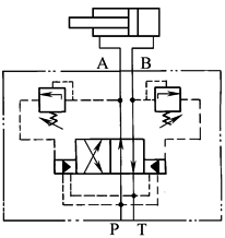
单个四通阀基本型回路。本回路是在10回路基础上,在插装阀块上增加了一个板式换向阀座孔。可将板式阀直接安装在阀块侧面上。因此本回路必须加装一个板式换向阀,才能使用。本回路常用于工作时间短,停止时间长,电机断续运转的工况。如需要电机长时间连续运转时,必须选用中立位置PT口接通的M型、H型等三位四通换向阀。这几种换向阀在中立位置时,使电机转动时不带负载,压力介质直接回油箱,不会造成系统的发热和能源的浪费。本回路常用于双作用液压缸。电机启动,换向阀换向后,压力介质从P口经换向阀进入液压缸A腔。B腔的压力介质经T口回油箱。换向阀换向后,压力介质进入B腔,A腔介质回油箱,实现液压缸的往复运动。如果需要,还可以在阀块上叠加、插装、串联各种功能的阀,组成各种扩展液压回路 |
|
21 回 路 |
|
适用操纵多个执行元件。21回路由于无卸荷阀,常用于工作时间短,停止时间长的工况 21回路所有阀件都安装在一块过渡垫板上,该垫板固定在液压包阀块的侧面,油路与阀块相通 由于21回路中阀件较多,在选型时按顺序分组标示,最好能提供所需要的液压原理图 |
|
22 回 路 |
|
适用操纵多个执行元件。带电磁卸荷阀的22回路常用于频繁换向,长时间开机的工况,泵出的压力介质通过常开的二通电磁换向阀8直接流回油箱,电机空载运转,既不浪费能源也不会导致系统发热。当系统需要压力时,使换向阀8电磁铁带电,截断压力油回油路,系统建压 22回路所有阀件都安装在一块过渡垫板上,该垫板固定在液压包阀块的侧面,油路与阀块相通 由于22回路中阀件较多,在选型时按顺序分组标示,最好能提供所需要的液压原理图 |
|
表2 液压包扩展回路 |
||||||||||
|
扩 展 回 路 阀 符 号 |
a |
固定节流阀 |
b |
单向固定节流阀 |
c |
单向可调节流阀 |
d |
液控单向阀 |
Z |
板式液控自动换向阀 |
|
e |
恒速阀 |
f |
可调节流阀 |
g |
调速阀 |
h |
同步阀 |
|||
|
扩 展 回 路 液 压 原 理 图 示 例 |
在阀块上插装各种液压阀或串联各种管式阀、板式阀,可以组成多种扩展回路,见下图。例如:11a回路可以实现重载荷柱塞缸的慢速下降。常用于载荷不变或变化较小的工况。插装恒速阀的11e回路,在工作载荷范围内,无论载荷怎样变化,都能确保柱塞缸的下降速度不变。常作为叉车的货物升降回路
|
|||||||||
|
带增压器的液压包 |
|
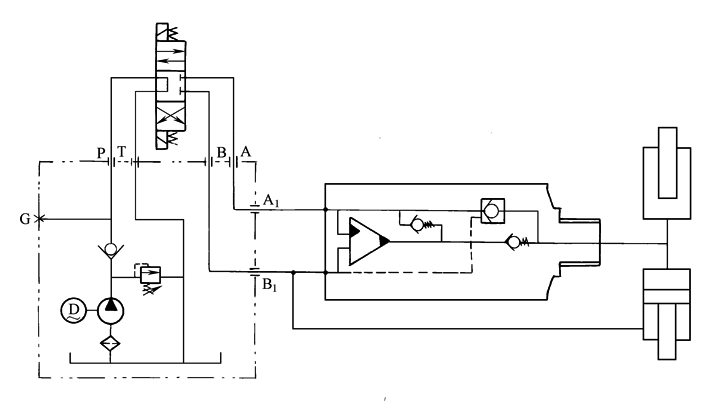
液压包用二位或三位四通换向阀向增压器供油,经增压器增压后,连续输出高压油。常用于柱塞缸、弹簧复位缸和单腔高压的双作用缸,其原理图见图1。标准增压器比为5∶1,输出流量是输入流量的10%,最高输出压力为80MPa。非标增压器有11种增压比,从1.2∶1到20∶1;最大输入/输出流量为70/9L/min;最高输出压力为200MPa;还可提供双路增压器,用于两腔都需高压油的双作用液压缸 增压器的优点:输出压力可调;连续输出压力介质;带无泄漏液控单向阀;常压时由初级回路直接供油,高压时才由增压器供油,既可提高效率,又能节省能源;由于采用初级常压回路控制,因此故障率极小,性能可靠,使用寿命长
图1 带增压器的液压包原理 |
|
表3 液压包专用齿轮泵的排量与压力 |
||||||||||||||||
|
排量/mL·r-1 |
0.16 |
0.24 |
0.45 |
0.56 |
0.75 |
0.92 |
1.1 |
1.6 |
2.1 |
2.6 |
3.2 |
3.7 |
4.2 |
4.8 |
5.8 |
7.9 |
|
公称压力/MPa |
17 |
21 |
20 |
18 |
17 |
15 |
||||||||||
|
峰值压力/MPa |
20 |
25 |
24 |
22 |
21 |
19 |
||||||||||
|
注:系统调定压力不得大于泵公称压力。 |
||||||||||||||||
|
液压包专用电动机 |
|||||||||
|
表4 单相交流电源220V 50Hz |
|||||||||
|
型 号 |
4L/0.55 |
4L/0.75 |
4L/1.1 |
4L/1.5 |
4L/2.2 |
2L/0.75 |
2L/1.1 |
2L/1.5 |
2L/2.2 |
|
功率/kW |
0.55 |
0.75 |
1.1 |
1.5 |
2.2 |
0.75 |
1.1 |
1.5 |
2.2 |
|
转速/r·min-1 |
1400 |
2800 |
|||||||
|
f/mm |
165 |
165 |
185 |
185 |
165 |
165 |
185 |
185 |
|
|
H/mm |
120 |
120 |
130 |
130 |
120 |
120 |
130 |
130 |
|
|
L/mm |
275 |
275 |
280 |
310 |
345 |
275 |
275 |
280 |
310 |
|
质量/kg |
13.5 |
14.5 |
18 |
22 |
26 |
13.5 |
14.5 |
18 |
22 |
|
表5 三相交流电源380V 50Hz |
||||||||||||
|
型 号 |
4S/0.55 |
4S/0.75 |
4S/1.1 |
4S/1.5 |
2S/0.75 |
2S/1.1 |
2S/1.5 |
2S/2.2 |
4Y/2.2 |
4Y/3.0 |
4Y/4.0 |
|
|
功率/kW |
0.55 |
0.75 |
1.1 |
1.5 |
0.75 |
1.1 |
1.5 |
2.2 |
2.2 |
3.0 |
4.0 |
|
|
转速/r·min-1 |
1400① |
2800 |
1420 |
1440 |
||||||||
|
f/mm |
165 |
165 |
180 |
180 |
152 |
165 |
165 |
185 |
185 |
220 |
220 |
240 |
|
H/mm |
120 |
120 |
130 |
130 |
110 |
120 |
120 |
130 |
130 |
180 |
180 |
190 |
|
L/mm |
275 |
275 |
280 |
305 |
230 |
275 |
275 |
280 |
305 |
370 |
370 |
380 |
|
质量/kg |
13.5 |
14.5 |
18 |
21 |
16 |
13.5 |
14.5 |
18 |
21 |
34 |
38.5 |
44 |
|
①汽车举升机专用电动机。 |
||||||||||||
|
表6 直流电源24V |
|
表7 直流电源12V |
|||||||||||
|
型 号 |
C0.3 |
C0.5 |
C0.8 |
C1.2 |
C2.0 |
C3.0 |
型 号 |
D0.3 |
D0.5 |
D0.8 |
D1.5 |
D2.0 |
|
|
功率/kW |
0.3 |
0.5 |
0.8 |
1.2 |
2.0 |
3.0 |
功率/kW |
0.3 |
0.5 |
0.8 |
1.5 |
2.0 |
|
|
转速/r·min-1 |
3500~2000 |
转速/r·min-1 |
4000~2300 |
||||||||||
|
f/mm |
89 |
130 |
115 |
130 |
f/mm |
89 |
130 |
115 |
130 |
||||
|
L/mm |
160 |
180 |
170 |
180 |
L/mm |
160 |
180 |
170 |
180 |
||||
|
质量/kg |
3.1 |
8.5 |
6.5 |
8.5 |
质量/kg |
3.1 |
8.5 |
6.5 |
8.5 |
||||
|
UP系列液压包共有四种电源的电动机可供选用,在确定系统压力、流量及电动机电源时应注意以下要点 1) 液压包电动机功率P(kW)=0.02×系统最高压力p(MPa)×系统最大流量Q(L/min),当P大于表中所列最大电动机功率时,已超出UP系列液压动力包供货范围,可选用该公司UZ系列微型液压站 2) 直流电动机的转速与工作压力成反比,其变化范围大约在3500~2000r/min之间。其平均流量近似值按2500r/min计算。直流电动机每次通电连续运转时间不得超过2min 3) 一般情况下用户只提供系统最高压力、最大流量数值和电源种类。泵和电动机规格由供方确定。为节省投资和能源,应在确定压力和流量参数时,尽量符合实际使用工况,不要过大或过小 |
|
液压包专用油箱 |
||||||||||||||||||||||||||||||||||||||||||||||||||
|
|
|||||||||||||||||||||||||||||||||||||||||||||||||
|
选择油箱时要考虑以下两个因素,综合比较后,选定恰当的油箱容积 1) 系统流量:油箱容积一般是系统流量的1~4倍,系统工作频率低,则系数小;频率高则系数大。系统周围的环境温度低,系数小;环境温度高,散热条件不好,则系数要大 2) 液压缸缸杆伸出时需要的补充油量:油箱容积至少为液压缸所需补充油量的1.2~2倍。油箱容积及安装方式:UP系列液压包有三种安装方式,即W(卧式)、L(立式)、G(挂式)。其标注方式为安装方式字母代号和容积升数。例如:20L容积的立式油箱油标为L20 在第一次安装调试时,要注意保持油箱内油位。尤其是在液压缸较大,油箱较小的情况下,首先要使活塞杆缩回,然后使液压缸充满油,并使油箱保持较高油位 |
|
板式换向阀(f6mm通径) |
|||
|
表10 |
|||
|
滑
阀
机
能 |
二位四通换向阀符号及标记 |
三位四通换向阀符号及标记 |
|
|
定 位 方 式 |
弹 簧 复 位 |
无标记 |
无标记 |
|
钢 球 定 位 |
Q |
Q |
|
|
操 纵 方 式 |
电 磁 换 向 |
A、B、C、D之一 |
A、B、C、D之一 |
|
手 动 换 向 |
S |
|
|
|
注:方向阀操纵方式:方向阀有许多种操纵方式,本表只列出电动和手动两种常用方式。如选用电动方式,当电磁阀与电机电源相同时,无须再标记。220V电磁铁与380V电机电源相同,也无须标记。如需要本表以外的其他操纵方式,请用X字母表示,并加以文字或图示说明。本项所指方向阀包括二通球阀和外加板式换向阀,如需要带手动调整的电磁阀,应加注S,如AS、BS、CS、DS |
|||
|
叠加阀(f6mm通径) |
|
表11 |
|
|
|
工作介质及工作条件:工作介质,建议采用黏度为(2.5~4)×10-5m2/s的抗磨液压油、透平油、机油等矿物油。油液清洁度应达到NAS 1638—9级或ISO 4406—19/15级以上。工作介质温度应控制在15~60℃范围内。如用户需要使用特殊工作介质和较高、较低的工作温度时应在订货时说明 |
|
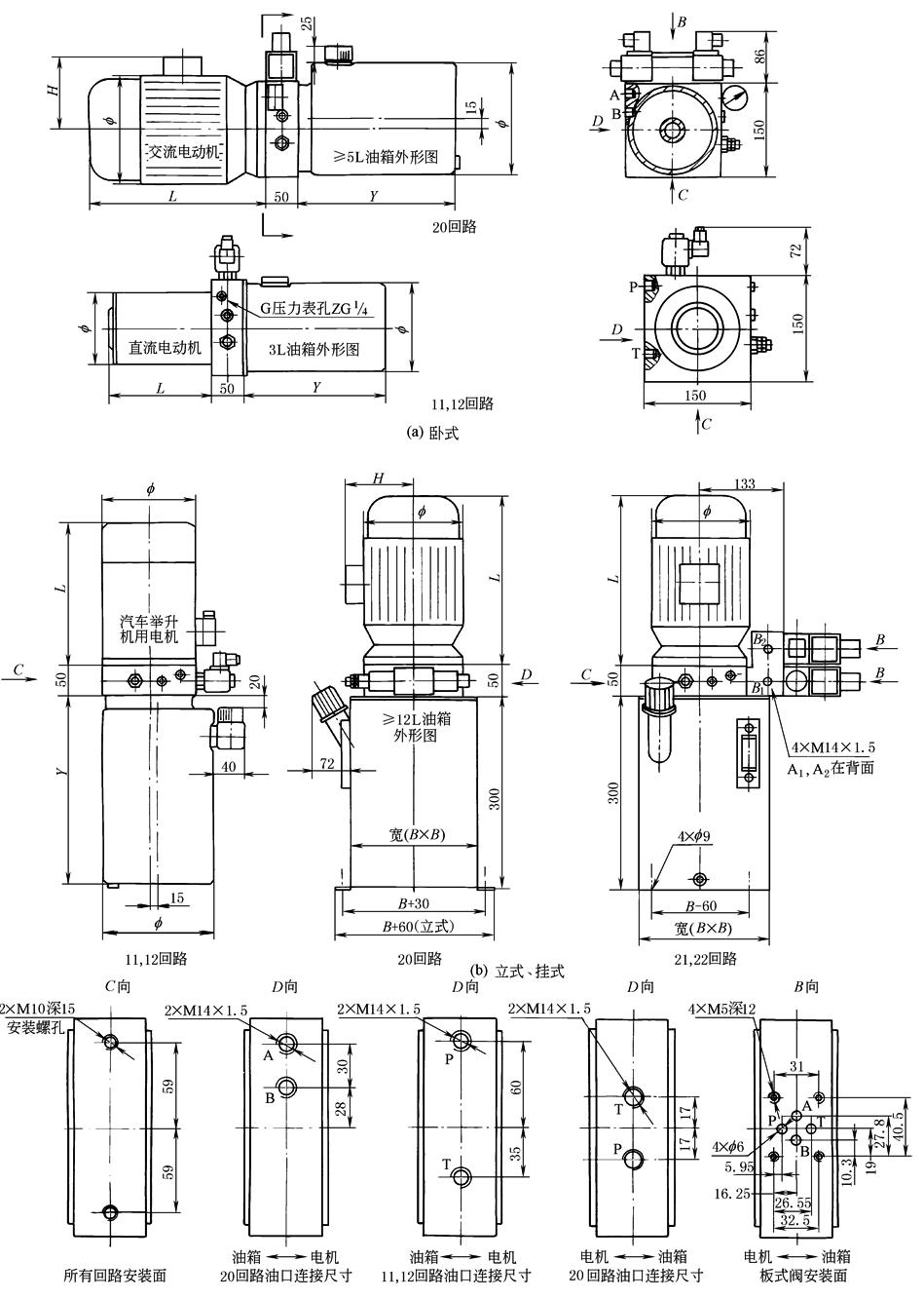
(3) 外形尺寸 |
|
液压包的安装方式有卧式、立式和挂式三种 卧式液压包(W)是用阀块将电机和油箱左右连接在一起。安装时用阀块C向侧面的2个M10深15mm的安装螺孔将其固定。卧式油箱有3L、5L、7.5L和10L四种容积 立式液压包(L)是用阀块将电机和油箱上下连接在一起,安装时用油箱底脚的4个f 9mm通孔将其固定。立式油箱有12L、16L、20L、25L、30L5种容积。不随机移动的立式液压包也可直接放置在平整的地板上 挂式液压包(G)是利用阀块C向侧面的2个M10深15mm的安装螺孔将卧式和立式液压包悬挂起来的安装型式。卧挂式油箱是将卧式油箱直油口更换成90°油口,使油箱油口保持向上,并高于油液平面;立挂式油箱是立式油箱不带安装底脚。其余外形及尺寸与卧式和立式完全相同 参照液压原理图,用清洁的管路、接头把液压包油口与执行元件正确连接起来
图2 液压包外形(图中f 、H、L、B、Y尺寸见表4~表9) |




















