|
油箱(引进力士乐技术产品) |
|
型号意义:
注:AB40-33为不带支撑脚的矩形油箱,AB40-30为带管支撑脚的矩形油箱;其型号标记意义除AB标准处必须分别代之AB40-33或AB40-30外,其他均相同 油箱的规格参数见表1~表4 带支撑脚的矩形油箱
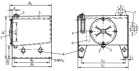
1—清洗用盖;2—放油螺塞;3—注油/滤清器(RE31020);4—液面指示器;5—盛油槽; 6—用于规格1000的第二个液面指示器;7—运输用吊环,根据需要;8—起吊用孔(标准型) |
|
表1 mm |
|||||||||||||||
|
规格 |
质量/kg |
工作 容量 /L |
工作 容积 /L |
A |
B1 |
B2±1 |
B4 |
|
D2 |
H1 |
L1±2 |
L2±1 |
L3 |
T |
|
|
标准型 |
重型 |
||||||||||||||
|
60 |
55 |
95 |
66 |
20 |
50 |
463 |
415 |
499 |
220 |
14 |
500 |
600 |
520 |
60 |
R1 |
|
120 |
75 |
140 |
125 |
25.5 |
75 |
510 |
460 |
546 |
350 |
14 |
600 |
760 |
680 |
60 |
R1 |
|
250 |
135 |
225 |
250 |
46 |
75 |
620 |
570 |
656 |
350 |
14 |
670 |
1010 |
912 |
70 |
R1 |
|
350 |
175 |
300 |
375 |
56 |
90 |
764 |
650 |
800 |
465 |
14 |
750 |
1014 |
914 |
70 |
R1½ |
|
500 |
280 |
415 |
540 |
84 |
90 |
766 |
650 |
802 |
465 |
14 |
750 |
1516 |
1416 |
70 |
R1½ |
|
800 |
385 |
630 |
830 |
127 |
90 |
866 |
750 |
902 |
465 |
23 |
750 |
2000 |
1900 |
70 |
R1½ |
|
1000 |
435 |
820 |
1100 |
320 |
90 |
866 |
750 |
902 |
465 |
23 |
900 |
2000 |
1900 |
70 |
R1½ |
|
不带支撑脚的矩形油箱外形尺寸 |
|||||||||||||||||
|
1—清洗用盖;2—放油螺塞;3—注油/滤清器;4—液面指示器(规格60~800);5—盛油槽;6—支撑用孔(标准型) |
|||||||||||||||||
|
表2 mm |
|||||||||||||||||
|
规格 |
质量/kg |
工作 容量 /L |
工作 容积 /L |
A |
B1±1 |
B2±2 |
B3 |
|
D2 |
E1 |
E2 |
H1 |
L1±1 |
L2±1 |
L3±1 |
T |
|
|
标准型 |
重型 |
||||||||||||||||
|
60 |
55 |
90 |
75 |
20 |
50 |
463 |
415 |
495 |
220 |
14 |
60 |
60 |
360 |
600 |
690 |
740 |
1″BSP |
|
120 |
75 |
135 |
141 |
28 |
75 |
510 |
460 |
540 |
350 |
14 |
60 |
60 |
460 |
760 |
850 |
900 |
1″BSP |
|
250 |
135 |
220 |
265 |
46 |
75 |
620 |
570 |
650 |
350 |
14 |
60 |
60 |
530 |
1010 |
1102 |
1150 |
1″BSP |
|
350 |
165 |
275 |
388 |
57 |
90 |
764 |
650 |
800 |
465 |
14 |
60 |
60 |
610 |
1014 |
1104 |
1154 |
1″BSP |
|
500 |
265 |
385 |
578 |
84 |
90 |
766 |
650 |
805 |
465 |
14 |
60 |
60 |
610 |
1516 |
1606 |
1656 |
1½″BSP |
|
800 |
370 |
615 |
889 |
127 |
90 |
866 |
750 |
900 |
465 |
14 |
150 |
150 |
610 |
2000 |
2090 |
2140 |
1½″BSP |
|
1000 |
430 |
— |
1166 |
— |
90 |
760 |
650 |
920 |
500 |
23 |
150 |
150 |
815 |
2200 |
2290 |
2340 |
1½″BSP |
|
1500 |
510 |
— |
1676 |
— |
90 |
860 |
750 |
920 |
500 |
23 |
150 |
150 |
1000 |
2200 |
2290 |
2340 |
1½″BSP |
|
2000 |
590 |
— |
2086 |
— |
90 |
860 |
750 |
920 |
500 |
23 |
150 |
150 |
1250 |
2200 |
2290 |
2340 |
1½″BSP |
|
型号意义:
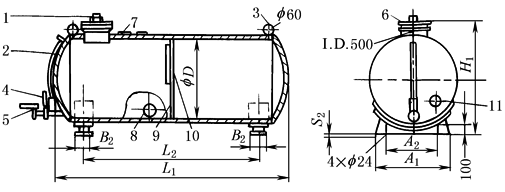
筒形油箱
1—注油/通气滤器3″;2—液面指示器;3—运输用吊环;4—龙头;5—放油龙头2″;6—清洗用盖任选; 7—泄油口1″;8—温度计连接口1/2″;9—清洗用孔;10—挡板,任选;11—测试点1/2″ |
|||||||||||
|
表3 mm |
|||||||||||
|
规 格 |
质量/kg |
A1 |
A2 |
B2 |
D |
H1 |
L1 |
L2 |
S2 |
DIN 6608 |
DIN 6616 |
|
1000 |
165 |
750 |
600 |
150 |
1000 |
1220 |
1510 |
765 |
8~10 |
× |
|
|
1500 |
218 |
2050 |
1400 |
|
|
||||||
|
2000 |
260 |
950 |
800 |
1250 |
1470 |
1830 |
1100 |
|
|
||
|
3000 |
355 |
2740 |
1920 |
× |
|
||||||
|
4000 |
587 |
3490 |
2740 |
|
|
||||||
|
4000 |
628 |
1200 |
1050 |
300 |
1600 |
1820 |
2230 |
1280 |
10~12 |
|
|
|
5000 |
740 |
2820 |
1770 |
|
× |
||||||
|
6000 |
846 |
3250 |
2250 |
|
|
||||||
|
7000 |
930 |
3740 |
2770 |
|
× |
||||||
|
10000 |
1250 |
5350 |
4290 |
|
× |
||||||
|
13000 |
1560 |
1150 |
1000 |
475 |
6960 |
5625 |
|
|
|||
|
16000 |
2060 |
1750 |
1600 |
550 |
2000 |
2220 |
5550 |
4210 |
|
|
|
|
20000 |
2420 |
6960 |
5395 |
|
|
||||||
|
表4 筒形油箱不同液位的容量 |
|||||||||||||
|
规格 |
1000 |
1500 |
2000 |
3000 |
4000 |
4000 |
5000 |
6000 |
7000 |
10000 |
13000 |
16000 |
20000 |
|
D |
1000 |
1250 |
1600 |
2000 |
|||||||||
|
H |
与H有关的容积V/L |
||||||||||||
|
2000 |
|
|
|
|
|
|
|
16330 |
20760 |
||||
|
1800 |
|
|
|
|
|
|
15530 |
19730 |
|||||
|
1600 |
4000 |
5170 |
6025 |
7000 |
10195 |
13430 |
14150 |
17880 |
|||||
|
1500 |
3865 |
5010 |
5840 |
6790 |
9910 |
13120 |
13215 |
16780 |
|||||
|
1400 |
3715 |
4800 |
5590 |
6485 |
9440 |
12430 |
12285 |
15600 |
|||||
|
1300 |
3500 |
4515 |
5260 |
6100 |
8875 |
11690 |
11300 |
14350 |
|||||
|
1250 |
|
|
2010 |
3110 |
4010 |
|
|
|
|
|
|
|
|
|
1200 |
|
|
1980 |
3070 |
3960 |
3250 |
4190 |
4880 |
5660 |
8230 |
10840 |
10275 |
13050 |
|
1100 |
|
|
1880 |
2905 |
3750 |
2925 |
3770 |
4390 |
5095 |
7410 |
9920 |
9225 |
11725 |
|
1000 |
1060 |
1475 |
1735 |
2680 |
3455 |
2490 |
3390 |
3945 |
4580 |
6660 |
8770 |
8165 |
10380 |
|
900 |
1010 |
1400 |
1560 |
2410 |
3110 |
2315 |
2690 |
3180 |
4040 |
5885 |
7750 |
7105 |
9035 |
|
800 |
915 |
1270 |
1370 |
2110 |
2720 |
2000 |
2585 |
3010 |
3500 |
5100 |
6715 |
6055 |
7710 |
|
700 |
800 |
1110 |
1160 |
1795 |
2315 |
1630 |
2115 |
2465 |
2865 |
4180 |
5680 |
5030 |
6820 |
|
600 |
670 |
930 |
950 |
1470 |
1900 |
1325 |
1715 |
2055 |
2330 |
3410 |
4490 |
4040 |
5160 |
|
500 |
530 |
740 |
740 |
1150 |
1490 |
1030 |
1335 |
1570 |
1820 |
2660 |
3600 |
3110 |
3975 |
|
400 |
390 |
450 |
540 |
845 |
1090 |
705 |
925 |
1080 |
1260 |
1850 |
2580 |
2245 |
2875 |
|
300 |
260 |
365 |
355 |
560 |
725 |
435 |
605 |
710 |
830 |
1220 |
1740 |
1470 |
1885 |
|
200 |
145 |
205 |
195 |
310 |
400 |
250 |
330 |
340 |
455 |
670 |
880 |
800 |
1030 |
|
100 |
50 |
70 |
70 |
110 |
145 |
65 |
90 |
105 |
120 |
180 |
315 |
283 |
365 |






