|
RFB、CHL型自封式(磁性)回油过滤器 |
|
该过滤器装有压差发信号器、旁通阀、自封阀和集污盅。CHL型过滤器在滤芯前方设置永久磁铁。在过滤器底装有消泡扩散器,使回油能平稳流入油箱。过滤器可直接安装在油箱的顶部、侧部和底部 型号意义:
|
|
表1 技术规格 |
|||||||||
|
型 号 |
通径 /mm |
公称流量 /L·min-1 |
过滤 精度 /μm |
公称 压力 |
允许最大 压力损失 |
旁通阀 开启压力 |
发信号装置 发信号压力 |
滤芯型号 |
生 产 厂 |
|
/MPa |
|||||||||
|
CHL-25×※LC |
15 |
25 |
3
5
10
20
30
40 |
1.6 |
0.35 |
≥0.37 |
0.35 |
H-CX25×※ |
远 东 液 压 配 件 厂 |
|
CHL-40×※LC |
20 |
40 |
H-CX40×※ |
||||||
|
CHL-63×※LC |
25 |
63 |
H-CX63×※ |
||||||
|
CHL-100×※LC |
32 |
100 |
H-CX100×※ |
||||||
|
CHL-160×※LC |
40 |
160 |
H-CX160×※ |
||||||
|
CHL-250×※FC |
50 |
250 |
H-CX250×※ |
||||||
|
CHL-400×※FC |
65 |
400 |
0.27 |
≥0.27 |
0.27 |
H-CX400×※ |
|||
|
CHL-630×※FC |
80 |
630 |
H-CX630×※ |
||||||
|
CHL-800×※FC |
90 |
800 |
H-CX800×※ |
||||||
|
CHL-1000×※FC |
100 |
1000 |
1.2 |
H-CX1000×※ |
|||||
|
CHL-1250×※FC |
110 |
1250 |
H-CX1250×※ |
||||||
|
CHL-1600×※FC |
125 |
1600 |
H-CX1600×※ |
||||||
|
RFB-25×※ |
|
25 |
1
3
5
10
20
30 |
1.6 |
0.35 |
0.4 |
0.35 |
FBX-25×※ |
黎 明 液 压 机 电 厂 |
|
RFB-40×※ |
|
40 |
FBX-40×※ |
||||||
|
RFB-63×※ |
|
63 |
FBX-63×※ |
||||||
|
RFB-100×※ |
|
100 |
FBX-100×※ |
||||||
|
RFB-160×※ |
|
160 |
FBX-160×※ |
||||||
|
RFB-250×※ |
|
250 |
FBX-250×※ |
||||||
|
RFB-400×※ |
|
400 |
FBX-400×※ |
||||||
|
RFB-630×※ |
|
630 |
FBX-630×※ |
||||||
|
RFB-800×※ |
|
800 |
FBX-800×※ |
||||||
|
RFB-1000×※ |
|
1000 |
FBX-1000×※ |
||||||
|
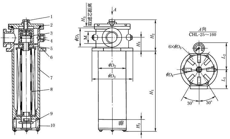
CHL型(螺纹连接)过滤器外形尺寸 |
|||||||||||||
|
1—密封螺钉;2—端盖;3—旁通阀;4—压差发信号装置接口;5—磁铁; 6—与油箱联接法兰;7—壳体;8—滤芯;9—自封阀;10—消泡器 |
|||||||||||||
|
表2 mm |
|||||||||||||
|
型 号 |
H1 |
H2 |
H3 |
H4 |
H5 |
D1 |
M |
D2 |
D3 |
D4 |
D5 |
L1 |
L2 |
|
CHL-25×※LC |
172 |
124 |
56 |
45 |
95 |
48 |
M22×1.5 |
108 |
148 |
130 |
7 |
70 |
135 |
|
CHL-40×※LC |
192 |
115 |
M27×2 |
||||||||||
|
CHL-63×※LC |
260 |
185 |
M33×2 |
||||||||||
|
CHL-100×※LC |
224 |
170 |
60 |
75 |
100 |
M42×2 |
|||||||
|
CHL-160×※LC |
314 |
275 |
M48×2 |
127 |
170 |
150 |
9 |
100 |
144 |
||||
|
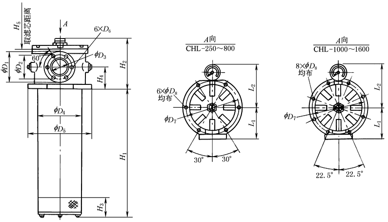
CHL型(法兰连接)过滤器外形尺寸 |
|||||||||||||||
|
|
|||||||||||||||
|
表3 mm |
|||||||||||||||
|
型 号 |
H1 |
H2 |
H3 |
H4 |
H5 |
D1 |
D2 |
D3 |
D4 |
D5 |
D6 |
D7 |
D8 |
L1 |
L2 |
|
CHL-250×※FC |
445 |
170 |
60 |
75 |
405 |
100 |
85 |
50 |
127 |
170 |
M8 |
150 |
9 |
100 |
145 |
|
CHL-400×※FC |
220 |
80 |
110 |
140 |
100 |
65 |
180 |
235 |
210 |
12 |
120 |
172 |
|||
|
CHL-630×※FC |
675 |
640 |
116 |
80 |
|||||||||||
|
CHL-800×※FC |
845 |
810 |
124 |
90 |
|||||||||||
|
CHL-1000×※FC |
610 |
285 |
113 |
155 |
550 |
185 |
164 |
125 |
230 |
290 |
M10 |
264 |
12 |
150 |
208 |
|
CHL-1250×※FC |
730 |
670 |
|||||||||||||
|
CHL-1600×※FC |
880 |
820 |
|||||||||||||
|
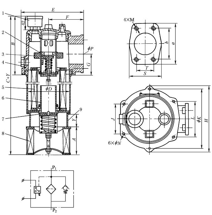
RFB型过滤器外形尺寸 |
||||||||||||||||||
|
1—发信号箱(M18×1.5);2—旁通阀;3—永久磁铁;4—回油孔及放油孔; 5—滤芯;6—溢流管;7—止回阀;8—扩散器;9—用户所需的接管 |
||||||||||||||||||
|
表4 mm |
||||||||||||||||||
|
型 号 |
A |
B |
C |
D |
E |
F |
G |
H |
J |
K |
L |
N |
P |
M |
a |
b |
S |
T |
|
RFB-25×※ |
78 |
167 |
348+Y |
124 |
175 |
96.5 |
58 |
168 |
75 |
150 |
90 |
7 |
55 |
M10 |
102 |
78 |
80 |
43 |
|
RFB-40×※ |
374+Y |
|||||||||||||||||
|
RFB-63×※ |
411+Y |
|||||||||||||||||
|
RFB-100×※ |
473+Y |
|||||||||||||||||
|
RFB-160×※ |
548+Y |
|||||||||||||||||
|
RFB-250×※ |
120 |
210 |
558+Y |
186 |
250 |
132 |
74 |
245 |
112 |
225 |
132 |
9 |
80 |
M12 |
140 |
106 |
110 |
62 |
|
RFB-400×※ |
708+Y |
|||||||||||||||||
|
RFB-630×※ |
877+Y |
|||||||||||||||||
|
RFB-800×※ |
948+Y |
|||||||||||||||||
|
RFB-1000×※ |
1114+Y |
|||||||||||||||||
|
注:进油口连接法兰由厂方提供,用户只需准备好直径为fP的管子焊上即可。 |
||||||||||||||||||




