|
蓄能器在液压系统中的应用 |
|||
|
用途 |
特 点 |
使 用 示 例 |
|
|
作 辅 助 动 力 源 |
在液压系统工作时能补充油量,减少液压油泵供油,降低电机功率,减少液压系统尺寸及重量,节约投资。常用于间歇动作,且工作时间很短,或在一个工作循环中速度差别很大,要求瞬间补充大量液压油的场合 |
|
液压机液压系统中,当模具接触工件慢进及保压时,部分液压油储入蓄能器;而在冲模快速向工件移动及快速退回时,蓄能器与泵同时供油,使液压缸快速动作 |
|
保 持 恒 压 |
液压系统泄漏(内漏)时,蓄能器能向系统中补充供油,使系统压力保持恒定。常用于执行元件长时间不动作,并要求系统压力恒定的场合 |
|
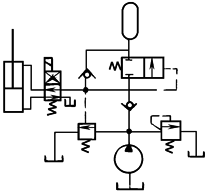
液压夹紧系统中二位四通阀左位接入,工件夹紧,油压升高,通过顺序阀1、二位二通阀2、溢流阀3使油泵卸荷,利用蓄能器供油,保持恒压 |
|
作 应 急 动 力 源 |
突然停电,或发生故障,油泵中断供油,蓄能器能提供一定的油量作为应急动力源,使执行元件能继续完成必要的动作 |
|
停电时,二位四通阀右位接入,蓄能器放出油量经单向阀进入油缸有杆腔,使活塞杆缩回,达到安全目的 |
|
输 送 异 性 液 体 |
蓄能器内的隔离件(隔膜、气囊式活塞)在液压油作用下往复运动,输送被隔开的异性液体。常将蓄能器装于不允许直接接触工作介质的压力表(或调节装置)和管路之间 |
|
|
|
吸 收 液 压 冲 击 |
蓄能器通常装在换向阀或油缸之前,可以吸收或缓和换向阀突然换向,油缸突然停止运动产生的冲击压力 |
|
换向阀突然换向时,蓄能器吸收了液压冲击,使压力不会剧增 |
|
作 液 压 空 气 弹 簧 |
蓄能器可作为液压空气弹簧吸收冲击压力,弹簧刚度KT等于气囊压缩时的压力差产生的当量液压缸作用力除以当量液压缸的位移。即
式中 p1、p2 —— 最低工作压力和最高工作压力,Pa A —— 当量液压缸的有效面积,m2 V1、V2 —— 压力为p1和p2时气体的体积,m3 |
||
|
减少脉动流量和压力 |
液压系统中的柱塞泵、齿数少的外啮合齿轮泵、溢流阀等,使系统中的液体压力、流量产生脉动。装设蓄能器可使液体脉动减小,噪声降低 |
||
|
作热膨胀补偿器 |
封闭式液压系统中当温度上升时,液压油产生体积膨胀。因液体膨胀系数通常大于管子材料膨胀系数,导致油压升高。蓄能器能吸收液体的体积增量,防止超压,保证安全。温度下降时,液体体积收缩,蓄能器又能向外提供所需液体 |
||
|
改善频率特性 |
液压系统采用压力补偿变量机构时,时间常数较大,蓄能器能快速放压,改善了频率特性 |
||





