|
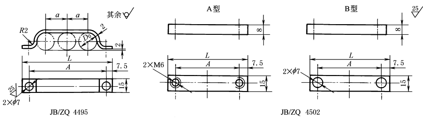
三管夹(摘自JB/ZQ 4495—1997)、三管夹垫板(摘自JB/ZQ 4502—1997) |
|||||
|
材料:Q235表面镀锌或发蓝(黑)处理
标记示例 管子外径D0为14mm用的三管夹:三管夹 14 JB/ZQ 4495—1997 管子外径D0为22mm用的三管夹螺孔垫板:管夹垫板 A22 JB/ZQ 4502—1997 管子外径D0为22mm用的三管夹光孔垫板:管夹垫板 B22 JB/ZQ 4502—1997 mm |
|||||
|
管子外径 D0 |
A |
L |
三管夹(JB/ZQ 4495) |
质 量/kg |
|
|
a |
JB/ZQ 4495 |
JB/ZQ 4502 |
|||
|
6 |
45 |
60 |
10 |
0.018 |
— |
|
8 |
52 |
67 |
12 |
0.022 |
0.055 |
|
10 |
58 |
73 |
14 |
0.023 |
— |
|
12 |
64 |
79 |
16 |
0.027 |
0.072 |
|
14 |
72 |
87 |
18 |
0.030 |
— |
|
16 |
78 |
93 |
20 |
0.035 |
0.087 |
|
18 |
84 |
99 |
22 |
0.038 |
0.09 |
|
22 |
98 |
113 |
26 |
0.044 |
0.10 |
|
24 |
104 |
119 |
28 |
0.046 |
0.11 |
|
28 |
114 |
129 |
32 |
0.050 |
0.12 |
|
注:管子外径D0为6mm、10mm、14mm用的三管夹垫板,依次分别按JB/ZQ 4499中D022mm、JB/ZQ 4500中D016mm、22mm选用。 |
|||||

