|
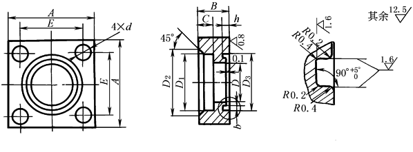
直通法兰(PN=20MPa)(摘自JB/ZQ 4486—1997) |
|||||||||||||||||||
|
适用于公称压力PN为20MPa,介质温度为-25~80℃的直通法兰。
标记示例 公称通径DN为20mm的直通法兰:直通法兰20 JB/ZQ 4486—1997 mm |
|||||||||||||||||||
|
公称 通径 DN |
钢管 D0×S |
A |
B |
C |
D |
D1 |
D2 |
D3 H11 |
d |
b |
h |
E |
法兰用 螺钉 |
O形圈 (GB/T 3452.1) |
质量 /kg |
||||
|
10 |
18×2 |
55 |
22 |
9 |
12 |
18.5 |
|
28 |
30.3 |
11 |
3.8 |
|
1.97 |
|
36 |
±0.4 |
M10 |
25.0×2.65G |
0.40 |
|
15 |
22×3 |
55 |
22 |
11 |
16 |
22.5 |
32 |
30.3 |
11 |
3.8 |
1.97 |
40 |
M10 |
25.0×2.65G |
0.45 |
||||
|
20 |
28×4 |
55 |
22 |
12 |
20 |
28.5 |
38 |
35.3 |
11 |
3.8 |
1.97 |
40 |
M10 |
30.0×2.65G |
0.40 |
||||
|
25 |
34×5 |
75 |
28 |
14 |
24 |
35 |
45 |
42.6 |
13 |
5.0 |
2.75 |
56 |
M12 |
35.5×3.55G |
0.94 |
||||
|
32 |
42×6 |
75 |
28 |
16 |
30 |
43 |
55 |
47.1 |
13 |
5.0 |
2.75 |
56 |
M12 |
40.0×3.55G |
0.84 |
||||
|
40 |
50×6 |
100 |
36 |
18 |
38 |
52 |
63 |
57.1 |
18 |
5.0 |
2.75 |
73 |
M16 |
50.0×3.55G |
2.10 |
||||
|
50 |
63×7 |
100 |
36 |
20 |
48 |
65 |
75 |
67.1 |
18 |
5.0 |
2.75 |
73 |
M16 |
60.0×3.55G |
1.85 |
||||
|
65 |
76×8 |
140 |
45 |
22 |
60 |
78 |
95 |
78.1 |
24 |
5.0 |
2.75 |
103 |
M22 |
71.0×3.55G |
5.30 |
||||
|
80 |
89×10 |
140 |
45 |
25 |
70 |
91 |
108 |
92.1 |
24 |
5.0 |
2.75 |
103 |
M22 |
85.0×3.55G |
4.50 |
||||
|
注:1.直通法兰配用的螺栓按GB/T 3098.1,强度等级为8.8。 2.直通法兰材料为20号钢。 |
|||||||||||||||||||

