|
S型压力继电器 |
|||||||
|
型号意义:
技术规格 |
|||||||
|
型 号 |
ST-02-*-20 |
SG-02-*-20 |
微型开关参数 |
||||
|
负载条件 |
交流电压 |
直流电压 |
|||||
|
最大工作压力/MPa |
35 |
35 |
|||||
|
常闭接点 |
常开接点 |
||||||
|
阻抗负载 |
125V,15A或250V,15A |
125V,0.5A或250V,0.25A |
|||||
|
介质粘度/m2·s-1 |
(15~400)×10-6 |
||||||
|
感应负载 |
125V,4.5A或250V,3A |
125V,2.5A或250V,1.5A |
125V,0.5A或250V,0.03A |
||||
|
介质温度/℃ |
-20~70 |
||||||
|
电动机,白炽电灯,电磁铁负载 |
— |
||||||
|
质量/kg |
4.5 |
4.5 |
|||||
|
注:生产厂为榆次油研液压公司。
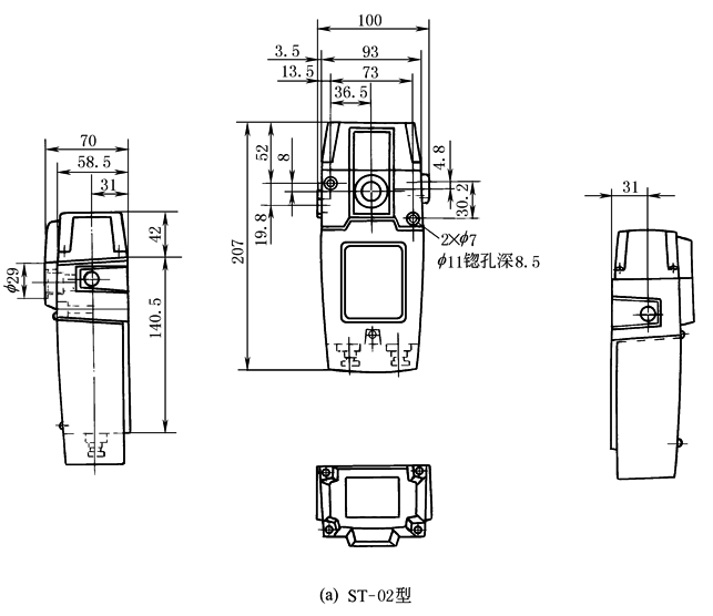
图 S﹡-02型压力继电器外形及连接尺寸 |
|||||||



