|
C型单向阀 |
|||||
|
C型单向阀在所设定的开启压力下使用,可控制油流单方向流动,完全阻止油流的反方向流动 型号意义:
表1 技术规格 |
|||||
|
型 号 |
额定流量① /L·min-1 |
最高使用压力/MPa |
开启压力/MPa |
质量/kg |
|
|
管式连接(直通单向阀) |
CIT-02-※-50 CIT-03-※-50 CIT-06-※-50 CIT-10-※-50 |
16 30 85 230 |
25 |
0.04 0.35 0.5
|
0.1 0.3 0.8 2.3 |
|
管式连接(直角单向阀) |
CRT-03-※-50 CRT-06-※-50 CRT-10-※-50 |
40 125 250 |
25 |
0.04 0.35 0.5 |
0.9 1.7 5.6 |
|
板式连接 |
CRG-03-※-50 CRG-06-※-50 CRG-10-※-50 |
40 125 250 |
25 |
0.04 0.35 0.5 |
1.7 2.9 5.5 |
|
① 额定流量是指开启压力0.04MPa、使用油相对密度0.85、黏度20mm2/s时自由流动压力下降值为0.3MPa时的大概流量 注:生产厂为榆次油研液压公司。 |
|||||
|
表2 外形尺寸 mm |
|||||||||||||||||
|
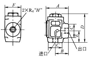
CIT-02,03,06,10
|
CRT-03,06,10
|
||||||||||||||||
|
型号 |
A |
B |
D |
型号 |
A |
B |
C |
D |
E |
F |
H |
||||||
|
CIT-02-※-50 |
58 |
19 |
1/4 |
CRT-03 |
62 |
36 |
f 38 |
80.5 |
33 |
44 |
3/8 |
||||||
|
CIT-03-※-50 CIT-06-※-50 |
76 95 |
27 41 |
3/8 3/4 |
CRT-06 |
74 |
45 |
f 54 |
104.5 |
49 |
54 |
3/4 |
||||||
|
CIT-10-※-50 |
133 |
60 |
1¼ |
CRT-10 |
107 |
65 |
□80 |
130 |
65 |
80 |
1¼ |
||||||
|
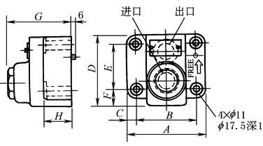
CRG-03,06
|
CRG-10
安装面符合ISO5781-AJ-10-2-A |
||||||||||||||||
|
型号 |
A |
B |
C |
D |
E |
F |
|||||||||||
|
CRG-03 |
90 |
66.7 |
11.7 |
72 |
42.9 |
17.5 |
|||||||||||
|
CRG-06 |
102 |
79.4 |
11.3 |
93 |
60.3 |
21.4 |
|||||||||||
|
型号 |
G |
H |
安装面符合下列ISO标准 |
||||||||||||||
|
CRG-03 |
72.5 |
31 |
ISO5781-AG-06-2-A |
||||||||||||||
|
CRG-06 |
84.5 |
36 |
ISO5781-AH-08-2-A |
||||||||||||||
|
表3 安装底板 |
|||
|
型号 |
底板型号 |
连接尺寸Rc |
质量/kg |
|
CRG-03 |
CRGM-03-50 CRGM-03X-50 |
3/8 1/2 |
1.6 1.6 |
|
CRG-06 |
CRGM-06-50 CRGM-06X-50 |
3/4 1 |
2.4 3.0 |
|
CRG-10 |
CRGM-10-50 CRGM-10X-50 |
1¼ 1½ |
4.8 5.7 |
|
|
|
|
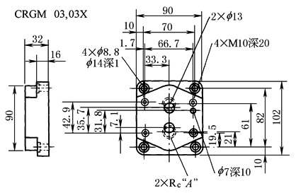
表4 |
|
|
底板型号 |
A |
|
CRGM-03-50 |
3/8 |
|
CRGM-03X-50 |
1/2 |
|
|
|||||||
|
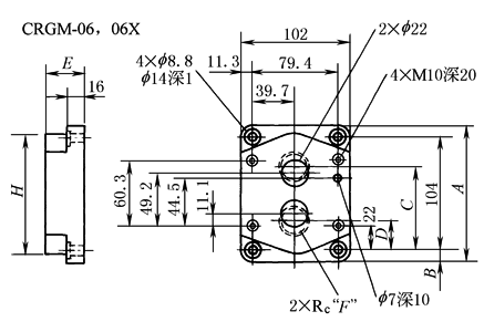
表5 mm |
|||||||
|
底板型号 |
A |
B |
C |
D |
E |
F |
H |
|
CRGM-06-50 |
124 |
10 |
77 |
27 |
36 |
¾ |
110 |
|
CRGM-06X-50 |
136 |
16 |
82.3 |
22 |
45 |
1 |
130 |
|
|
|||||||
|
表6 mm |
|||||||
|
底板型号 |
A |
B |
C |
D |
E |
F |
H |
|
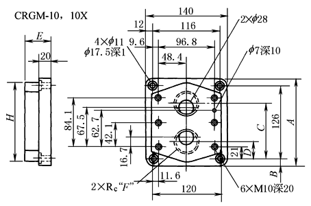
CRGM-10-50 |
150 |
12 |
96 |
30 |
45 |
1 |
135 |
|
CRGM-10X-50 |
177 |
25.5 |
104 |
22 |
50 |
1 |
167 |








