|
DC型凸轮操作换向阀 |
||||
|
型号意义:
表1 技术规格 |
||||
|
型号 |
最大流量/L·min-1 |
最高使用压力/MPa |
允许背压/MPa |
质量/kg |
|
|
30 |
21 |
7 |
1.1 |
|
|
100 |
25 |
10 |
4.5(管式) 3.8(板式) |
|
注:生产厂为榆次油研液压有限公司。 |
||||
|
表2 凸轮位置与液流方向 |
|||
|
型号 |
液压符号 |
凸滚轮位置与液流方向 |
|
|
从偏置位置起滚轮的行程/mm |
|||
|
偏置位置 |
切换完了位置 |
||
|
|
|
|
|
|
|
|
|
|
|
|
|
|
|
|
|
|
|
|
|
|
|
|
|
|
|
|
|
|
|
|
表3 特性曲线 |
||||
|
型号 |
压力下降曲线番号 |
||||
|
P→A |
B→T |
P→B |
A→T |
||
|
DCT-01-2B2 |
1 |
1 |
2 |
1 |
|
|
DCT-01-2B3 |
|||||
|
DCT-01-2B8 |
2 |
— |
2 |
— |
|
|
DCG-01-2B2 |
2 |
2 |
3 |
3 |
|
|
DCG-01-2B3 |
|||||
|
DCG-01-2B8 |
3 |
— |
3 |
— |
|
|
注:使用油的黏度为35mm2/s;相对密度为0.850。 |
|||||
|
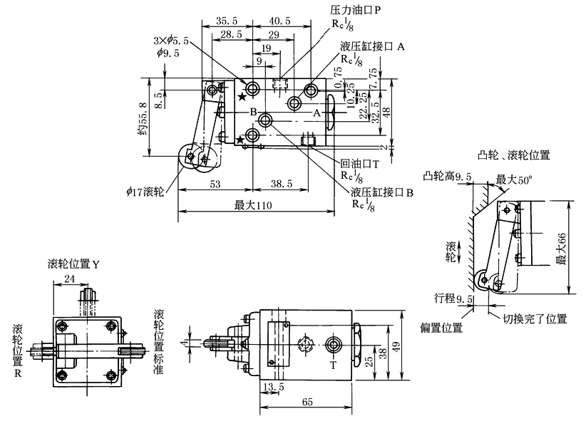
外形尺寸
图1 DCT-01型外形尺寸
图2 DCT-03型外形尺寸 安装面ISO4401-AB-03-4-A
图3 DCG-01型 安装面ISO4401-AC-05-4-A
图4 DCG-03型 |
|
表4 底板型号 |
|||||||
|
阀型号 |
底板型号 |
连接尺寸 |
质量/kg |
阀型号 |
底板型号 |
连接尺寸 |
质量/kg |
|
DCG-01 |
DSGM-01-30 DSGM-01X-30 DSGM-01Y-30 |
Rc1/8 Rc¼ Rc3/8 |
0.8 |
DCG-03 |
DSGM-03-40 DSGM-03X-40 DSGM-03Y-40 |
Rc1/8 Rc½ Rc¾ |
3 3 4.7 |





















