|
DSG-01/03电磁换向阀 |
|||||||
|
本系列电磁换向阀配有强吸力、高性能的湿式电磁铁,具有高压、大流量、压力损失低等特点。无冲击型可以将换向时的噪声和配管的振动抑制到很小 型号意义:
表1 技术规格 |
|||||||
|
类别 |
型 号 |
最大流量 /L·min-1 |
最高使用压力 /MPa |
T口允许背压 /MPa |
最高换向频率 /次·min-1 |
质量/kg |
|
|
AC |
DC、R、RQ |
||||||
|
普通型 |
DSG-01-3C※-※-50 DSG-01-2D2-※-50 DSG-01-2B※-※-50 |
63 |
31.5 25(阀机 能60型) |
16 |
AC、DC:300 R:120 |
2.2 2.2 1.6 |
|
|
无冲击型 |
S-DSG-01-3C※-※-50 S-DSG-01-2B2-※-50 |
40 |
16 |
16 |
DC、R:120 |
2.2 1.6 |
|
|
普通型 |
DSG-03-3C※-※-50 DSG-03-2D2-※-50 DSG-03-2B※-※-50 |
120 |
31.5 25(阀机 能60型) |
16 |
AC、DC:240 R:120 |
3.6 2.9 |
5 3.6 |
|
无冲击型 |
S-DSG-03-3C※-※-50 S-DSG-03-2D2-※-50 |
120 |
16 |
16 |
120 |
— |
5 3.6 |
|
注:生产厂为榆次油研液压有限公司。 |
|||||||
|
表2 电磁铁参数 |
|||||||||
|
电源 |
线圈型号 |
频率 /Hz |
电压/V |
电源 |
线圈型号 |
频率 /Hz |
电压/V |
||
|
额定电压 |
使用范围 |
额定电压 |
使用范围 |
||||||
|
交流AC |
A100 |
50 60 |
100 100 110 |
80~110 90~120 |
直流DC |
D12 D24 D100 |
— |
12 24 100 |
10.8~13.2 21.6~26.4 90~110 |
|
A120 |
50 60 |
120 |
96~132 108~144 |
交流(交直流转换型AC→DC) |
R100 R200 |
50/60 |
100 200 |
90~110 180~220 |
|
|
A200 |
50 60 |
200 200 220 |
160~220 180~240 |
交流(交直流快速转换型AC→DC) |
RQ100 |
50/60 |
100 |
90~110 |
|
|
A240 |
50 60 |
240 |
192~264 216~288 |
DSG-03电磁换向阀 |
RQ200 |
200 |
180~220 |
||
|
表3 阀机能 |
|||||
|
3C2 |
3C3 |
3C4 |
3C40 |
3C60 |
3C9 |
|
|
|
|
|
|
|
|
3C10 |
3C12 |
2D2 |
2B2 |
2B3 |
2B8 |
|
|
|
|
|
|
|
|
表4 外形尺寸 |
|||||||||
|
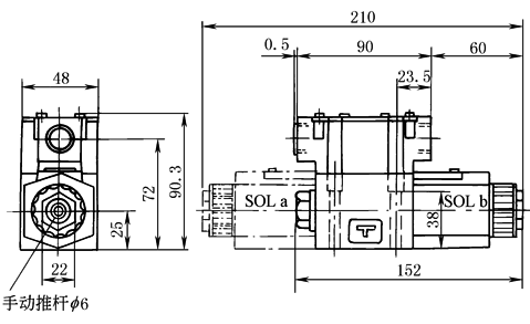
弹簧对中型、无弹簧定位型、弹簧偏置型 |
|||||||||
|
交流电磁铁:DSG-01-※※※-A※ |
|||||||||
|
|
|||||||||
|
交流电磁铁:DSG-03-※※※-A※ |
|||||||||
|
|
|
直流电磁铁:(S-)DSG-01-※※※-D※ 交直流转换型电磁铁:(S-)DSG-01-※※※-R※
|
直流电磁铁:(S-)DSG-03-※※※-D※ 交直流转换型电磁铁:(S-)DSG-03-※※※-R※ 交直流快速转换型电磁铁:(S-)DSG-03-※※※-RQ※
|
||||||||||||||||||||||||||||||||||||||||
|
其余尺寸参见DSG-01-※※※-A※ |
其余尺寸参见DSG-03-※※※-A※ |
||||||||||||||||||||||||||||||||||||||||
|
DIN插座式、带通电指示灯DIN插座式 |
|||||||||||||||||||||||||||||||||||||||||
|
交流电磁铁:DSG-01-※※※-A※-N/N1
|
交流电磁铁:DSG-03-※※※-A※-N/N1
|
||||||||||||||||||||||||||||||||||||||||
|
直流电磁铁:(S-)DSG-01-※※※-D※-N/N1 交直流转换型电磁铁:(S-)DSG-01-※※※-R※-N
|
直流电磁铁:(S-)DSG-03-※※※-D※-N/N1 交直流转换型电磁铁:(S-)DSG-03-※※※R-※-N
|
||||||||||||||||||||||||||||||||||||||||
|
|
|
||||||||||||||||||||||||||||||||||||||||
|
带锁紧按钮 |
|
|
(S-)DSG-01-※※※-※-C (S-)DSG-03-※※※-※-C
|
电磁铁通电前,一定要完全松开锁紧螺母。推动按钮后,顺时针旋转锁紧螺母,可使阀芯位置固定 |
|
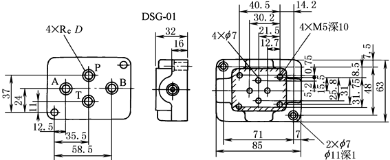
安 装 底 板 |
||||||||||||||||
|
|
表5 |
|||||||||||||||
|
底板型号 |
D (连接口) |
质量 /kg |
||||||||||||||
|
DSGM-01-30 |
1/8 |
0.8 |
||||||||||||||
|
DSGM-01X-30 |
1/4 |
|||||||||||||||
|
DSGM-01Y-30 |
3/8 |
|||||||||||||||
|
注:使用底板时,请按上面的型号订货。 |
||||||||||||||||
|
|
||||||||||||||||
|
表6 mm |
||||||||||||||||
|
底板型号 |
C |
D |
E |
F |
H |
J |
K |
L |
N |
Q |
S |
U |
质量/kg |
|||
|
DSGM-03-40/4002 DSGM-03X-40/4002 |
110 |
9 |
10 |
32 |
62 |
40 |
16 |
48 |
21 |
3/8 1/2 |
M6/M8
|
13/14
|
3 |
|||
|
DSGM-03Y-40/4002 |
120 |
14 |
15 |
50 |
80 |
45 |
10 |
47 |
16 |
3/4 |
4.7 |
|||||
























