油口 |
油口包括油口孔和油口连接螺纹。液压缸的进、出油口可布置在端盖或缸筒上。 油口孔大多属于薄壁孔(指孔的长度与直径之比l/d≥0.5的孔)。通过薄壁孔的流量按下式计算:
式中 C——流量系数,接头处大孔与小孔之比大于7时C=0.6~0.62,小于7时C=0.7~0.8; A——油孔的截面积,m2; ρ——液压油的密度,kg/m3; p1——油孔前腔压力,Pa; p2——油孔后腔压力,Pa; Δp——油孔前、后腔压力差,Pa。 C、ρ是常量,对流量影响最大的因素是油孔的面积A。根据上式可以求出孔的直径,以满足流量的需要,从而保证液压缸正常工作的运动速度 液压缸螺纹油口的尺寸和要求应符合GB/T 2878.1《液压传动连接 带米制螺纹和O形圈密封的油口和螺柱端 第1部分:油口》的规定。见下表 |
|
mm |
螺纹① (d1×P) | d2 | d3② 参考 | d4 | d5 +0.1 0 | L1 +0.4 0 | L2③ min | L3 max | L4 min | Z/(°) ±1° | |
宽的④min | 窄的⑤min | |||||||||
M8×1 | 17 | 14 | 3 | 12.5 | 9.1 | 1.6 | 11.5 | 1 | 10 | 12 |
M10×1 | 20 | 16 | 4.5 | 14.5 | 11.1 | 1.6 | 11.5 | 1 | 10 | 12 |
M12×1.5 | 23 | 19 | 6 | 17.5 | 13.8 | 2.4 | 14 | 1.5 | 11.5 | 15 |
M14×1.5⑥ | 25 | 21 | 7.5 | 19.5 | 15.8 | 2.4 | 14 | 1.5 | 11.5 | 16 |
M16×1.5 | 28 | 24 | 9 | 22.5 | 17.8 | 2.4 | 15.5 | 1.5 | 13 | 17 |
M18×1.5 | 30 | 26 | 11 | 24.5 | 19.8 | 2.4 | 17 | 2 | 14.5 | 18 |
M20×1.5⑦ | 33 | 29 | - | 27.5 | 21.8 | 2.4 | - | 2 | 14.5 | 19 |
M22×1.5 | 33 | 29 | 14 | 27.5 | 23.8 | 2.4 | 18 | 2 | 15.5 | 20 |
M27×2 | 40 | 34 | 18 | 32.5 | 29.4 | 3.1 | 22 | 2 | 19 | 21 |
M30×2 | 44 | 38 | 21 | 36.5 | 32.4 | 3.1 | 22 | 2 | 19 | 22 |
M33×2 | 49 | 43 | 23 | 41.5 | 35.4 | 3.1 | 22 | 2.5 | 19 | 23 |
M42×2 | 58 | 52 | 30 | 50.5 | 44.4 | 3.1 | 22.5 | 2.5 | 19.5 | 24 |
M48×2 | 63 | 57 | 36 | 55.5 | 50.4 | 3.1 | 25 | 2.5 | 22 | 25 |
M60×2 | 74 | 67 | 44 | 65.5 | 62.4 | 3.1 | 27.5 | 2.5 | 24.5 | 26 |
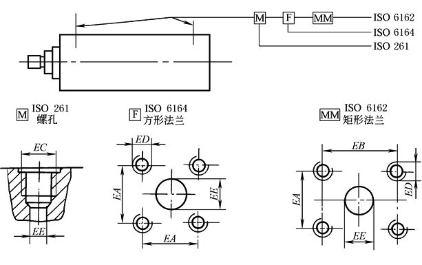
①符合10261公差等级校照E0)965 1的6H.钻头按照150 2306的6H等级。 不同压力系列的单杠液压缸油口安装尺寸见下表。 | ||||||||||
单杆液压缸油口安装尺寸 mm |
|
16MPa小型系列 (ISO 8138) | 缸内径D | 进、出油口EC | 缸内径D | 进、出油口EC | 缸内径D | 进、出油口EC | 缸内径D | 进、出油口EC | |||||||||
25 | M14×1.5 | 50 | M22×1.5 | 100 | M27×2 | 160 | M33×2 | ||||||||||
32 | M14×1.5 | 63 | M22×1.5 | 125 | M27×2 | 200 | M42×2 | ||||||||||
40 | M18×1.5 | 80 | M27×2 | | | | | ||||||||||
16MPa中型系列 (ISO 8136) | 缸内径 D | EC | EE (最小) | 方形法 兰名义 规格DN | EE
| EA ±0.25 | ED | 矩形法 兰名义 规格DN | EE
| EA ±0.25 | EB ±0.25 | ED | |||||
25 | M14×1.5 | 6 | | | | | | | | | | ||||||
32 | M18×1.5 | 10 | | | | | | | | | | ||||||
40 50 | M22×1.5 | 12 | | | | | | | | | | ||||||
63 80 | M27×2 | 16 | 15 | 15 | 29.7 | M8×1.25 | 13 | 13 | 17.5 | 38.1 | M8×1.25 | ||||||
100 125 | M33×2 | 20 | 20 | 20 | 35.3 | M8×1.25 | 19 | 19 | 22.2 | 47.6 | M10×1.5 | ||||||
160 200 | M42×2 | 25 | 25 | 25 | 43.8 | M10×1.5 | 25 | 25 | 26.2 | 52.4 | M10×1.5 | ||||||
250 320 | M50×2 | 32 | 32 | 32 | 51.6 | M12×1.75 | 32 | 32 | 30.2 | 58.7 | M12×1.75 | ||||||
400 500 | M60×2 | 38 | 38 | 38 | 60 | M14×2 | 38 | 38 | 35.7 | 69.9 | M14×2 | ||||||
25MPa系列 (ISO 8137) | 50 | M22×1.5 | 12 | | | | | | | | | | |||||
63 80 | M27×2 | 16 | 15 | 15 | 29.7 | M8×1.25 | 19 | 19 | 22.2 | 47.6 | M10×1.5 | ||||||
100 125 | M33×2 | 20 | 20 | 20 | 35.3 | M8×1.25 | 19 | 19 | 22.2 | 47.6 | M10×1.5 | ||||||
160 200 | M42×2 | 25 | 25 | 25 | 43.8 | M10×1.5 | 25 | 25 | 26.2 | 52.4 | M10×1.5 | ||||||
250 320 | M50×2 | 32 | 32 | 32 | 51.6 | M12×1.75 | 32 | 32 | 30.2 | 58.7 | M12×1.75 | ||||||
400 500 | M60×2 | 38 | 38 | 38 | 60 | M14×2 | 38 | 38 | 36.5 | 79.4 | M16×2 | ||||||


