|
缸筒制造加工要求 |
|
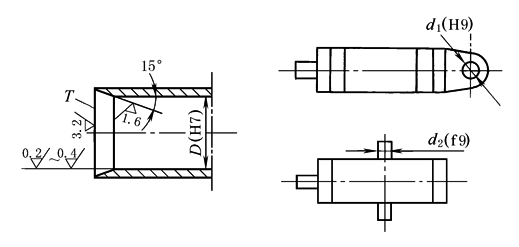
① 缸筒内径D采用H7或H8级配合,表面粗糙度Ra值一般为0.16~0.32μm,需进行研磨。
缸筒加工要求 ② 热处理:调质,硬度241~285HB ③ 缸筒内径D的圆度、锥度、圆柱度公差不大于内径公差之半(在图上可注出数字) ④ 缸筒直线度公差在500mm长度上不大于0.03mm ⑤ 缸筒端面T对内径的垂直度公差在直径100mm上不大于0.04mm ⑥ 当缸筒为尾部和中部耳轴型时:孔d1的轴线对缸径D轴线的偏移不大于0.03mm;孔d1的轴线对缸径D轴线的垂直度公差在100mm长度上不大于0.1mm;轴径d2对缸径D轴线的垂直度公差在100mm长度上不大于0.1mm 此外,通往油口、排气阀孔的内孔口必须倒角,不允许有飞边、毛刺,以免划伤密封件。为便于装配和不损坏密封件,缸筒内孔口应倒角15°。需要在缸筒上焊接法兰、油口、排气阀座时,均必须在半精加工以前进行,以免精加工后焊接而引起内孔变形。如欲防止腐蚀生锈和提高使用寿命,在缸筒内表面可以镀铬,再进行研磨或抛光,在缸筒外表面涂耐油油漆 |

