|
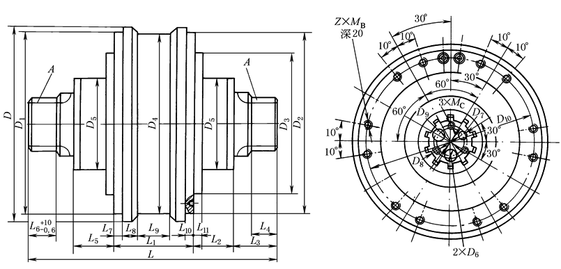
QKM型液压马达外形尺寸 mm |
|||||||||||||||||||||||||
|
QKM32、QKM42、QKM52、QKM62型 |
|||||||||||||||||||||||||
|
型 号 |
L |
L1 |
L2 |
L3 |
L4 |
L5 |
L6 |
L7 |
L8 |
L9 |
L10 |
L11 |
D |
D1 |
D2 |
D3 |
D4 |
D5 |
D6 |
||||||
|
1QKM32-※ |
510 |
146 |
83 |
99 |
58 |
83 |
58 |
— |
— |
33 |
— |
18 |
f320 |
— |
— |
f280f8 |
— |
f178 |
f25 |
||||||
|
1QKM42-※ |
548 |
154 |
65 |
131 |
60 |
65 |
60 |
— |
80 |
36 |
— |
24 |
f376f7 |
— |
— |
f214 |
f340 |
f182 |
f28 |
||||||
|
|
548 |
174 |
91 |
96 |
60 |
91 |
60 |
20 |
80 |
35 |
20 |
20 |
f430 |
f400e8 |
f400e8 |
f315 |
f398 |
f205 |
f29 |
||||||
|
|
665 |
175 |
120 |
125 |
100 |
120 |
100 |
— |
79 |
45 |
— |
53 |
f485 |
— |
— |
f397g7 |
f465 |
f262 |
f32 |
||||||
|
型 号 |
D7 |
D8 |
D9 |
D10 |
Z×MB |
MC |
A |
||||||||||||||||||
|
1QKM32-※ |
f16 |
f60±0.3 |
f43±0.2 |
f299±0.3 |
12×M12 |
M16 |
6×90b12×80b12×20d9 |
||||||||||||||||||
|
1QKM42-※ |
f18 |
f68±0.3 |
f50±0.4 |
f346±0.3 |
9×M16 |
M16 |
10×98b12×92b12×14d9 |
||||||||||||||||||
|
|
f16.5 |
f68±0.3 |
f50±0.4 |
f370±0.3 |
12×M16 |
M16 |
10×98b12×92b12×14d9 |
||||||||||||||||||
|
|
f20 |
f68±0.3 |
f50±0.4 |
f435±0.3 |
11×M20 |
M16 |
10×112b12×102b12×16d9 |
||||||||||||||||||
|
QKM11型 |
|||||||||||||||||||||||||


