|
GM5系列齿轮马达 |
|
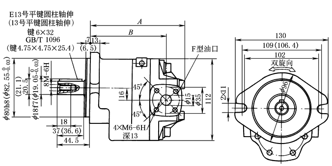
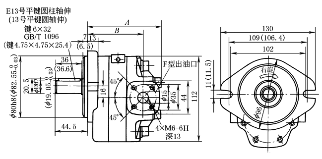
GM5系列高压齿轮马达为三片式结构,主要由铝合金制造的前盖、中间体、后盖,合金钢制造的齿轮和铝合金制造的压力板等零部件组成。前、后盖内各压装两个DU轴承,DU材料使齿轮泵提高了寿命。压力板是径向和轴向压力补偿的主要元件,可以减轻轴承载荷和自动调节齿轮轴向间隙,从而有效地提高了齿轮马达的性能指标和工作可靠性 GM5系列齿轮马达有单旋向不带前轴承、双旋向不带前轴承和单旋向带前轴承、双旋向带前轴承四种结构型式,其中带前轴承的马达可以承受径向力和轴向力 型号意义: |
|
|
|
技术参数及外形尺寸 mm |
||||||||||||
|
项 目 |
型 号 |
理论排量 /mL·r-1 |
额定压力/MPa |
公称转速 /r·min-1 |
最低转速 /r·min-1 |
理论转矩(额定 压力)/N·m |
质量/kg |
|||||
|
单旋向 |
双旋向 |
单旋向 |
双旋向 |
单旋向 |
双旋向 |
单旋向 |
双旋向 |
带前轴承 |
不带前轴承 |
|||
|
技 术 参 数 |
GM5-5 |
5.2 |
20 |
20 |
4000 |
4000 |
900 |
800 |
17 |
17 |
2.6 |
1.9 |
|
GM5-6 |
6.4 |
25 |
21 |
4000 |
4000 |
1000 |
700 |
25 |
21 |
2.7 |
2.0 |
|
|
GM5-8 |
8.1 |
25 |
21 |
4000 |
4000 |
1000 |
650 |
32 |
27 |
2.8 |
2.1 |
|
|
GM5-10 |
10.0 |
25 |
21 |
4000 |
4000 |
900 |
600 |
40 |
33 |
2.9 |
2.2 |
|
|
GM5-12 |
12.6 |
25 |
21 |
3600 |
3600 |
900 |
550 |
50 |
42 |
3.0 |
2.3 |
|
|
GM5-16 |
15.9 |
25 |
21 |
3300 |
3300 |
900 |
500 |
63 |
53 |
3.1 |
2.4 |
|
|
GM5-20 |
19.9 |
20 |
20 |
3100 |
3100 |
750 |
500 |
63 |
63 |
3.2 |
2.5 |
|
|
GM5-25 |
25.0 |
16 |
16 |
2800 |
3000 |
600 |
500 |
64 |
64 |
3.4 |
2.7 |
|
|
外
形
尺
寸 |
带 前 轴 承 |
|
型号 |
GM5-5 |
GM5-6 |
GM5-8 |
|
|
A |
112.0 |
114.0 |
116.5 |
||||
|
B |
87.0 |
89.0 |
91.5 |
||||
|
型号 |
GM5-10 |
GM5-12 |
GM5-16 |
||||
|
A |
119.5 |
123.5 |
128.5 |
||||
|
B |
94.5 |
98.5 |
103.5 |
||||
|
型号 |
GM5-20 |
GM5-25 |
|||||
|
A |
134.5 |
142.5 |
|||||
|
B |
109.5 |
117.5 |
|||||
|
不 带 前 轴 承 |
|
型号 |
GM5-5 |
GM5-6 |
GM5-8 |
||
|
A |
84.0 |
86.0 |
88.5 |
||||
|
B |
59.0 |
61.0 |
63.5 |
||||
|
型号 |
GM5-10 |
GM5-12 |
GM5-16 |
||||
|
A |
91.5 |
95.5 |
100.5 |
||||
|
B |
66.5 |
70.5 |
75.5 |
||||
|
型号 |
GM5-20 |
GM5-25 |
|||||
|
A |
106.5 |
114.5 |
|||||
|
B |
81.5 |
89.5 |
|||||



