|
CM系列齿轮马达 |
|||||||||||||
|
型号意义:
|
|||||||||||||
|
表1 CM型齿轮马达技术参数 |
|||||||||||||
|
型 号 |
排量 /mL·r-1 |
压力/MPa |
转速/r·min-1 |
转矩(10MPa时)/N·m |
型 号 |
排量 /mL·r-1 |
压力/MPa |
转速/r·min-1 |
转矩(10MPa时)/N·m |
||||
|
额定 |
最高 |
额定 |
最高 |
额定 |
最高 |
额定 |
最高 |
||||||
|
CM-C10C |
10.9 |
10 |
14 |
1800 |
2400 |
17.4 |
CM-E105C |
105.5 |
10 |
14 |
1900 |
2400 |
167.5 |
|
CM-C18C |
18.2 |
29 |
CM-E140C |
141.6 |
225 |
||||||||
|
CM-C25C |
25.5 |
40.5 |
CM-E175C |
177.7 |
282.2 |
||||||||
|
CM-C32C |
32.8 |
52.1 |
CM-E210C |
213.8 |
339 |
||||||||
|
CM-D32C |
33.6 |
53.5 |
CM-F10C |
11.3 |
14 |
17.5 |
17.9 |
||||||
|
CM-D45C |
46.1 |
73.4 |
CM-F18C |
18.3 |
29.2 |
||||||||
|
CM-D57C |
58.4 |
92.9 |
CM-F25C |
25.4 |
40.4 |
||||||||
|
CM-D70C |
70.8 |
112.7 |
CM-F32C |
32.4 |
51.6 |
||||||||
|
CM-E70C |
69.4 |
110.2 |
CM-F40C |
39.5 |
63 |
||||||||
|
表2 外形尺寸 mm |
||||||||||||||||||||||||||||
|
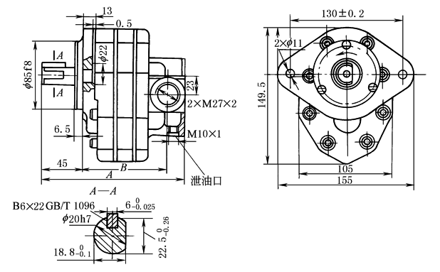
CM-C10C~C32C |
|
|
||||||||||||||||||||||||||
|
|
|
|
|
|
||||||||||||||||||||||||
|
|
|
|
|
|
||||||||||||||||||||||||
|
|
|
|
|
|
||||||||||||||||||||||||
|
|
|
|
|
|
||||||||||||||||||||||||
|
型号 |
CM- C10C |
CM- C18C |
CM- C25C |
CM- C32C |
||||||||||||||||||||||||
|
A |
156.5 |
161.5 |
166.5 |
171.5 |
||||||||||||||||||||||||
|
B |
90.5 |
95.5 |
100.5 |
105.5 |
||||||||||||||||||||||||
|
|
|
|
|
|
||||||||||||||||||||||||
|
|
|
|
|
|
||||||||||||||||||||||||
|
|
|
|
|
|
||||||||||||||||||||||||
|
|
||||||||||||||||||||||||||||
|
CM-D32C~D70C |
|
|
||||||||||||||||||||||||||
|
|
|
|
|
|
||||||||||||||||||||||||
|
|
|
|
|
|
||||||||||||||||||||||||
|
|
|
|
|
|
||||||||||||||||||||||||
|
|
|
|
|
|
||||||||||||||||||||||||
|
|
|
|
|
|
||||||||||||||||||||||||
|
型号 |
CM- D32C |
CM- D45C |
CM- D57C |
CM- D70C |
||||||||||||||||||||||||
|
A |
209 |
216 |
223 |
230 |
||||||||||||||||||||||||
|
B |
121 |
128 |
135 |
142 |
||||||||||||||||||||||||
|
|
|
|
|
|
||||||||||||||||||||||||
|
|
|
|
|
|
||||||||||||||||||||||||
|
|
|
|
|
|
||||||||||||||||||||||||
|
|
|
|
|
|
||||||||||||||||||||||||
|
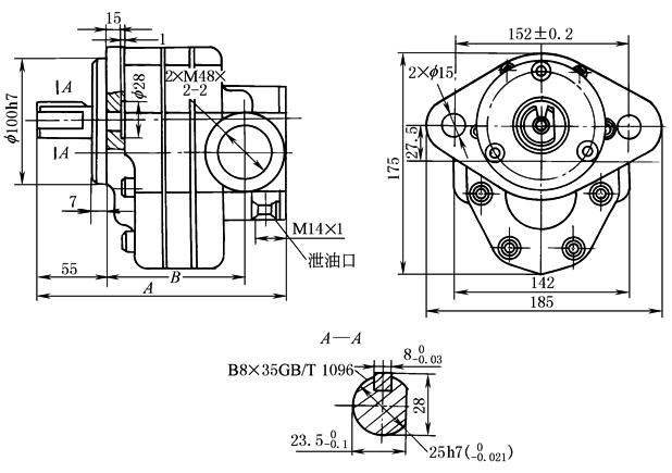
CM-E70C~E210C |
|
|
||||||||||||||||||||||||||
|
|
|
|
|
|
|
|||||||||||||||||||||||
|
|
|
|
|
|
|
|||||||||||||||||||||||
|
|
|
|
|
|
|
|||||||||||||||||||||||
|
型号 |
CM- E70C |
CM- E105C |
CM- E140C |
CM- E175C |
CM- E210C |
|||||||||||||||||||||||
|
A |
164.4 |
177.4 |
190.4 |
203.4 |
216.4 |
|||||||||||||||||||||||
|
B |
280.7 |
293.7 |
306.7 |
319.7 |
332.7 |
|||||||||||||||||||||||
|
|
|
|
|
|
|
|||||||||||||||||||||||
|
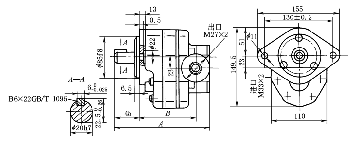
CM-F10C~F40C |
|
|||||||||||||||||||||||||||
|
型号 |
CM-F10C |
CM-F18C |
CM-F25C |
CM-F32C |
CM-F40C |
|||||||||||||||||||||||
|
A |
159 |
164 |
169 |
174 |
179 |
|||||||||||||||||||||||
|
B |
89 |
94 |
99 |
104 |
109 |
|||||||||||||||||||||||





