|
YB型、YB1型叶片泵 |
|||||||||||
|
YB型泵是我国第一代国产叶片泵第5次改型产品,具有结构简单、性能稳定、排量范围大、压力流量脉动小、噪声低、寿命长等一系列优点,广泛用于机床设备和其他中低压液压传动系统中 YB-Y2型、YB1型均为YB型的改进型 (1)YB型叶片泵 表1 主要技术参数 |
|||||||||||
|
型 号 |
理论排量 /mL·r-1 |
额定压力 /MPa |
输出流量 /L·min-1 |
驱动功率 kW |
转速/r·min-1 |
重量/kg |
油口尺寸 |
||||
|
额定 |
最低 |
最高 |
脚架安装 |
法兰安装 |
进口 |
出口 |
|||||
|
YB-A6B |
6.5 |
7 |
4.0 |
1.0 |
1000 |
800 |
2000 |
10 |
9 |
Rc1 |
Rc3/4 |
|
YB-A9B |
9.1 |
6.9 |
1.3 |
600 |
|||||||
|
YB-A14B |
14.5 |
11.9 |
2.1 |
||||||||
|
YB-A16B |
16.3 |
13.7 |
2.4 |
1800 |
|||||||
|
YB-A26B |
26.1 |
22.5 |
3.8 |
||||||||
|
YB-A36B |
35.9 |
30.9 |
5.2 |
1500 |
|||||||
|
YB-B48B |
48.3 |
42.7 |
6.9 |
1500 |
25 |
25 |
Rc1½ |
Rc1¼ |
|||
|
YB-B60B |
61.0 |
53.9 |
8.7 |
||||||||
|
YB-B74B |
74.8 |
66.1 |
10.7 |
||||||||
|
YB-B92B |
93.5 |
83.5 |
13.4 |
1200 |
|||||||
|
YB-B113B |
115.4 |
102.8 |
16.5 |
||||||||
|
YB-C129B |
133.9 |
119.3 |
19.2 |
114 |
110 |
Rc2 |
Rc1½ |
||||
|
YB-C148B |
153.0 |
136.3 |
21.9 |
||||||||
|
YB-C171B |
176.9 |
157.6 |
25.3 |
||||||||
|
YB-C194B |
200.9 |
179.0 |
28.8 |
||||||||
|
注:输出流量、驱动功率均为额定工况下保证值。 |
|||||||||||
|
表2 外形尺寸 mm |
||||||||
|
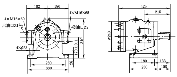
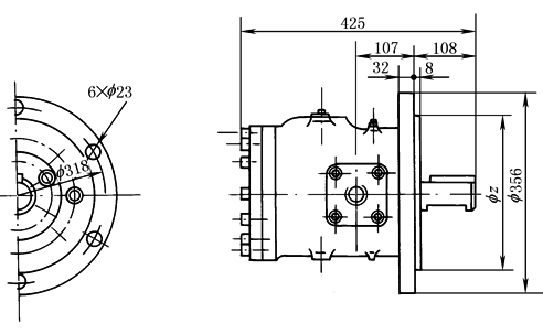
YB-A※B型 |
脚架安装式 |
|
||||||
|
法兰安装式 |
|
|||||||
|
YB-B※B型 |
脚架安装式 |
|
||||||
|
法兰安装式 |
|
|||||||
|
YB-C※B型 |
脚架安装式 |
|
||||||
|
法兰安装式 |
|
|||||||
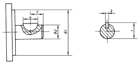
|
轴 伸 尺 寸 |
|
|||||||
|
型 号 |
尺 寸/mm |
|||||||
|
fd |
k |
t |
u |
y |
fz |
|||
|
YB-A※B型 |
|
|
24 |
21 |
20 |
|
||
|
YB-B※B型 |
|
|
33 |
25 |
25 |
|
||
|
YB-C※B型 |
|
|
53.5 |
85 |
— |
|
||
|
注:需要其他类型的轴伸时,请与生产厂联系。 |
||||||||
|
(2)YB-※-Y2型叶片泵 表3 主要性能参数与外形尺寸 mm |
||||||||||||
|
主 要 性 能 参 数 |
型 号 |
理论排量 /mL·r-1 |
额定压力 /MPa |
输出流量 /L·min-1 |
驱动功率 /kW |
转速/r·min-1 |
重量/kg |
油口尺寸 |
||||
|
额定 |
最低 |
最高 |
脚架安装 |
法兰安装 |
进口 |
出口 |
||||||
|
YB-A6B-Y2 |
6.5 |
7 |
4.0 |
1.0 |
1000 |
800 |
2000 |
8 |
6.4 |
Z1 |
Z3/4 |
|
|
YB-A9B-Y2 |
9.1 |
6.9 |
1.3 |
600 |
||||||||
|
YB-A14B-Y2 |
14.5 |
11.9 |
2.1 |
|||||||||
|
YB-A16B-Y2 |
16.3 |
13.7 |
2.4 |
1800 |
||||||||
|
YB-A26B-Y2 |
26.1 |
22.5 |
3.8 |
|||||||||
|
YB-A36B-Y2 |
35.9 |
30.9 |
5.2 |
1500 |
||||||||
|
外
形
尺
寸 |
法兰安装式 |
|
||||||||||
|
脚架安装式 |
||||||||||||
|
注:输出流量、驱动功率均为额定工况下保证值。 |
||||||||||||
|
(3)YB1型中、低压单级叶片泵 型号意义:
|
||||||||||||
|
表4 主要技术参数 |
|||||||
|
型 号 |
排量/mL·r-1 |
额定压力/MPa |
转速/r·min-1 |
容积效率 |
总效率 |
驱动功率/kW |
重 量/kg |
|
YB1-2.5 |
2.5 |
6.3 |
1450 |
≥80 |
≥80 |
0.6 |
5.3 |
|
YB1-4 |
4 |
0.8 |
|||||
|
YB1-6.3 |
6 |
1.5 |
|||||
|
YB1-10 |
10 |
2.2 |
|||||
|
YB1-12 |
12 |
960 |
≥90 |
2 |
8.7 |
||
|
YB1-16 |
16 |
2.2 |
|||||
|
YB1-25 |
25 |
4 |
|||||
|
YB1-32 |
32 |
5 |
16 |
||||
|
YB1-40 |
40 |
5.5 |
|||||
|
YB1-50 |
50 |
7.5 |
|||||
|
YB1-63 |
63 |
10 |
20 |
||||
|
YB1-80 |
80 |
12 |
|||||
|
YB1-100 |
100 |
13 |
|||||
|
表5 外形尺寸 mm |
|||||||||||||||||||||||||||||||
|
YB1型单级 |
|||||||||||||||||||||||||||||||
|
型 号 |
L |
L1 |
L2 |
B |
B1 |
H |
S |
D1 |
D2 |
d |
d1 |
c |
t |
b |
Z1 |
Z2 |
|||||||||||||||
|
YB1-2.5、4、6.3、10 |
149 |
80 |
36 |
36 |
16 |
114 |
90 |
757 |
100 |
15h6 |
9 |
5 |
17 |
5 |
Z3/8 |
Z1/4 |
|||||||||||||||
|
YB1-16、25 |
184 |
98 |
38 |
45 |
20 |
140 |
110 |
907 |
128 |
20h6 |
11 |
5 |
22 |
5 |
Z1 |
Z3/4 |
|||||||||||||||
|
YB1-32、40、50 |
210 |
110 |
45 |
50 |
25 |
170 |
130 |
907 |
150 |
25h6 |
13 |
5 |
28 |
8 |
Z1 |
Z1 |
|||||||||||||||
|
YB1-63、80、100 |
224 |
118 |
49 |
50 |
30 |
200 |
150 |
907 |
175 |
30h6 |
13 |
5 |
33 |
8 |
Z1¼ |
Z1 |
|||||||||||||||
|
YB1型双级 |
|
||||||||||||||||||||||||||||||
|
型 号 |
L |
L1 |
L2 |
L3 |
B |
B1 |
H |
S |
D1 |
D2 |
d |
d1 |
c |
t |
b |
Z1 |
Z2 |
Z3 |
|||||||||||||
|
YB1-2.5~10/2.5~10 |
218 |
98 |
36 |
128 |
36 |
19 |
119 |
90 |
757 |
100 |
15h6 |
9 |
5 |
17 |
5 |
Z3/4 |
Z1/4 |
Z1/4 |
|||||||||||||
|
YB1-2.5~10/16~25 |
248 |
105 |
38 |
136 |
45 |
19 |
142 |
110 |
907 |
128 |
20h6 |
11 |
5 |
22 |
5 |
Z1 |
Z3/4 |
Z1/4 |
|||||||||||||
|
YB1-2.5~10/32~50 |
278 |
119 |
45 |
166 |
50 |
30 |
175 |
130 |
907 |
150 |
25h6 |
13 |
5 |
28 |
8 |
Z1¼ |
Z1 |
Z1/4 |
|||||||||||||
|
YB1-2.5~10/63~100 |
303 |
150 |
49 |
178 |
50 |
30 |
200 |
150 |
907 |
175 |
30h6 |
13 |
5 |
33 |
8 |
Z1½ |
Z1Z |
Z1/4 |
|||||||||||||
|
YB1-16~25/16~25 |
276 |
122 |
38 |
166 |
45 |
19 |
142 |
110 |
907 |
128 |
20h6 |
11 |
5 |
22 |
5 |
Z1 |
Z3/4 |
Z3/4 |
|||||||||||||
|
YB1-16~25/32~50 |
304 |
121 |
45 |
183 |
50 |
30 |
175 |
130 |
907 |
150 |
25h6 |
13 |
5 |
28 |
8 |
Z1¼ |
Z1 |
Z3/4 |
|||||||||||||
|
YB1-16~25/63~100 |
320 |
144 |
49 |
194 |
50 |
30 |
205 |
150 |
907 |
175 |
30h6 |
13 |
5 |
33 |
8 |
Z1½ |
Z1 |
Z3/4 |
|||||||||||||
|
YB1-32~50/32~50 |
316 |
139 |
45 |
190 |
50 |
30 |
175 |
130 |
907 |
150 |
25h6 |
13 |
5 |
28 |
8 |
Z1¼ |
Z1 |
Z1 |
|||||||||||||
|
YB1-32~50/63~100 |
337 |
128 |
49 |
207 |
50 |
30 |
205 |
150 |
907 |
175 |
30h6 |
13 |
5 |
33 |
8 |
Z2 |
Z1 |
Z1 |
|||||||||||||
|
YB1-63~100/63~100 |
348 |
158 |
49 |
218 |
50 |
30 |
205 |
150 |
907 |
175 |
30h6 |
13 |
5 |
33 |
8 |
Z2 |
Z1 |
Z1 |
|||||||||||||









