|
复合齿轮泵 |
||||||||||||||||||||||
|
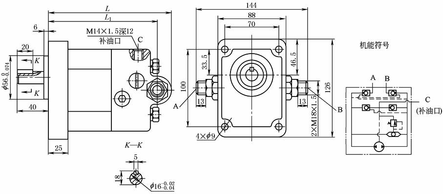
CBW/FA-E4系列复合齿轮油泵由一齿轮油泵与一单稳分流阀组合而成,为液压系统提供一主油路油流及另一稳定油流,有多种分流流量供用户选择,广泛应用于叉车、装载机、挖掘机、起重机、压路机等工程机械及矿山、轻工、环卫、农机等行业 CBWS/F-D3系列复合双向齿轮油泵由一双向旋转齿轮油泵和一组合阀块组合而成,组合阀块由梭形阀、安全阀、单向阀及液控单向阀组成,具有结构紧凑、性能优良、压力损失小等特点,主要用于液控阀门、液控推杆等闭式液压系统,为油缸提供双向稳定油流。
|
||||||||||||||||||||||
|
技术参数及外形尺寸 mm |
||||||||||||||||||||||
|
CBW/FA型 |
|
|||||||||||||||||||||
|
型 号 |
公称排量 /mL·r-1 |
压力/MPa |
转速/r·min-1 |
B口分流流量 /L·min-1 |
L1 |
L |
a |
b |
D |
质量 /kg |
||||||||||||
|
额定 |
最高 |
最低 |
额定 |
最高 |
||||||||||||||||||
|
CBW/FA-E425-AFXL/※※ |
25 |
16 |
20 |
600 |
2500 |
3000 |
8,10,12,14,16 |
65.8 |
188 |
52.4 |
26.2 |
26 |
7.0 |
|||||||||
|
CBW/FA-E432-AFXL/※※ |
32 |
69.5 |
195.5 |
7.3 |
||||||||||||||||||
|
CBW/FA-E440-AFXL/※※ |
40 |
74 |
204.5 |
57.2 |
26 |
30 |
7.6 |
|||||||||||||||
|
CBWS/F型 |
|
|||||||||||||||||||||
|
型 号 |
公称排量 /mL·r-1 |
压力/MPa |
转速/r·min-1 |
容积效率 /% |
L1 |
L |
质量 /kg |
|||||||||||||||
|
额定 |
最高 |
最低 |
额定 |
最高 |
||||||||||||||||||
|
CBWS/F-D304-CLPS |
4 |
10 |
12 |
800 |
1500 |
1800 |
≥80 |
135.5 |
153.5 |
5.5 |
||||||||||||
|
CBWS/F-D306-CLPS |
6 |
139 |
157 |
5.6 |
||||||||||||||||||
|
CBWS/F-D308-CLPS |
8 |
142.5 |
160.5 |
5.7 |
||||||||||||||||||
|
CBWS/F-D310-CLPS |
10 |
145 |
163 |
5.8 |
||||||||||||||||||



