|
液压系统的组成和型式 |
|||
|
为实现某种规定功能,由液压元件构成的组合,叫做液压回路。液压回路按给定的用途和要求组成的整体,叫做液压系统。液压系统通常由三个功能部分和辅助装置组成,见下表1。液压系统按液流循环方式分,有开式和闭式两种。见下表2。 表1 液压系统的组成 |
|||
|
动力部分 |
控制部分 |
执行部分 |
辅助装置 |
|
液压泵 用以将机械能转换成液体压力能 有时也将蓄能器作为紧急或辅助动力源 |
各类压力、流量、方向等控制阀 用以实现对执行元件的运动速度、方向、作用力等的控制,也用于实现过载保护、程序控制等 |
液压缸、液压马达等 用以将液体压力能转换成机械能 |
管道、蓄能器、过滤器、油箱、冷却器、加热器、压力表、流量计等 |
|
表2 液压系统的型式 |
||
|
型 式 |
开 式 |
闭 式 |
|
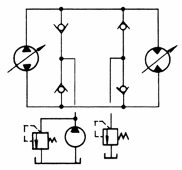
图示 |
|
|
|
特点 |
泵从油箱吸油输入管路,油完成工作后排回油箱,优点是结构简单,散热、澄清条件好,应用较普遍。缺点是油箱体积较大,空气与油接触的机会多,容易渗入 |
泵的吸、排油口直接与液压执行元件的进出油口相连,形成一个闭合循环。为了补偿泄漏损失,通常需要一个辅助补偿油泵和油箱。这种系统的优点是油箱的体积很小,结构紧凑,空气进入油液的机会少。缺点是系统结构复杂,散热条件较差,并要求有较高的过滤精度,故应用较少 |


