|
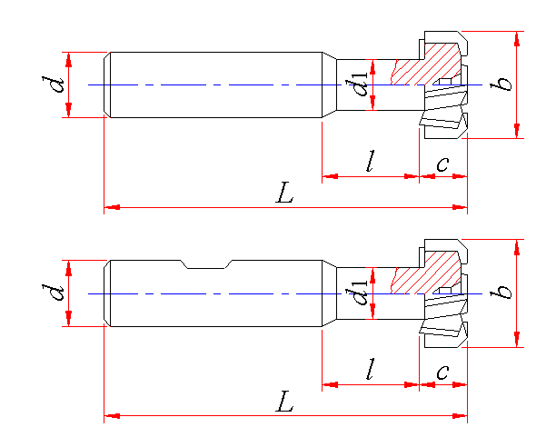
直柄T形槽铣刀 (摘自 GB/T 6124.1—1996) (mm) |
||||||||||
|
|
||||||||||
|
b h12 |
11 |
12.5 |
16 |
18 |
21 |
25 |
32 |
40 |
50 |
60 |
|
c h12 |
4.5 |
6 |
8 |
9 |
11 |
14 |
18 |
22 |
28 |
|
|
d1 max |
4 |
5 |
7 |
8 |
10 |
12 |
15 |
19 |
25 |
30 |
|
l +1 0 |
10 |
11 |
14 |
17 |
20 |
23 |
28 |
34 |
42 |
51 |
|
d |
10 |
12 |
16 |
25 |
32 |
|||||
|
L js18 |
53.5 |
57 |
62 |
70 |
74 |
82 |
90 |
108 |
124 |
139 |
|
A |
5 |
6 |
8 |
10 |
12 |
14 |
18 |
22 |
28 |
36 |

