|
气爪夹紧力计算举例 |
|||||||||||||||||||||||||||||||||||||||
|
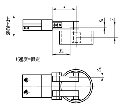
当计算出气爪抓取工件时的夹紧力后,需核对气动制造厂商提供的该气爪的技术数据(通常,气动制造厂商会提供该气爪静态、动态许用夹紧力和许用转矩) 例1 以FESTO产品样本举例,用平行气爪提举一个质量为0.7kg的圆环形钢件进行上下恒速送料运动。具体尺寸和形状如图1所示 |
|||||||||||||||||||||||||||||||||||||||
|
图1 |
力臂 偏心距 工作压力 圆环形钢件质量 气爪夹头质量 气爪夹头重心力臂
|
X=70mm Y=30mm p=6bar m=0.70kg mf=0.2kg Xs=60mm, Ys=8mm, Zs=3mm |
|||||||||||||||||||||||||||||||||||||
|
循环时间 提举加速度 |
t=1s a=0m/s2 |
||||||||||||||||||||||||||||||||||||||
|
计算后得出,夹紧力F=0.7×9.81×4/(2×0.15)=91.56kg·m/s2=91.56N 根据计算结果,如选择FESTO公司样本中的平行气爪HGP-25,公司产品样本将会提供力臂与夹紧力/偏心距与夹紧力的图表(见图2和图3)、气爪的许用力矩及附加的气爪夹头质量和关闭时间的推荐图表等 |
|||||||||||||||||||||||||||||||||||||||
|
图2 夹紧力与工作压力及力壁X的关系 |
图3 6bar时,夹紧力与力壁X,偏心距Y的关系 |
||||||||||||||||||||||||||||||||||||||
|
第一步:验算夹紧力 由于此例为复合坐标,故选择图2进行验算 在图表中确定力臂X(X=70mm)及偏心距Y(Y=30mm)相交,通过交点画一弧线,与垂直坐标(力臂X处)相交,过该交点画一横线,读取合拢与打开时的数值(合拢时为118N,打开时为128N) 根据图表得出,该公司提供的HGP-25的平行气爪在上述条件下,夹紧力为118N,大于91.56N 第二步:验算力矩 |
|||||||||||||||||||||||||||||||||||||||
|
|
|
||||||||||||||||||||||||||||||||||||||
|
MX=91.56N×7cm(力臂X)=637N·cm=6.37N·m,查表后HGP-25最大许用力矩MX为11N·m,6.37<11,因此MX没有问题 MY=(2×mf×g×Xs)+(M×g×X)=(2×0.2×9.81×6)+(0.7×9.81×7)=71.6N·cm=0.716N·m,查表后HGP-25最大许用力矩MY为11N·m,0.716<11,因此MY没有问题(注意此例条件为气爪水平安装时抓取工件,上下抓取运动) MZ=91.56N×3cm(力臂Y)=274.68N·cm=2.7468N·m,查表后HGP-25最大许用力矩MZ为11N·m,2.7468<11,因此MZ没有问题(注意此例条件为气爪水平安装时抓取工件,上下抓取运动) 需要说明的是,该例运动加速度为0,如果气爪在有加速度的情况下,上述公式需要修改,如MY=[2×mf×(g+a)×Xs]+[M×(g+a)×X] 第三步:验算夹头的工作频率 如果气爪辅助夹具负载增加,意味着动能增加,可能损坏气爪部件,要么需对辅助夹具的最大质量进行限制,要么需对气爪夹紧运动时间(打开或关闭)进行限制。下表是不同规格(带外部气爪)手指和应用负载时打开或关闭的时间关系表 气爪质量为0.2kg,即重量约2N,从表中可知,打开或关闭的时间不能超过200ms(0.2s),满足此例中循环时间小于1s的条件 如果验算所得结果超出数值,则应该选用更大规格的气爪或者缩短力臂或降低安全系数或改变夹头的摩擦因数或降低工作压力 例2 根据SMC公司样本,对该公司MHZ□2-16平行气爪计算、选择 给出条件:气爪夹持重物如图4所示。气爪水平放置,夹持重物0.1kg,夹持重物外径,夹持点距离L=30mm,向下外伸量H=10mm,使用压力0.4MPa |
|||||||||||||||||||||||||||||||||||||||
|
不同规格(带外部气瓜)手指和应用负载时打开或关闭的时间关系表 |
|||||||
|
活塞直径f /cm |
6 |
10 |
16 |
20 |
25 |
35 |
|
|
HGP/N |
0.06 |
5 |
— |
— |
— |
— |
— |
|
0.08 |
10 |
— |
— |
— |
— |
— |
|
|
0.1 |
20 |
— |
— |
— |
— |
— |
|
|
0.2 |
50 |
— |
— |
— |
— |
— |
|
|
0.5 |
— |
100 |
— |
— |
— |
— |
|
|
1 |
— |
200 |
100 |
— |
— |
— |
|
|
1.25 |
— |
— |
— |
100 |
— |
— |
|
|
1.5 |
— |
300 |
200 |
— |
100 |
— |
|
|
1.75 |
— |
— |
— |
200 |
— |
— |
|
|
2 |
— |
— |
300 |
— |
200 |
100 |
|
|
2.5 |
— |
— |
— |
300 |
— |
— |
|
|
3 |
— |
— |
— |
— |
300 |
200 |
|
|
4 |
— |
— |
— |
— |
— |
300 |
|
|
1) 计算夹持力:由图5可知,n个手指的总夹持力产生的摩擦力nμF必须大于夹持工件的重力mg,考虑到搬送工件时的加速度及冲击力等,必须设定一个安全系数α,故应满足 nμF>αmg
式中 μ——摩擦因数,一般μ=0.1~0.2; α——安全系数,一般α=4;
本例若选用2个手指,则必要夹持力F=20mg=(20×0.1×9.8)N=19.6N。从图6可知,p=0.4MPa,L=30mm时的夹持力为24N,大于必要夹持力,故选MHZ□2-16是合格的 2) 夹持点距离的确认:夹持点距离必须小于允许外伸量,否则会降低气爪的使用寿命 由图7可知,MHZ□2-16气爪当L=30mm,p=0.4MPa时的允许外伸量为13mm,大于实际外伸量10mm,故选型合理 3) 手指上外力的确认:MHZ□2系列的最大允许垂直负载及力矩见下表及图8 |
|
|
图4 气爪夹持重物例 |
图5 夹持力计算用图 |
|
图6 MHZ□2-16外径夹持 |
图7 MHZ□2-16的允许外伸量 |
|
MHZ□2系列的最大允许垂直负载及力矩 |
||||
|
型号 |
允许垂直负载 FV/N |
最大允许力矩/N·m |
||
|
弯曲力矩Mp |
偏转力矩My |
回转力矩Mr |
||
|
MHZ□2-6 |
10 |
0.04 |
0.04 |
0.08 |
|
MHZ□2-10 |
58 |
0.26 |
0.26 |
0.53 |
|
MHZ□2-16 |
98 |
0.68 |
0.68 |
1.36 |
|
MHZ□2-20 |
147 |
1.32 |
1.32 |
2.65 |
|
MHZ□2-25 |
255 |
1.94 |
1.94 |
3.88 |
|
MHZ□2-32 |
343 |
3.00 |
3.00 |
6.00 |
|
MHZ□2-40 |
490 |
4.50 |
4.50 |
9.00 |
|
从上表可知,MHZ□2-16的允许垂直负载为98N,最大允许弯曲力矩及偏转力矩均为0.68N·m,最大允许回转力矩为1.36N·m,本例仅存在弯曲力矩Mp=mgL=(0.1×9.8×0.03)N·m=0.0294N·m,远小于最大允许弯曲力矩,故选型合格。
图8 垂直负载及各种力矩的示意图 |
||||









