|
地震载荷 |
|||||||
|
只有重要的设备要求地震情况下不得损坏时,才考虑地震载荷的校核。例如压力容器或塔式容器,地震造成损失大或有有害物质逸出,必须对高于10m以上且高度与直径比大于5的,在地震烈度为7或以上地区时进行校核 对于受地震破坏影响的机械设备钢机架,如其上无重型集中载荷(如塔楼),基础又不在Ⅲ、Ⅳ类土场地(饱和松砂、淤泥和淤泥质土、充填土、杂填土等),在地震烈度小于或等于8时,不必校验地震破坏 以下为圆形塔器的地震载荷计算示例 自振周期: 对等厚等直径的塔器
对不等厚等直径的塔器
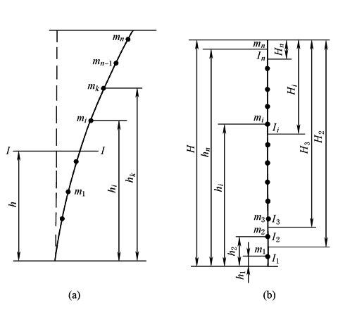
式中 E——弹性模量,MPa; mo——塔的操作质量,kg; mi——不等厚等直径塔器的第i段的操作质量,kg; Di——塔壳内径,mm; δc——塔壳有效厚度,mm; Ii——第i段截面惯性矩,mm4; H——圆形设备总高度,mm; Hi——设备顶至第i段截面的距离,mm,见图2; hi——设备第i段集中质量距地面的高度,mm。对某一段,直径和厚度不变时,可处理为集中质量作用于该段中部 水平地震力的计算如下: 在任意高度hk处的集中质量mk引起的水平地震力Fk按下式计算:
式中 mk——距地面高度hk处的集中质量(见图2a),kg; g——重力加速度,g=9.8m/s2; Cz——考虑结构的综合影响系数,对圆形设备取0.5; ηk——振型参与系数,按式(1)计算;
α1——对应于设备基本自振周期T1的地震影响系数α值,查图1,曲线部分按式(2)计算,但不得小于0.2αmax,
Tg——各类土的特征周期,见表1; αmax——地震影响系数α1的最大值,见表2
图1 |
|||||||
|
表1 场地土的特征周期Tg s |
|||||||
|
场地土 |
近 震 |
远 震 |
场地土 |
近 震 |
远 震 |
||
|
Ⅰ |
0.2 |
0.25 |
Ⅲ |
0.4 |
0.55 |
||
|
Ⅱ |
0.3 |
0.40 |
Ⅳ |
0.65 |
0.85 |
||
|
表2 地震影响系数α的最大值 |
|||||||
|
设计烈度 |
7 |
8 |
9 |
||||
|
αmax |
0.23 |
0.45 |
0.90 |
||||
|
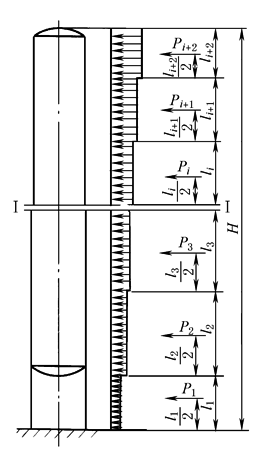
计算地震载荷和风载荷的参数见图2及图3
图2
l1,l2,…—分段高度;P1,P2,…—各段的水平风力 图3 塔底截面处的垂直地震力
式中 αvmax——垂直地震影响系数最大值,取αvmax=0.65αmax; meq——塔器底截面的当量质量,取meq=0.75mo,kg 对于其他形状设备,计算方法类似,可参阅GB 50135—2006《高耸结构设计规范》及GB 50011—2001《建筑抗震设计规范》。其自振周期的计算还可参阅GB 50009—2001《建筑结构载荷规范》的附录,或GY 5001—2004《钢塔桅结构设计规范》,或按一般工程力学的方法进行计算 场地土详细分类方法可参看JB 4710—2004《钢制塔式容器》的附录 |
|||||||







