|
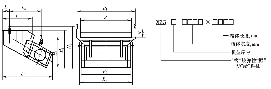
XZG型系列振动给料机 |
||||||||||||
|
XZG系列振动给料机是双质体惯性近共振振动给料机,广泛用于冶金、化工建材、煤炭等工业部门作散状物料、矿物的放矿和给料用
|
||||||||||||
|
型号 |
槽形尺寸 (宽×长×高)/mm |
生产率/t·h-1 |
给料粒 度/mm |
振动 频率 |
振幅 /mm |
电流 /A |
电压 /V |
功率 /kW |
重量/kg |
|||
|
水平 |
-10° |
-12° |
||||||||||
|
XZG1 |
200×600××100 |
5 |
10 |
15 |
50 |
1000 |
2 |
0.32 |
220~380 |
0.2 |
70 |
|
|
XZG2 |
300×800×120 |
10 |
20 |
30 |
50 |
1000 |
2.5 |
0.4 |
220~380 |
0.2 |
140 |
|
|
XZG3 |
400×900×150 |
20 |
50 |
80 |
70 |
1000 |
2.5 |
0.62 |
220~380 |
0.2 |
200 |
|
|
XZG4 |
500×1100×200 |
50 |
100 |
150 |
100 |
1000 |
3 |
1.24 |
380~660 |
0.45 |
350 |
|
|
XZG5 |
700×1200×250 |
100 |
150 |
200 |
150 |
1000 |
3 |
1.74 |
380~660 |
0.75 |
650 |
|
|
XZG6 |
900×600×250 |
150 |
250 |
350 |
200 |
1000 |
3.5 |
3.5 |
380~660 |
1.52 |
1240 |
|
|
XZG7 |
1100×1800×250 |
250 |
400 |
550 |
250 |
1000 |
3.5 |
8.4 |
380~660 |
2.4 |
1900 |
|
|
XZG8 |
1300×2200×300 |
400 |
600 |
800 |
300 |
1000 |
4 |
10.5 |
380~660 |
3.7 |
3000 |
|
|
XZG9 |
1500×2400×300 |
600 |
850 |
1000 |
350 |
1000 |
4 |
11.4 |
380~660 |
5.5 |
3700 |
|
|
XZG10 |
1800×2500×375 |
750 |
1100 |
1300 |
500 |
1000 |
5 |
17.2 |
380~660 |
7.5 |
6450 |
|
|
XZG11 |
2000×2800×375 |
1100 |
1500 |
1800 |
500 |
1000 |
5 |
22.4 |
380~660 |
10 |
7630 |
|
|
XZGK1 |
1600×1400×250 |
— |
200 |
250 |
100 |
1000 |
3.5 |
8.4 |
380~660 |
2.4 |
1600 |
|
|
XZGK2 |
1900×1400×250 |
— |
250 |
300 |
100 |
1000 |
3.5 |
8.4 |
380~660 |
2.4 |
1650 |
|
|
XZGK3 |
2200×1400×250 |
— |
270 |
350 |
100 |
1000 |
4 |
10.5 |
380~660 |
3.2 |
1760 |
|
|
XZGK4 |
2500×1400×250 |
— |
300 |
400 |
100 |
1000 |
4 |
10.5 |
380~660 |
3.2 |
1856 |
|
|
型号 |
外形尺寸/mm |
|||||||||||
|
B |
B1 |
B2 |
B3 |
H |
H1 |
H2 |
H3 |
L |
L1 |
L2 |
L3 |
|
|
XZG1 |
200 |
280 |
220 |
230 |
100 |
470 |
500 |
690 |
600 |
209 |
550 |
970 |
|
XZG2 |
300 |
388 |
220 |
230 |
120 |
490 |
520 |
690 |
800 |
310 |
660 |
1140 |
|
XZG3 |
400 |
496 |
230 |
240 |
150 |
470 |
500 |
700 |
311 |
100 |
200 |
500 |
|
XZG4 |
500 |
623 |
430 |
580 |
200 |
680 |
850 |
1100 |
1100 |
416 |
960 |
1460 |
|
XZG5 |
700 |
850 |
562 |
692 |
250 |
730 |
1000 |
1390 |
1200 |
465 |
1050 |
1630 |
|
XZG6 |
900 |
1057 |
560 |
720 |
250 |
1035 |
1200 |
1640 |
1600 |
500 |
1360 |
2300 |
|
XZG7 |
1100 |
1257 |
960 |
1100 |
250 |
1400 |
1320 |
1850 |
1800 |
650 |
1465 |
2550 |
|
XZG8 |
1300 |
1476 |
1200 |
1060 |
300 |
1460 |
1343 |
1995 |
2200 |
750 |
1800 |
2960 |
|
XZG9 |
1500 |
1676 |
1200 |
1340 |
300 |
1580 |
1440 |
2200 |
2400 |
800 |
2000 |
3180 |
|
XZG10 |
1800 |
2014 |
2304 |
1000 |
375 |
1500 |
1450 |
2235 |
2500 |
900 |
2120 |
3630 |
|
XZG11 |
2000 |
2294 |
2425 |
1010 |
375 |
1580 |
1545 |
2310 |
2800 |
900 |
2370 |
4060 |
|
XZGK1 |
1600 |
1750 |
1200 |
1350 |
250 |
1330 |
1090 |
1720 |
1400 |
450 |
1260 |
2050 |
|
XZGK2 |
1900 |
2050 |
1200 |
1350 |
250 |
1330 |
1090 |
1720 |
1400 |
450 |
1260 |
2050 |
|
XZGK3 |
2200 |
2350 |
1200 |
1350 |
250 |
1330 |
1090 |
1720 |
1400 |
450 |
1260 |
2050 |
|
XZGK4 |
2500 |
2650 |
1200 |
1350 |
250 |
1330 |
1090 |
1720 |
1400 |
450 |
1260 |
2050 |
|
注:生产厂家为河南省鹤壁市煤化机械厂。 |
||||||||||||

