|
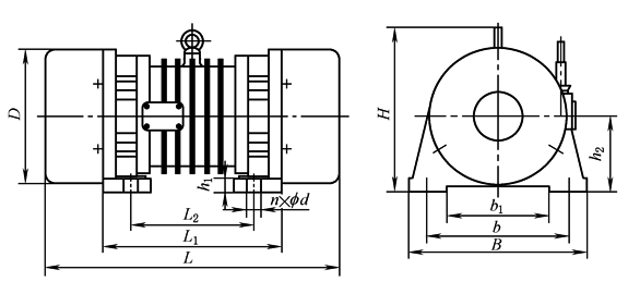
ZG型振动电机(四极)安装尺寸 |
|||||||||||
|
mm |
|||||||||||
|
型号 |
L |
B |
H |
L1 |
L2 |
b |
b1 |
h1 |
h2 |
D |
n×f d |
|
ZG402 |
348 |
210 |
212 |
176 |
130 |
170 |
110 |
18 |
90 |
160 |
4×18 |
|
ZG405 |
368 |
240 |
240 |
190 |
140 |
190 |
120 |
18 |
105 |
190 |
4×18 |
|
ZG410 |
470 |
320 |
303 |
296 |
200 |
260 |
180 |
27 |
140 |
250 |
4×26 |
|
ZG415 |
490 |
320 |
303 |
316 |
220 |
260 |
180 |
27 |
140 |
250 |
4×26 |
|
ZG420 |
537 |
380 |
365 |
333 |
205 |
310 |
210 |
32 |
165 |
303 |
4×32 |
|
ZG432 |
550 |
380 |
365 |
346 |
218 |
310 |
210 |
32 |
165 |
303 |
4×32 |
|
ZG440 |
618 |
450 |
430 |
371 |
227 |
350 |
230 |
45 |
195 |
359 |
4×44 |
|
ZG450 |
643 |
450 |
430 |
396 |
252 |
350 |
230 |
45 |
195 |
359 |
4×44 |
|
ZG609 |
480 |
320 |
303 |
296 |
200 |
260 |
180 |
27 |
140 |
250 |
4×26 |
|
ZG612 |
536 |
320 |
303 |
316 |
220 |
260 |
180 |
27 |
140 |
250 |
4×26 |
|
ZG618 |
537 |
380 |
365 |
333 |
205 |
310 |
210 |
32 |
165 |
303 |
4×32 |
|
ZG625 |
596 |
380 |
365 |
346 |
218 |
310 |
210 |
32 |
165 |
303 |
4×32 |
|
ZG636 |
617 |
450 |
430 |
379 |
227 |
350 |
230 |
45 |
195 |
359 |
4×44 |
|
ZG645 |
676 |
450 |
430 |
404 |
252 |
350 |
230 |
45 |
195 |
359 |
4×44 |
|
ZG660 |
796 |
560 |
512 |
472 |
276 |
430 |
280 |
45 |
240 |
440 |
4×50 |
|
ZG820 |
688 |
380 |
365 |
376 |
248 |
310 |
210 |
32 |
165 |
303 |
4×32 |
|
ZG830 |
724 |
450 |
430 |
404 |
252 |
350 |
230 |
45 |
195 |
359 |
4×44 |
|
ZG840 |
786 |
450 |
430 |
414 |
262 |
350 |
230 |
45 |
195 |
359 |
4×44 |
|
注:具体安装设计时应与厂方联系,下同。 |
|||||||||||

