|
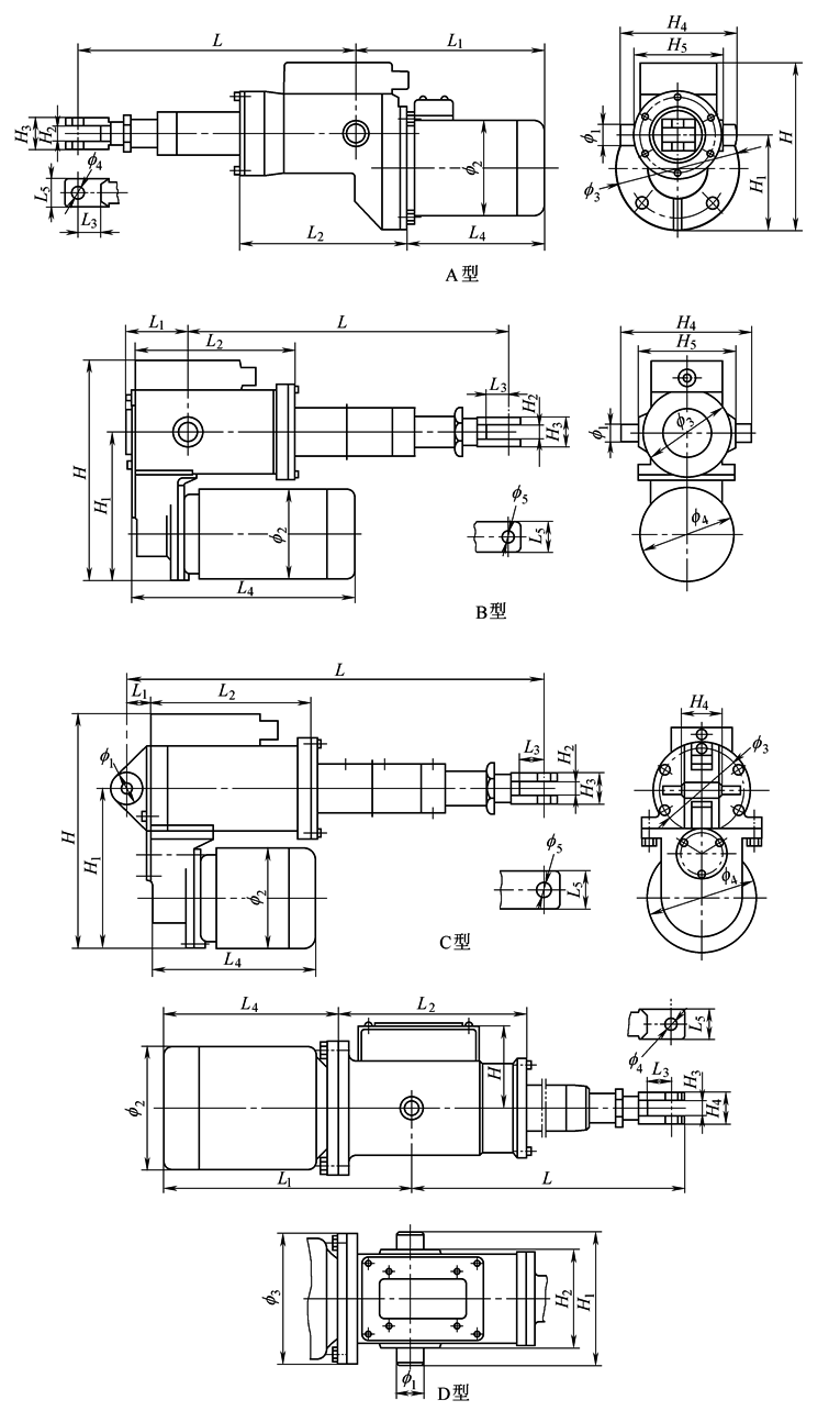
DG型电动推杆 |
||||||||||||||||||||||||||||||||||||||||||||||||||||
|
|
||||||||||||||||||||||||||||||||||||||||||||||||||||
|
技术参数 mm |
||||||||||||||||||||||||||||||||||||||||||||||||||||
|
A
型 |
额定 推力 |
额定 行程 /mm |
速度 /mm·s-1 |
L |
L1 |
L2 |
L3 |
L4 |
L5 |
H |
H1 |
H2 |
H3 |
H4 |
H5 |
f 1 |
f 2 |
f 3 |
f 4 |
f 5 |
电动机型号 M/K |
质量 /kg |
||||||||||||||||||||||||||||||
|
0.98kN (100kgf) |
200 |
M:42 K:84 |
432 |
218 |
210 |
30 |
153 |
38 |
217 |
124 |
20 |
40 |
152 |
112 |
25 |
112 |
160 |
15 |
— |
M:YZA5624 120W 0.47A K:YZA5622 180W 0.52A |
20 |
|||||||||||||||||||||||||||||||
|
400 |
632 |
218 |
210 |
30 |
153 |
38 |
217 |
124 |
20 |
40 |
152 |
112 |
25 |
112 |
160 |
15 |
— |
22 |
||||||||||||||||||||||||||||||||||
|
600 |
832 |
218 |
210 |
30 |
153 |
38 |
217 |
124 |
20 |
40 |
152 |
112 |
25 |
112 |
160 |
15 |
— |
24 |
||||||||||||||||||||||||||||||||||
|
800 |
1032 |
218 |
210 |
30 |
153 |
38 |
217 |
124 |
20 |
40 |
152 |
112 |
25 |
112 |
160 |
15 |
— |
26 |
||||||||||||||||||||||||||||||||||
|
2.94kN (300kgf) |
200 |
M:42 K:84 |
453 |
302 |
230 |
30 |
237 |
40 |
229 |
128 |
20 |
40 |
175 |
130 |
25 |
148 |
160 |
15 |
— |
M:YZA7134 550W 1.57A K:YZA7132 750W 1.82A |
30 |
|||||||||||||||||||||||||||||||
|
400 |
653 |
302 |
230 |
30 |
237 |
40 |
229 |
128 |
20 |
40 |
175 |
130 |
25 |
148 |
160 |
15 |
— |
34 |
||||||||||||||||||||||||||||||||||
|
600 |
853 |
302 |
230 |
30 |
237 |
40 |
229 |
128 |
20 |
40 |
175 |
130 |
25 |
148 |
160 |
15 |
— |
38 |
||||||||||||||||||||||||||||||||||
|
800 |
1053 |
302 |
230 |
30 |
237 |
40 |
229 |
128 |
20 |
40 |
175 |
130 |
25 |
148 |
160 |
15 |
— |
42 |
||||||||||||||||||||||||||||||||||
|
4.90kN (500kgf) |
300 |
M:45 K:90 |
566 |
325/330 |
282 |
38 |
240 |
50 |
268 |
160 |
25 |
47 |
190 |
140 |
35 |
148/165 |
200 |
17 |
— |
M:YZA7134 550W 1.57A K:Y802-2 1.1kW 2.6A |
46 |
|||||||||||||||||||||||||||||||
|
600 |
866 |
325/330 |
282 |
38 |
240 |
50 |
268 |
160 |
25 |
47 |
190 |
140 |
35 |
148/165 |
200 |
17 |
— |
50 |
||||||||||||||||||||||||||||||||||
|
800 |
1066 |
325/330 |
282 |
38 |
240 |
50 |
268 |
160 |
25 |
47 |
190 |
140 |
35 |
148/165 |
200 |
17 |
— |
54 |
||||||||||||||||||||||||||||||||||
|
1000 |
1266 |
325/330 |
282 |
38 |
240 |
50 |
268 |
160 |
25 |
47 |
190 |
140 |
35 |
148/165 |
200 |
17 |
— |
58 |
||||||||||||||||||||||||||||||||||
|
6.86kN (700kgf) |
300 |
M:35 K:70 |
606 |
340 |
308 |
38 |
245 |
54 |
297 |
174 |
30 |
60 |
215 |
165 |
35 |
165 |
200 |
17 |
— |
M:Y802-4 750W 2A K:Y802-2 1.1W 2.6A |
71 |
|||||||||||||||||||||||||||||||
|
600 |
906 |
340 |
308 |
38 |
245 |
54 |
297 |
174 |
30 |
60 |
215 |
165 |
35 |
165 |
200 |
17 |
— |
77 |
||||||||||||||||||||||||||||||||||
|
800 |
1106 |
340 |
308 |
38 |
245 |
54 |
297 |
174 |
30 |
60 |
215 |
165 |
35 |
165 |
200 |
17 |
— |
83 |
||||||||||||||||||||||||||||||||||
|
1000 |
1306 |
340 |
308 |
38 |
245 |
54 |
297 |
174 |
30 |
60 |
215 |
165 |
35 |
165 |
200 |
17 |
— |
90 |
||||||||||||||||||||||||||||||||||
|
9.8kN (1000kgf) |
300 |
M:43 K:86 |
634 |
380 |
308 |
56 |
285 |
54 |
297 |
174 |
35 |
65 |
215 |
165 |
40 |
175 |
200 |
18 |
— |
M:Y90L-4 1.5kW 3.7A K:Y90L-2 2.2kW 4.7A |
82 |
|||||||||||||||||||||||||||||||
|
600 |
934 |
380 |
308 |
56 |
285 |
54 |
297 |
174 |
35 |
65 |
215 |
165 |
40 |
175 |
200 |
18 |
— |
88 |
||||||||||||||||||||||||||||||||||
|
800 |
1134 |
380 |
308 |
56 |
285 |
54 |
297 |
174 |
35 |
65 |
215 |
165 |
40 |
175 |
200 |
18 |
— |
94 |
||||||||||||||||||||||||||||||||||
|
1000 |
1334 |
380 |
308 |
56 |
285 |
54 |
297 |
174 |
35 |
65 |
215 |
165 |
40 |
175 |
200 |
18 |
— |
101 |
||||||||||||||||||||||||||||||||||
|
15.68kN (1600kgf) |
300 |
M:52 K:104 |
577 |
489 |
360 |
56 |
318 |
54 |
371 |
233 |
40 |
65 |
290 |
240 |
25 |
205 |
250 |
20 |
— |
M:Y100L1-4 2.2kW 5A K:Y100L-2 3kW 6.4A |
84 |
|||||||||||||||||||||||||||||||
|
600 |
877 |
489 |
360 |
56 |
318 |
54 |
371 |
233 |
40 |
65 |
290 |
240 |
25 |
205 |
250 |
20 |
— |
90 |
||||||||||||||||||||||||||||||||||
|
800 |
1077 |
489 |
360 |
56 |
318 |
54 |
371 |
233 |
40 |
65 |
290 |
240 |
25 |
205 |
250 |
20 |
— |
96 |
||||||||||||||||||||||||||||||||||
|
1000 |
1277 |
489 |
360 |
56 |
318 |
54 |
371 |
233 |
40 |
65 |
290 |
240 |
25 |
205 |
250 |
20 |
— |
103 |
||||||||||||||||||||||||||||||||||
|
B
型 |
额定 推力 |
额定 行程 /mm |
速度 /mm·s-1 |
L |
L1 |
L2 |
L3 |
L4 |
L5 |
H |
H1 |
H2 |
H3 |
H4 |
H5 |
f 1 |
f 2 |
f 3 |
f 4 |
f 5 |
电动机型号 M/K |
质量 /kg |
||||||||||||||||||||||||||||||
|
2.94kN (300kgf) |
200 |
M:37 K:74 |
407 |
107 |
215 |
30 |
299 |
40 |
299 |
203 |
20 |
40 |
175 |
129 |
25 |
148 |
120 |
128 |
15 |
M:YZA7134 550W 1.57A K:YZA7132 750W 1.82A |
34 |
|||||||||||||||||||||||||||||||
|
400 |
607 |
107 |
215 |
30 |
299 |
40 |
299 |
203 |
20 |
40 |
175 |
129 |
25 |
148 |
120 |
128 |
15 |
38 |
||||||||||||||||||||||||||||||||||
|
600 |
807 |
107 |
215 |
30 |
299 |
40 |
299 |
203 |
20 |
40 |
175 |
129 |
25 |
148 |
120 |
128 |
15 |
42 |
||||||||||||||||||||||||||||||||||
|
800 |
1007 |
107 |
215 |
30 |
299 |
40 |
299 |
203 |
20 |
40 |
175 |
129 |
25 |
148 |
120 |
128 |
15 |
46 |
||||||||||||||||||||||||||||||||||
|
4.9kN (500kgf) |
300 |
M:45 K:90 |
518 |
147 |
279 |
38 |
339 |
50 |
400 |
280 |
25 |
47 |
232 |
180 |
35 |
165 |
164 |
200 |
17 |
M:Y802-4 750W 2A K:Y802-2 1.1kW 2.6A |
56 |
|||||||||||||||||||||||||||||||
|
600 |
818 |
147 |
279 |
38 |
339 |
50 |
400 |
280 |
25 |
47 |
232 |
180 |
35 |
165 |
164 |
200 |
17 |
60 |
||||||||||||||||||||||||||||||||||
|
800 |
1018 |
147 |
279 |
38 |
339 |
50 |
400 |
280 |
25 |
47 |
232 |
180 |
35 |
165 |
164 |
200 |
17 |
64 |
||||||||||||||||||||||||||||||||||
|
1000 |
1218 |
147 |
279 |
38 |
339 |
50 |
400 |
280 |
25 |
47 |
232 |
180 |
35 |
165 |
164 |
200 |
17 |
70 |
||||||||||||||||||||||||||||||||||
|
6.86kN (700kgf) |
300 |
M:49 K:98 |
558 |
148 |
303 |
38 |
339 |
54 |
413 |
288 |
30 |
60 |
242 |
190 |
35 |
165 |
176 |
200 |
17 |
M:Y802-4 750W 2A K:Y802-2 1.1kW 2.6A |
84 |
|||||||||||||||||||||||||||||||
|
600 |
858 |
148 |
303 |
38 |
339 |
54 |
413 |
288 |
30 |
60 |
242 |
190 |
35 |
165 |
176 |
200 |
17 |
88 |
||||||||||||||||||||||||||||||||||
|
800 |
1058 |
148 |
303 |
38 |
339 |
54 |
413 |
288 |
30 |
60 |
242 |
190 |
35 |
165 |
176 |
200 |
17 |
92 |
||||||||||||||||||||||||||||||||||
|
1000 |
1258 |
148 |
303 |
38 |
339 |
54 |
413 |
288 |
30 |
60 |
242 |
190 |
35 |
165 |
176 |
200 |
17 |
102 |
||||||||||||||||||||||||||||||||||
|
9.80kN (1000kgf) |
400 |
M:45 K:90 |
637 |
200 |
319 |
56 |
386 |
54 |
434 |
300 |
35 |
65 |
330 |
250 |
40 |
175 |
208 |
200 |
18 |
M:Y90L-4 1.5kW 3.7A K:Y90L-2 2.2kW 4.7A |
125 |
|||||||||||||||||||||||||||||||
|
600 |
837 |
200 |
319 |
56 |
386 |
54 |
434 |
300 |
35 |
65 |
330 |
250 |
40 |
175 |
208 |
200 |
18 |
132 |
||||||||||||||||||||||||||||||||||
|
800 |
1037 |
200 |
319 |
56 |
386 |
54 |
434 |
300 |
35 |
65 |
330 |
250 |
40 |
175 |
208 |
200 |
18 |
140 |
||||||||||||||||||||||||||||||||||
|
1000 |
1237 |
200 |
319 |
56 |
386 |
54 |
434 |
300 |
35 |
65 |
330 |
250 |
40 |
175 |
208 |
200 |
18 |
150 |
||||||||||||||||||||||||||||||||||
|
19.6kN (2000kgf) |
400 |
M:51 K:102 |
638 |
200 |
319 |
56 |
419 |
54 |
484 |
350 |
35 |
65 |
330 |
250 |
50 |
205 |
196 |
250 |
20 |
M:Y100L1-4 2.2kW 5A K:Y100L-2 3kW 6.4A |
136 |
|||||||||||||||||||||||||||||||
|
600 |
838 |
200 |
319 |
56 |
419 |
54 |
484 |
350 |
35 |
65 |
330 |
250 |
50 |
205 |
196 |
250 |
20 |
146 |
||||||||||||||||||||||||||||||||||
|
800 |
1038 |
200 |
319 |
56 |
419 |
54 |
484 |
350 |
35 |
65 |
330 |
250 |
50 |
205 |
196 |
250 |
20 |
156 |
||||||||||||||||||||||||||||||||||
|
1000 |
1238 |
200 |
319 |
56 |
419 |
54 |
484 |
350 |
35 |
65 |
330 |
250 |
50 |
205 |
196 |
250 |
20 |
166 |
||||||||||||||||||||||||||||||||||
|
29.4kN (3000kgf) |
400 |
M:34 K:52 |
638 |
200 |
320 |
56 |
441/419 |
54 |
484 |
350 |
35 |
65 |
330 |
250 |
40 |
205/230 |
196 |
250 |
20 |
M:Y112M-6 2.2kW 5.6A K:Y100L2-4 3kW 6.8A |
137 |
|||||||||||||||||||||||||||||||
|
600 |
838 |
200 |
319 |
56 |
441/419 |
54 |
484 |
350 |
35 |
65 |
330 |
250 |
40 |
205/230 |
196 |
250 |
20 |
147 |
||||||||||||||||||||||||||||||||||
|
800 |
1038 |
200 |
319 |
56 |
441/419 |
54 |
484 |
350 |
35 |
65 |
330 |
250 |
40 |
205/230 |
196 |
250 |
20 |
157 |
||||||||||||||||||||||||||||||||||
|
1000 |
1238 |
200 |
319 |
56 |
441/419 |
54 |
484 |
350 |
35 |
65 |
330 |
250 |
40 |
205/230 |
196 |
250 |
20 |
167 |
||||||||||||||||||||||||||||||||||
|
C
型 |
额定 推力 |
额定 行程 /mm |
速度 /mm·s-1 |
L |
L1 |
L2 |
L3 |
L4 |
L5 |
H |
H1 |
H2 |
H3 |
H4 |
H5 |
f 1 |
f 2 |
f 3 |
f 4 |
f 5 |
电动机型号 M/K |
质量 /kg |
||||||||||||||||||||||||||||||
|
2.45kN (250kgf) |
200 |
M:44 K:88 |
521 |
25 |
205 |
30 |
223 |
40 |
306 |
215 |
20 |
40 |
20 |
— |
16 |
112 |
145 |
140 |
16 |
M:YZA5624 120W 0.47A K:YZA5632 250W 0.68A |
32 |
|||||||||||||||||||||||||||||||
|
400 |
721 |
25 |
205 |
30 |
223 |
40 |
306 |
215 |
20 |
40 |
20 |
— |
16 |
112 |
145 |
140 |
16 |
34 |
||||||||||||||||||||||||||||||||||
|
600 |
921 |
25 |
205 |
30 |
223 |
40 |
306 |
215 |
20 |
40 |
20 |
— |
16 |
112 |
145 |
140 |
16 |
36 |
||||||||||||||||||||||||||||||||||
|
800 |
1121 |
25 |
205 |
30 |
223 |
40 |
306 |
215 |
20 |
40 |
20 |
— |
16 |
112 |
145 |
140 |
16 |
38 |
||||||||||||||||||||||||||||||||||
|
2.94kN (300kgf) |
200 |
M:37 K:74 |
530 |
30 |
203 |
30 |
289 |
40 |
299 |
203 |
20 |
40 |
24 |
— |
15 |
148 |
122 |
128 |
15 |
M:YZA7134 550W 1.57A K:YZA7132 750W 1.82A |
34 |
|||||||||||||||||||||||||||||||
|
400 |
730 |
30 |
203 |
30 |
289 |
40 |
299 |
203 |
20 |
40 |
24 |
— |
15 |
148 |
122 |
128 |
15 |
38 |
||||||||||||||||||||||||||||||||||
|
600 |
930 |
30 |
203 |
30 |
289 |
40 |
299 |
203 |
20 |
40 |
24 |
— |
15 |
148 |
122 |
128 |
15 |
42 |
||||||||||||||||||||||||||||||||||
|
800 |
1130 |
30 |
203 |
30 |
289 |
40 |
299 |
203 |
20 |
40 |
24 |
— |
15 |
148 |
122 |
128 |
15 |
46 |
||||||||||||||||||||||||||||||||||
|
4.90kN (500kgf) |
400 |
M:45 K:90 |
793 |
45 |
270 |
38 |
325 |
50 |
400 |
280 |
25 |
47 |
26 |
— |
20 |
165 |
174 |
200 |
17 |
M:Y820-4 750W 2A K:Y802-2 1.1kW 2.6A |
56 |
|||||||||||||||||||||||||||||||
|
600 |
993 |
45 |
270 |
38 |
325 |
50 |
400 |
280 |
25 |
47 |
26 |
— |
20 |
165 |
174 |
200 |
17 |
60 |
||||||||||||||||||||||||||||||||||
|
800 |
1193 |
45 |
270 |
38 |
325 |
50 |
400 |
280 |
25 |
47 |
26 |
— |
20 |
165 |
174 |
200 |
17 |
64 |
||||||||||||||||||||||||||||||||||
|
1000 |
1393 |
45 |
270 |
38 |
325 |
50 |
400 |
280 |
25 |
47 |
26 |
— |
20 |
165 |
174 |
200 |
17 |
70 |
||||||||||||||||||||||||||||||||||
|
9.80kN (1000kgf) |
400 |
M:45 K:90 |
923 |
126 |
310 |
56 |
372 |
54 |
434 |
300 |
35 |
65 |
70 |
— |
30 |
175 |
208 |
200 |
18 |
M:Y90L-4 1.5kW 3.7A K:Y90L-2 2.2kW 4.7A |
125 |
|||||||||||||||||||||||||||||||
|
600 |
1123 |
126 |
310 |
56 |
372 |
54 |
434 |
300 |
35 |
65 |
70 |
— |
30 |
175 |
208 |
200 |
18 |
135 |
||||||||||||||||||||||||||||||||||
|
800 |
1323 |
126 |
310 |
56 |
372 |
54 |
434 |
300 |
35 |
65 |
70 |
— |
30 |
175 |
208 |
200 |
18 |
145 |
||||||||||||||||||||||||||||||||||
|
1000 |
1523 |
126 |
310 |
56 |
372 |
54 |
434 |
300 |
35 |
65 |
70 |
— |
30 |
175 |
208 |
200 |
18 |
155 |
||||||||||||||||||||||||||||||||||
|
19.6kN (2000kgf) |
400 |
M:51 K:102 |
924 |
126 |
310 |
56 |
405 |
54 |
484 |
350 |
35 |
65 |
70 |
— |
30 |
205 |
208 |
250 |
20 |
M:Y100L1-4 2.2kW 5A K:Y100L-2 3kW 6.4A |
135 |
|||||||||||||||||||||||||||||||
|
600 |
1124 |
126 |
310 |
56 |
405 |
54 |
484 |
350 |
35 |
65 |
70 |
— |
30 |
205 |
208 |
250 |
20 |
145 |
||||||||||||||||||||||||||||||||||
|
800 |
1324 |
126 |
310 |
56 |
405 |
54 |
484 |
350 |
35 |
65 |
70 |
— |
30 |
205 |
208 |
250 |
20 |
155 |
||||||||||||||||||||||||||||||||||
|
1000 |
1524 |
126 |
310 |
56 |
405 |
54 |
484 |
350 |
35 |
65 |
70 |
— |
30 |
205 |
208 |
250 |
20 |
165 |
||||||||||||||||||||||||||||||||||
|
29.4kN (3000kgf) |
400 |
M:34.5 K:51 |
924 |
126 |
310 |
56 |
427/405 |
54 |
484 |
350 |
35 |
65 |
70 |
— |
30 |
230/205 |
208 |
250 |
20 |
M:Y112M-6 2.2kW 5.6A K:Y100L2-4 3kW 6.8A |
145 |
|||||||||||||||||||||||||||||||
|
600 |
1124 |
126 |
310 |
56 |
427/405 |
54 |
484 |
350 |
35 |
65 |
70 |
— |
30 |
230/205 |
208 |
250 |
20 |
155 |
||||||||||||||||||||||||||||||||||
|
800 |
1324 |
126 |
310 |
56 |
427/405 |
54 |
484 |
350 |
35 |
65 |
70 |
— |
30 |
230/205 |
208 |
250 |
20 |
165 |
||||||||||||||||||||||||||||||||||
|
1000 |
1524 |
126 |
310 |
56 |
427/405 |
54 |
484 |
350 |
35 |
65 |
70 |
— |
30 |
230/205 |
208 |
250 |
20 |
175 |
||||||||||||||||||||||||||||||||||
|
39.2kN (4000kgf) |
400 |
M:25.3 K:37.9 |
1067 |
126 |
238 |
80 |
496 |
80 |
554 |
414 |
50 |
100 |
70 |
— |
40 |
270 |
290 |
300 |
30 |
M:Y132S-6 3kW 7.2A K:Y132S-4 5.5kW 11.6A |
165 |
|||||||||||||||||||||||||||||||
|
600 |
1267 |
126 |
238 |
80 |
496 |
80 |
554 |
414 |
50 |
100 |
70 |
— |
40 |
270 |
290 |
300 |
30 |
180 |
||||||||||||||||||||||||||||||||||
|
800 |
1467 |
126 |
238 |
80 |
496 |
80 |
554 |
414 |
50 |
100 |
70 |
— |
40 |
270 |
290 |
300 |
30 |
195 |
||||||||||||||||||||||||||||||||||
|
1000 |
1667 |
126 |
238 |
80 |
496 |
80 |
554 |
414 |
50 |
100 |
70 |
— |
40 |
270 |
290 |
300 |
30 |
210 |
||||||||||||||||||||||||||||||||||
|
D
型 |
额定 推力 |
额定 行程 /mm |
速度 /mm·s-1 |
L |
L1 |
L2 |
L3 |
L4 |
L5 |
H |
H1 |
H2 |
H3 |
H4 |
H5 |
f 1 |
f 2 |
f 3 |
f 4 |
f 5 |
电动机型号 M/K |
质量 /kg |
|
0.49kN (50kgf) |
200 |
M:47 K:94 |
314 |
225 |
167 |
16 |
145 |
30 |
91 |
136 |
106 |
10 |
30 |
— |
20 |
86 |
110 |
8 |
— |
M:YZA5034 60W 0.30A K:YZA5032 90W 0.31A |
12 |
|
|
400 |
514 |
225 |
167 |
16 |
145 |
30 |
91 |
136 |
106 |
10 |
30 |
— |
20 |
86 |
110 |
8 |
— |
14 |
||||
|
600 |
714 |
225 |
167 |
16 |
145 |
30 |
91 |
136 |
106 |
10 |
30 |
— |
20 |
86 |
110 |
8 |
— |
16 |
||||
|
800 |
914 |
225 |
167 |
16 |
145 |
30 |
91 |
136 |
106 |
10 |
30 |
— |
20 |
86 |
110 |
8 |
— |
18 |
||||
|
0.98kN (100kgf) |
200 |
M:47 K:94 |
432 |
300 |
212 |
30 |
223 |
38 |
93 |
156 |
116 |
20 |
40 |
— |
25 |
148 |
150 |
15 |
— |
M,K: YZA7124 370W 1.12A |
16 |
|
|
400 |
632 |
300 |
212 |
30 |
223 |
38 |
93 |
156 |
116 |
20 |
40 |
— |
25 |
148 |
150 |
15 |
— |
18 |
||||
|
600 |
832 |
300 |
212 |
30 |
223 |
38 |
93 |
156 |
116 |
20 |
40 |
— |
25 |
148 |
150 |
15 |
— |
20 |
||||
|
800 |
1032 |
300 |
212 |
30 |
223 |
38 |
93 |
156 |
116 |
20 |
40 |
— |
25 |
148 |
150 |
15 |
— |
22 |
||||
|
1.96kN (200kgf) |
200 |
M:47 K:94 |
432 |
313 |
212 |
30 |
236 |
38 |
93 |
156 |
116 |
20 |
40 |
— |
25 |
148 |
150 |
15 |
— |
M:YZA7134 550W 1.57A |
18 |
|
|
400 |
632 |
313 |
212 |
30 |
236 |
38 |
93 |
156 |
116 |
20 |
40 |
— |
25 |
148 |
150 |
15 |
— |
20 |
||||
|
600 |
832 |
313 |
212 |
30 |
236 |
38 |
93 |
156 |
116 |
20 |
40 |
— |
25 |
148 |
150 |
15 |
— |
22 |
||||
|
800 |
1032 |
313 |
212 |
30 |
236 |
38 |
93 |
156 |
116 |
20 |
40 |
— |
25 |
148 |
150 |
15 |
— |
24 |
||||
|
2.94kN (300kgf) |
200 |
M:47 K:94 |
432 |
313 |
212 |
30 |
236 |
38 |
93 |
156 |
116 |
20 |
40 |
— |
25 |
148 |
150 |
15 |
— |
M:YZA7134 550W 1.57A |
20 |
|
|
400 |
632 |
313 |
212 |
30 |
236 |
38 |
93 |
156 |
116 |
20 |
40 |
— |
25 |
148 |
150 |
15 |
— |
22 |
||||
|
600 |
832 |
313 |
212 |
30 |
236 |
38 |
93 |
156 |
116 |
20 |
40 |
— |
25 |
148 |
150 |
15 |
— |
24 |
||||
|
800 |
1032 |
313 |
212 |
30 |
236 |
38 |
93 |
156 |
116 |
20 |
40 |
— |
25 |
148 |
150 |
15 |
— |
26 |
||||
|
4.90kN (500kgf) |
200 |
M:45.5 K:70 |
438 |
437 |
312 |
38 |
285 |
50 |
108 |
170 |
130 |
25 |
47 |
— |
30 |
175 |
200 |
17 |
— |
M:Y90L-6 1.1W 3.2A K:Y90L-4 1.5kW 3.75A |
24 |
|
|
400 |
638 |
437 |
312 |
38 |
285 |
50 |
108 |
170 |
130 |
25 |
47 |
— |
30 |
175 |
200 |
17 |
— |
26 |
||||
|
600 |
838 |
437 |
312 |
38 |
285 |
50 |
108 |
170 |
130 |
25 |
47 |
— |
30 |
175 |
200 |
17 |
— |
28 |
||||
|
800 |
1038 |
437 |
312 |
38 |
285 |
50 |
108 |
170 |
130 |
25 |
47 |
— |
30 |
175 |
200 |
17 |
— |
30 |
|
(1) 选择 ① 安装型式的选择 根据用户使用设备具体结构,由用户确定。各类推杆两端的连接型式,亦可做成铰链(即万向)连接 ② 额定推力的确定 为满足工程上的使用需要,电动推杆的额定推力应大于负载力的1.3倍 ③ 额定行程的确定 为使电动推杆能正常工作,额定行程应大于负载实际行程+60mm ④ 行程速度选择 由用户根据使用需要确定,如有特殊要求可与厂方协商 (2) 注意事项 电动推杆本身具有额定推力过载保护装置和行程调节机构。推杆在制造中已设定了额定推力,当意外推力超过额定值时,会立即自动断电停车,保护系统不被破坏。但是,绝不能以此作为正常运行的终点开关使用!行程调节机构可在额定行程范围内任意调节工作行程范围,相应的外行程开关可与微机联网实现自动控制 (3) 标记示例
|


