|
型号、主要技术参数及外形尺寸 |
|||||||
|
型号、主要技术参数及外形尺寸见表1~表5 |
|||||||
|
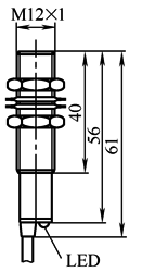
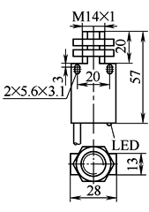
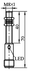
表1 |
|||||||
|
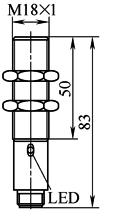
外形及安装尺寸 |
|
|
|
|
|||
|
型 号 及 主 要 技 术 参 数 |
直 流 三 线 四 线 传 感 器 |
NPN |
常开 |
LXJ8 3231/0AJ31-N |
LXJ8 3231/0NJ31-N |
LXJ8 3232/0AJ31-N |
LXJ8 3232/0NJ31-N |
|
常闭 |
LXJ8 3231/0AJ32-N |
LXJ8 3231/0NJ32-N |
LXJ8 3232/0AJ32-N |
LXJ8 3232/0NJ32-N |
|||
|
常开+常闭 |
|
|
LXJ8 3232/0AJ33-N |
LXJ8 3232/0NJ33-N |
|||
|
PNP |
常开 |
LXJ8 3231/0AJ31-P |
LXJ8 3231/0NJ31-P |
LXJ8 3232/0AJ31-P |
LXJ8 3232/0NJ31-P |
||
|
常闭 |
LXJ8 3231/0AJ32-P |
LXJ8 3231/0NJ32-P |
LXJ8 3232/0AJ32-P |
LXJ8 3232/0NJ32-P |
|||
|
常开+常闭 |
|
|
LXJ8 3232/0AJ33-P |
LXJ8 3232/0NJ33-P |
|||
|
检测距离Sn/mm |
1 |
1.5 |
2 |
4 |
|||
|
设定距离Sa/mm |
0~0.8 |
0~1.2 |
0~1.6 |
0~3.2 |
|||
|
回环宽度H |
≤0.2Sr |
≤0.2Sr |
≤0.2Sr |
≤0.2Sr |
|||
|
重复定位精度R |
≤0.1Sr |
≤0.1Sr |
≤0.1Sr |
≤0.1Sr |
|||
|
电源电压(DC)/V |
6~30 |
6~30 |
6~30 |
6~30 |
|||
|
输出电流/mA |
≤200 |
≤200 |
≤200 |
≤200 |
|||
|
输出电压降/V |
≤3.5 |
≤3.5 |
≤3.5 |
≤3.5 |
|||
|
开关频率/Hz |
800 |
800 |
1000 |
500 |
|||
|
短路保护 |
有 |
有 |
有 |
有 |
|||
|
动作指示 |
LED |
LED |
LED |
LED |
|||
|
直 流 交 流 二 线 传 感 器 |
DC |
常开 |
LXJ8 3231/0AH31 |
LXJ8 3231/0NH31 |
LXJ8 3231/0AH31 |
LXJ8 3231/0NH31 |
|
|
常闭 |
LXJ8 3231/0AH32 |
LXJ8 3231/0NH32 |
LXJ8 3231/0AH32 |
LXJ8 3231/0NH32 |
|||
|
检测距离Sn/mm |
1 |
1.5 |
2 |
4 |
|||
|
设定距离Sa/mm |
0~0.8 |
0~1.2 |
0~1.6 |
0~3.2 |
|||
|
回环宽度H |
≤0.2Sr |
≤0.2Sr |
≤0.2Sr |
≤0.2Sr |
|||
|
重复定位精度R |
≤0.1Sr |
≤0.1Sr |
≤0.1Sr |
≤0.1Sr |
|||
|
电源电压(DC)/V |
10~30 |
10~30 |
10~30 |
10~30 |
|||
|
输出电流/mA |
5~200 |
5~200 |
5~200 |
5~200 |
|||
|
输出电压降/V |
5~7 |
5~7 |
5~7 |
5~7 |
|||
|
开关频率/Hz |
800 |
800 |
1000 |
500 |
|||
|
短路保护 |
有 |
有 |
有 |
有 |
|||
|
动作指示 |
LED |
LED |
LED |
LED |
|||
|
AC |
常开 |
|
|
|
|
||
|
常闭 |
|
|
|
|
|||
|
检测距离Sn |
|
|
|
|
|||
|
设定距离Sa |
|
|
|
|
|||
|
回环宽度H |
|
|
|
|
|||
|
重复定位精度R |
|
|
|
|
|||
|
电源电压 |
|
|
|
|
|||
|
输出电流 |
|
|
|
|
|||
|
输出电压降 |
|
|
|
|
|||
|
开关频率 |
|
|
|
|
|||
|
短路保护 |
|
|
|
|
|||
|
动作指示 |
|
|
|
|
|||
|
安装方式 |
埋入式 |
非埋入式 |
埋入式 |
非埋入式 |
|||
|
标准检测片尺寸/mm |
8×8×1 |
8×8×1 |
12×12×1 |
12×12×1 |
|||
|
壳体材料 |
黄铜镀镍 |
黄铜镀镍 |
黄铜镀镍 |
黄铜镀镍 |
|||
|
防护等级 |
IP67 |
IP67 |
IP67 |
IP67 |
|||
|
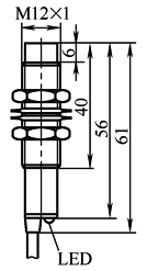
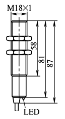
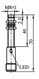
表2 |
|||||||
|
外形及安装尺寸 |
|
|
|
|
|||
|
型 号 及 主 要 技 术 参 数 |
直 流 三 线 四 线 传 感 器 |
NPN |
常开 |
LXJ8 3266/1BJ31-N |
LXJ8 3275/1KJ31-N |
LXJ8 3202/0AJ31-N |
LXJ8 3202/0NJ31-N |
|
常闭 |
LXJ8 3266/1BJ32-N |
LXJ8 3275/1KJ32-N |
LXJ8 3202/0AJ32-N |
LXJ8 3202/0NJ32-N |
|||
|
常开+常闭 |
LXJ8 3266/1BJ33-N |
LXJ8 3275/1KJ33-N |
LXJ8 3202/0AJ33-N |
LXJ8 3202/0NJ33-N |
|||
|
PNP |
常开 |
LXJ8 3266/1BJ31-P |
LXJ8 3275/1KJ31-P |
LXJ8 3202/0AJ31-P |
LXJ8 3202/0NJ31-P |
||
|
常闭 |
LXJ8 3266/1BJ32-P |
LXJ8 3275/1KJ32-P |
LXJ8 3202/1KJ32-P |
LXJ8 3202/0NJ32-P |
|||
|
常开+常闭 |
LXJ8 3266/1BJ33-P |
LXJ8 3275/1KJ33-P |
LXJ8 3202/1KJ33-P |
LXJ8 3202/0NJ33-P |
|||
|
检测距离Sn/mm |
25 |
15 |
3 |
5 |
|||
|
设定距离Sa/mm |
0~20 |
0~12 |
0~2.4 |
0~4 |
|||
|
回环宽度H |
≤0.2Sr |
≤0.2Sr |
≤0.2Sr |
≤0.2Sr |
|||
|
重复定位精度R |
≤0.15Sr |
≤0.1Sr |
≤0.1Sr |
≤0.1Sr |
|||
|
电源电压(DC)/V |
6~30 |
6~30 |
6~30 |
6~30 |
|||
|
输出电流/mA |
≤200 |
≤200 |
≤200 |
≤200 |
|||
|
输出电压降/V |
≤3.5 |
≤3.5 |
≤3.5 |
≤3.5 |
|||
|
开关频率/Hz |
50 |
60 |
200 |
200 |
|||
|
短路保护 |
有 |
有 |
有 |
有 |
|||
|
动作指示 |
LED |
LED |
LED |
LED |
|||
|
直 流 交 流 二 线 传 感 器 |
DC |
常开 |
LXJ8 3266/1BH31 |
LXJ8 3275/1KH31 |
LXJ8 3202/0AH31 |
LXJ8 3202/0NH31 |
|
|
常闭 |
LXJ8 3266/1BH32 |
LXJ8 3275/1KH31 |
LXJ8 3202/0AH32 |
LXJ8 3202/0NH32 |
|||
|
检测距离Sn/mm |
25 |
15 |
3 |
5 |
|||
|
设定距离Sa/mm |
0~20 |
0~12 |
0~2.4 |
0~4 |
|||
|
回环宽度H |
≤0.2Sr |
≤0.2Sr |
≤0.2Sr |
≤0.2Sr |
|||
|
重复定位精度R |
≤0.1Sr |
≤0.1Sr |
≤0.1Sr |
≤0.1Sr |
|||
|
电源电压(DC)/V |
10~30 |
10~30 |
10~30 |
10~30 |
|||
|
输出电流/mA |
5~200 |
5~200 |
5~200 |
5~200 |
|||
|
输出电压降/V |
5~7 |
5~7 |
5~7 |
5~7 |
|||
|
开关频率/Hz |
50 |
60 |
200 |
200 |
|||
|
短路保护 |
有 |
有 |
有 |
有 |
|||
|
动作指示 |
LED |
LED |
LED |
LED |
|||
|
AC |
常开 |
LXJ8 3266/1BR81 |
LXJ8 3275/1KR81 |
|
|
||
|
常闭 |
LXJ8 3266/1BR82 |
LXJ8 3275/1KR82 |
|
|
|||
|
检测距离Sn/mm |
25 |
15 |
|
|
|||
|
设定距离Sa/mm |
0~20 |
0~12 |
|
|
|||
|
回环宽度H |
≤0.2Sr |
≤0.2Sr |
|
|
|||
|
重复定位精度R |
≤0.1Sr |
≤0.1Sr |
|
|
|||
|
电源电压(AC)/V |
30~250 |
30~250 |
|
|
|||
|
输出电流/mA |
20~500 |
20~500 |
|
|
|||
|
输出电压降/V |
≤8 |
≤8 |
|
|
|||
|
开关频率/Hz |
15 |
15 |
|
|
|||
|
短路保护 |
无 |
无 |
|
|
|||
|
动作指示 |
LED |
LED |
|
|
|||
|
安装方式 |
埋入式 |
埋入式 |
埋入式 |
非埋入式 |
|||
|
标准检测片尺寸/mm |
60×60×1 |
40×40×1 |
14×14×1 |
14×14×1 |
|||
|
壳体材料 |
工程塑料 |
工程塑料 |
工程塑料 |
工程塑料 |
|||
|
防护等级 |
IP65 |
IP65 |
IP67 |
IP67 |
|||
|
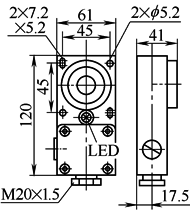
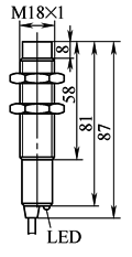
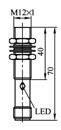
表3 |
|||||||
|
外形及安装尺寸 |
|
|
|
|
|||
|
型 号 及 主 要 技 术 参 数 |
直 流 三 线 四 线 传 感 器 |
NPN |
常开 |
LXJ8 3234/0AJ31-N |
LXJ8 3234/0NJ31-N |
LXJ8 3235/0AJ31-N |
LXJ8 3235/0NJ31-N |
|
常闭 |
LXJ8 3234/0AJ32-N |
LXJ8 3234/0NJ32-N |
LXJ8 3235/0AJ32-N |
LXJ8 3235/0NJ32-N |
|||
|
常开+常闭 |
LXJ8 3234/0AJ33-N |
LXJ8 3234/0NJ33-N |
LXJ8 3235/0AJ33-N |
LXJ8 3235/0NJ33-N |
|||
|
PNP |
常开 |
LXJ8 3234/0AJ31-P |
LXJ8 3234/0NJ31-P |
LXJ8 3235/0AJ31-P |
LXJ8 3235/0NJ31-P |
||
|
常闭 |
LXJ8 3234/0AJ32-P |
LXJ8 3234/0NJ32-P |
LXJ8 3235/0AJ32-P |
LXJ8 3235/0NJ32-P |
|||
|
常开+常闭 |
LXJ8 3234/0AJ33-P |
LXJ8 3234/0NJ33-P |
LXJ8 3235/0AJ33-P |
LXJ8 3235/0NJ33-P |
|||
|
检测距离Sn/mm |
5 |
8 |
10 |
15 |
|||
|
设定距离Sa/mm |
0~4 |
0~6.4 |
0~8 |
0~12 |
|||
|
回环宽度H |
≤0.2Sr |
≤0.2Sr |
≤0.2Sr |
≤0.2Sr |
|||
|
重复定位精度R |
≤0.1Sr |
≤0.1Sr |
≤0.1Sr |
≤0.1Sr |
|||
|
电源电压(DC)/V |
6~30 |
6~30 |
6~30 |
6~30 |
|||
|
输出电流/mA |
≤200 |
≤200 |
≤200 |
≤200 |
|||
|
输出电压降/V |
≤3.5 |
≤3.5 |
≤3.5 |
≤3.5 |
|||
|
开关频率/Hz |
200 |
200 |
100 |
100 |
|||
|
短路保护 |
有 |
有 |
有 |
有 |
|||
|
动作指示 |
LED |
LED |
LED |
LED |
|||
|
直 流 交 流 二 线 传 感 器 |
DC |
常开 |
LXJ8 3234/0AH31 |
LXJ8 3234/0NH31 |
LXJ8 3235/0AH31 |
LXJ8 3235/0NH31 |
|
|
常闭 |
LXJ8 3234/0AH32 |
LXJ8 3234/0NH31 |
LXJ8 3235/0AH32 |
LXJ8 3235/0NH32 |
|||
|
检测距离Sn/mm |
5 |
8 |
10 |
15 |
|||
|
设定距离Sa/mm |
0~4 |
0~6.4 |
0~8 |
0~12 |
|||
|
回环宽度H |
≤0.2Sr |
≤0.2Sr |
≤0.2Sr |
≤0.2Sr |
|||
|
重复定位精度R |
≤0.1Sr |
≤0.1Sr |
≤0.1Sr |
≤0.1Sr |
|||
|
电源电压(DC)/V |
10~30 |
10~30 |
10~30 |
10~30 |
|||
|
输出电流/mA |
5~200 |
5~200 |
5~200 |
5~200 |
|||
|
输出电压降/V |
5~7 |
5~7 |
5~7 |
5~7 |
|||
|
开关频率/Hz |
200 |
200 |
100 |
100 |
|||
|
短路保护 |
有 |
有 |
有 |
有 |
|||
|
动作指示 |
LED |
LED |
LED |
LED |
|||
|
AC |
常开 |
LXJ8 3234/0AR01 |
LXJ8 3234/0NR01 |
LXJ8 3235/0AR01 |
LXJ8 3235/0NR01 |
||
|
常闭 |
LXJ8 3234/0AR02 |
LXJ8 3234/0NR02 |
LXJ8 3235/0AR02 |
LXJ8 3235/0NR02 |
|||
|
检测距离Sn/mm |
5 |
8 |
10 |
15 |
|||
|
设定距离Sa/mm |
0~4 |
0~6.4 |
0~8 |
0~12 |
|||
|
回环宽度H |
≤0.2Sr |
≤0.2Sr |
≤0.2Sr |
≤0.2Sr |
|||
|
重复定位精度R |
≤0.1Sr |
≤0.1Sr |
≤0.1Sr |
≤0.1Sr |
|||
|
电源电压(AC)/V |
30~250 |
30~250 |
30~250 |
30~250 |
|||
|
输出电流/mA |
20~300 |
20~300 |
20~300 |
20~300 |
|||
|
输出电压降/V |
≤8 |
≤8 |
≤8 |
≤8 |
|||
|
开关频率/Hz |
25 |
25 |
25 |
25 |
|||
|
短路保护 |
无 |
无 |
无 |
无 |
|||
|
动作指示 |
LED |
LED |
LED |
LED |
|||
|
安装方式 |
埋入式 |
非埋入式 |
埋入式 |
非埋入式 |
|||
|
标准检测片尺寸/mm |
18×18×1 |
18×18×1 |
30×30×1 |
30×30×1 |
|||
|
壳体材料 |
黄铜镀镍 |
黄铜镀镍 |
黄铜镀镍 |
黄铜镀镍 |
|||
|
防护等级 |
IP65 |
IP65 |
IP67 |
IP67 |
|||
|
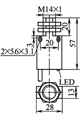
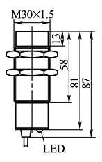
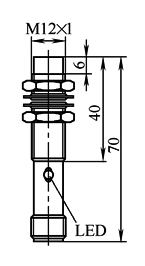
表4 |
|||||||
|
外形及安装尺寸 |
|
|
|
|
|||
|
型 号 及 主 要 技 术 参 数 |
直 流 三 线 四 线 传 感 器 |
NPN |
常开 |
LXJ8 3231/2AJ31-N |
LXJ8 3231/2NJ31-N |
LXJ8 3232/2AJ31-N |
LXJ8 3232/2NJ31-N |
|
常闭 |
LXJ8 3231/2AJ32-N |
LXJ8 3231/2NJ32-N |
LXJ8 3232/2AJ32-N |
LXJ8 3232/2NJ32-N |
|||
|
常开+常闭 |
|
|
LXJ8 3232/2AJ33-N |
LXJ8 3202/2NJ33-N |
|||
|
PNP |
常开 |
LXJ8 3231/2AJ31-P |
LXJ8 3231/2NJ31-P |
LXJ8 3232/2AJ31-P |
LXJ8 3232/2NJ31-P |
||
|
常闭 |
LXJ8 3231/2AJ32-P |
LXJ8 3231/2NJ32-P |
LXJ8 3202/2AJ32-P |
LXJ8 3232/2NJ32-P |
|||
|
常开+常闭 |
|
|
LXJ8 3202/2AJ33-P |
LXJ8 3232/2NJ33-P |
|||
|
检测距离Sn/mm |
1 |
1.5 |
2 |
4 |
|||
|
设定距离Sa/mm |
0.1~0.8 |
0~12 |
0~1.6 |
0~3.2 |
|||
|
回环宽度H |
≤0.2Sr |
≤0.2Sr |
≤0.2Sr |
≤0.2Sr |
|||
|
重复定位精度R |
≤0.1Sr |
≤0.1Sr |
≤0.1Sr |
≤0.1Sr |
|||
|
电源电压(DC)/V |
6~30 |
6~30 |
6~30 |
6~30 |
|||
|
输出电流/mA |
≤200 |
≤200 |
≤200 |
≤200 |
|||
|
输出电压降/V |
≤3.5 |
≤3.5 |
≤3.5 |
≤3.5 |
|||
|
开关频率/Hz |
800 |
800 |
1000 |
500 |
|||
|
短路保护 |
有 |
有 |
有 |
有 |
|||
|
动作指示 |
LED |
LED |
LED |
LED |
|||
|
直 流 交 流 二 线 传 感 器 |
DC |
常开 |
LXJ8 3231/2AH31 |
LXJ8 3231/2NH31 |
LXJ8 3232/2AH31 |
LXJ8 3232/2NH31 |
|
|
常闭 |
LXJ8 3231/2AH32 |
LXJ8 3231/2NH32 |
LXJ8 3232/2AH32 |
LXJ8 3232/2NH32 |
|||
|
检测距离Sn/mm |
1 |
1.5 |
2 |
4 |
|||
|
设定距离Sa/mm |
0~0.8 |
0~1.2 |
0~1.6 |
0~3.2 |
|||
|
回环宽度H |
≤0.2Sr |
≤0.2Sr |
≤0.2Sr |
≤0.2Sr |
|||
|
重复定位精度R |
≤0.1Sr |
≤0.1Sr |
≤0.1Sr |
≤0.1Sr |
|||
|
电源电压(DC)/V |
10~30 |
10~30 |
10~30 |
10~30 |
|||
|
输出电流/mA |
5~200 |
5~200 |
5~200 |
5~200 |
|||
|
输出电压降/V |
5~7 |
5~7 |
5~7 |
5~7 |
|||
|
开关频率/Hz |
800 |
800 |
1000 |
500 |
|||
|
短路保护 |
有 |
有 |
有 |
有 |
|||
|
动作指示 |
LED |
LED |
LED |
LED |
|||
|
AC |
常开 |
|
|
|
|
||
|
常闭 |
|
|
|
|
|||
|
检测距离Sn |
|
|
|
|
|||
|
设定距离Sa |
|
|
|
|
|||
|
回环宽度H |
|
|
|
|
|||
|
重复定位精度R |
|
|
|
|
|||
|
电源电压 |
|
|
|
|
|||
|
输出电流 |
|
|
|
|
|||
|
输出电压降 |
|
|
|
|
|||
|
开关频率 |
|
|
|
|
|||
|
短路保护 |
|
|
|
|
|||
|
动作指示 |
|
|
|
|
|||
|
安装方式 |
埋入式 |
非埋入式 |
埋入式 |
非埋入式 |
|||
|
标准检测片尺寸/mm |
8×8×1 |
8×8×1 |
12×12×1 |
12×12×1 |
|||
|
壳体材料 |
黄铜镀镍 |
黄铜镀镍 |
黄铜镀镍 |
黄铜镀镍 |
|||
|
防护等级 |
IP65 |
IP65 |
IP67 |
IP67 |
|||
|
表5 |
|||||||
|
外形及安装尺寸 |
|
|
|
|
|||
|
型 号 及 主 要 技 术 参 数 |
直 流 三 线 四 线 传 感 器 |
NPN |
常开 |
LXJ8 3234/2AJ31-N |
LXJ8 3234/2NJ31-N |
LXJ8 3235/2AJ31-N |
LXJ8 3235/2NJ31-N |
|
常闭 |
LXJ8 3234/2AJ32-N |
LXJ8 3234/2NJ32-N |
LXJ8 3235/2AJ32-N |
LXJ8 3235/2NJ32-N |
|||
|
常开+常闭 |
LXJ8 3234/2AJ33-N |
LXJ8 3234/2NJ33-N |
LXJ8 3235/2AJ33-N |
LXJ8 3235/2NJ33-N |
|||
|
PNP |
常开 |
LXJ8 3234/2AJ31-P |
LXJ8 3234/2NJ31-P |
LXJ8 3235/2AJ31-P |
LXJ8 3235/2NJ31-P |
||
|
常闭 |
LXJ8 3234/2AJ32-P |
LXJ8 3234/2NJ32-P |
LXJ8 3235/2AJ32-P |
LXJ8 3235/2NJ32-P |
|||
|
常开+常闭 |
LXJ8 3234/2AJ33-P |
LXJ8 3234/2NJ33-P |
LXJ8 3235/2AJ33-P |
LXJ8 3235/2NJ33-P |
|||
|
检测距离Sn/mm |
5 |
8 |
10 |
15 |
|||
|
设定距离Sa/mm |
0~4 |
0~6.4 |
0~8 |
0~12 |
|||
|
回环宽度H |
≤0.2Sr |
≤0.2Sr |
≤0.2Sr |
≤0.2Sr |
|||
|
重复定位精度R |
≤0.1Sr |
≤0.1Sr |
≤0.1Sr |
≤0.1Sr |
|||
|
电源电压(DC)/V |
6~30 |
6~30 |
6~30 |
6~30 |
|||
|
输出电流/mA |
≤200 |
≤200 |
≤200 |
≤200 |
|||
|
输出电压降/V |
≤3.5 |
≤3.5 |
≤3.5 |
≤3.5 |
|||
|
开关频率/Hz |
200 |
200 |
100 |
100 |
|||
|
短路保护 |
有 |
有 |
有 |
有 |
|||
|
动作指示 |
LED |
LED |
LED |
LED |
|||
|
直 流 交 流 二 线 传 感 器 |
DC |
常开 |
LXJ8 3234/2AH31 |
LXJ8 3234/2NH31 |
LXJ8 3235/2AH31 |
LXJ8 3235/2NH31 |
|
|
常闭 |
LXJ8 3234/2AH32 |
LXJ8 3234/2NH32 |
LXJ8 3235/2AH32 |
LXJ8 3235/2NH32 |
|||
|
检测距离Sn/mm |
5 |
8 |
10 |
15 |
|||
|
设定距离Sa/mm |
0~4 |
0~6.4 |
0~8 |
0~12 |
|||
|
回环宽度H |
≤0.2Sr |
≤0.2Sr |
≤0.2Sr |
≤0.2Sr |
|||
|
重复定位精度R |
≤0.1Sr |
≤0.1Sr |
≤0.1Sr |
≤0.1Sr |
|||
|
电源电压(DC)/V |
10~30 |
10~30 |
10~30 |
10~30 |
|||
|
输出电流/mA |
5~200 |
5~200 |
5~200 |
5~200 |
|||
|
输出电压降/V |
5~7 |
5~7 |
5~7 |
5~7 |
|||
|
开关频率/Hz |
200 |
200 |
100 |
100 |
|||
|
短路保护 |
有 |
有 |
有 |
有 |
|||
|
动作指示 |
LED |
LED |
LED |
LED |
|||
|
AC |
常开 |
LXJ8 3234/2AR01 |
LXJ8 3234/2NR01 |
LXJ8 3235/2AR01 |
LXJ8 3235/2NR01 |
||
|
常闭 |
LXJ8 3234/2AR02 |
LXJ8 3234/2NR02 |
LXJ8 3235/2AR02 |
LXJ8 3235/2NR02 |
|||
|
检测距离Sn/mm |
5 |
8 |
10 |
15 |
|||
|
设定距离Sa/mm |
0~4 |
0~6.4 |
0~8 |
0~12 |
|||
|
回环宽度H |
≤0.2Sr |
≤0.2Sr |
≤0.2Sr |
≤0.2Sr |
|||
|
重复定位精度R |
≤0.1Sr |
≤0.1Sr |
≤0.1Sr |
≤0.1Sr |
|||
|
电源电压(AC)/V |
30~250 |
30~250 |
30~250 |
30~250 |
|||
|
输出电流/mA |
20~300 |
20~300 |
20~300 |
20~300 |
|||
|
输出电压降/V |
≤8 |
≤8 |
≤8 |
≤8 |
|||
|
开关频率/Hz |
25 |
25 |
25 |
25 |
|||
|
短路保护 |
无 |
无 |
无 |
无 |
|||
|
动作指示 |
LED |
LED |
LED |
LED |
|||
|
安装方式 |
埋入式 |
非埋入式 |
埋入式 |
非埋入式 |
|||
|
标准检测片尺寸/mm |
18×18×1 |
18×18×1 |
30×30×1 |
30×30×1 |
|||
|
壳体材料 |
黄铜镀镍 |
黄铜镀镍 |
黄铜镀镍 |
黄铜镀镍 |
|||
|
防护等级 |
IP65 |
IP65 |
IP67 |
IP67 |
|||
|
注:1.标准检测片材料为电工软钢。 2.表中Sr为实际检测距离,0.9Sn≤Sr≤1.1Sn;几何形状、几何尺寸及材料差别会产生不同的检测距离,其修正系数为:电工纯铁(St37)为1,铜为0.25~0.50,黄铜为0.35~0.50,铝为0.45,特种合金钢为0.60~1.0。 3.生产厂为上海第二机床电器厂。 |
|||||||




















