|
LXJ7系列接近开关 |
|||||||
|
(1) 用途、特点及工作条件 LXJ7系列接近开关适用于交流50Hz或60Hz、额定电压为100~250V的线路中,作为机床及自动线的定位或检测信号元件使用。该系列接近开关采用盒式方形结构,安装方便。开关为交流二线制,负载可直接串接在线路中,使用方便。此外,开关还具有耐振、防潮等特点 工作条件:周围环境温度-25~40℃;相对湿度25℃时不超过90%;安装地点海拔高度不超过2000m (2) 主要技术参数 |
|||||||
|
LXJ7系列接近开关主要技术参数 |
|||||||
|
型 号 |
作用距离 /mm |
复位行程差 /mm |
额定工作电压 /V |
输出能力 |
重复精度 /mm |
开关压降(AC) /V |
|
|
长期/mA |
瞬时 (t≤20ms) |
||||||
|
LXJ7-10 LXJ7-15 LXJ7-20 |
10±2.5 15±2.5 20±2.5 |
≤0.2 ≤0.3 ≤0.4 |
AC 100~250 |
30~200 |
1A |
0.5 |
≤9 |
|
注:生产厂为沈阳二一三电器有限责任公司。 (3) 型号含义
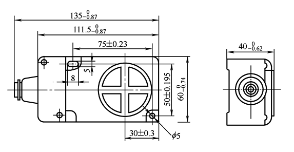
(4) 外形及安装尺寸(见图)
|
|||||||


