|
LXZ1系列精密组合行程开关 |
|||||||||||||
|
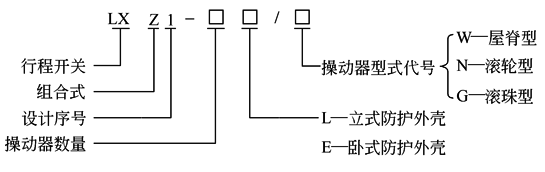
(1) 用途及特点 LXZ1系列精密组合行程开关适用于交流50Hz或60Hz、额定电压至220V及直流额定电压至220V的控制电路中,作为控制、限位、定位、信号及程序转换之用。本系列组合行程开关具有较高的重复定位精度 本系列行程开关由防护外壳、操动器及触头元件组成。防护外壳由铝合金压铸而成,具有较高的机械强度和刚度,能对壳内的触头元件起良好的保护作用,安装方便,密封性较好。其触头元件是一个双断点的微动开关,其动作灵活,转换速度快 (2) 型号及含义
(3) 主要技术参数 |
|||||||||||||
|
表1 LXZ1系列行程开关主要技术参数 |
|||||||||||||
|
型号 |
额定绝 缘电压 /V |
AC-11时额定 工作电流/A |
DC-11时额定 工作电流/A |
重复精度 /mm |
操作频率 /次·h-1 |
机械寿命 /万次 |
电寿命/万次 |
防护 等级 |
|||||
|
24V |
110V |
220V |
24V |
110V |
220V |
AC |
DC |
||||||
|
LXZ1-02L |
220 |
3 |
1.4 |
0.7 |
0.5 |
0.14 |
0.07 |
精密型不大于0.005,普通型不大于0.02 |
1200 |
1000 |
200 |
60 |
IP65 |
|
LXZ1-03L |
|||||||||||||
|
LXZ1-04L |
|||||||||||||
|
LXZ1-05L |
|||||||||||||
|
LXZ1-06L |
|||||||||||||
|
LXZ1-08L |
|||||||||||||
|
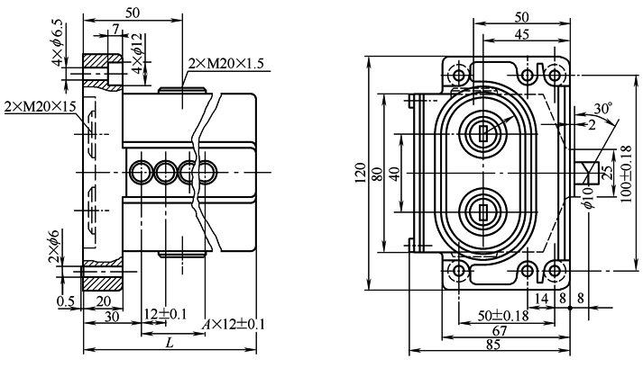
注:生产厂为北京第一机床电器厂。 (4) 外形及安装尺寸 LXZ1系列行程开关外形及安装尺寸见下图和表2
|
|||||||||||||
|
表2 LXZ1系列行程开关外形及安装尺寸 |
|||||||
|
型 号 |
LXZ1-02L |
LXZ1-03L |
LXZ1-04L |
LXZ1-05L |
LX1-06L |
LX1-08L |
|
|
外形及安装 尺寸/mm |
A |
1 |
2 |
3 |
4 |
5 |
6 |
|
L |
68 |
80 |
92 |
104 |
116 |
140 |
|
|
(5) 工作条件 环境温度-5~40℃;相对湿度40℃时不超过50%,25℃时不超过90%;海拔不超过2000m。 |
|||||||


