|
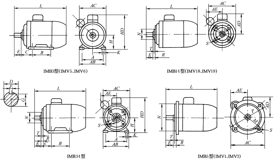
YS、YU、YY系列电动机安装尺寸及外形尺寸 |
|||||||||||||||||||||||||||||
|
mm |
|||||||||||||||||||||||||||||
|
机 座 号 |
安装尺寸 |
安装尺寸 |
外形尺寸(不大于) |
||||||||||||||||||||||||||
|
IMB34、IMB14 |
IMB5 |
IMB3、IMB34、IMB14 |
IMB5 |
||||||||||||||||||||||||||
|
A |
B |
C |
D |
E |
F |
G |
H |
K |
M |
N |
P |
R |
S |
T |
M |
N |
P |
R |
S |
T |
AB |
AC |
AD |
HD |
L |
AC |
AD |
L |
|
|
45 |
71 |
56 |
28 |
9 |
20 |
3 |
7.2 |
45 |
4.8 |
45 |
32 |
60 |
0 |
M5 |
2.5 |
|
|
|
|
|
|
90 |
100 |
90 |
115 |
150 |
|
|
|
|
50 |
80 |
63 |
32 |
9 |
20 |
3 |
7.2 |
50 |
5.8 |
55 |
40 |
70 |
0 |
M5 |
2.5 |
|
|
|
|
|
|
100 |
110 |
100 |
125 |
155 |
|
|
|
|
56 |
90 |
71 |
36 |
9 |
20 |
3 |
7.2 |
56 |
5.8 |
65 |
50 |
80 |
0 |
M5 |
2.5 |
|
|
|
|
|
|
115 |
120 |
110 |
135 |
170 |
|
|
|
|
63 |
100 |
80 |
40 |
11 |
23 |
4 |
8.5 |
63 |
7 |
75 |
60 |
90 |
0 |
M5 |
2.5 |
115 |
95 |
140 |
0 |
10 |
3.0 |
130 |
130 |
125 |
165 |
230 |
130 |
125 |
250 |
|
71 |
112 |
90 |
45 |
14 |
30 |
5 |
11 |
71 |
7 |
85 |
70 |
105 |
0 |
M6 |
2.5 |
130 |
110 |
160 |
0 |
10 |
3.5 |
145 |
145 |
140 |
180 |
255 |
145 |
140 |
275 |
|
80 |
125 |
100 |
50 |
19 |
40 |
6 |
15.5 |
80 |
10 |
100 |
80 |
120 |
0 |
M6 |
3.0 |
165 |
130 |
200 |
0 |
12 |
3.5 |
160 |
165 |
150 |
200 |
295 |
165 |
150 |
300 |
|
90S |
140 |
125 |
56 |
24 |
50 |
8 |
20 |
90 |
10 |
115 |
95 |
140 |
0 |
M8 |
3.0 |
165 |
130 |
200 |
0 |
12 |
3.5 |
180 |
185 |
160 |
220 |
310 |
185 |
160 |
335 |
|
90L |
335 |
360 |
|||||||||||||||||||||||||||
|
注:YU系列为63~90的机座号。 |
|||||||||||||||||||||||||||||

