|
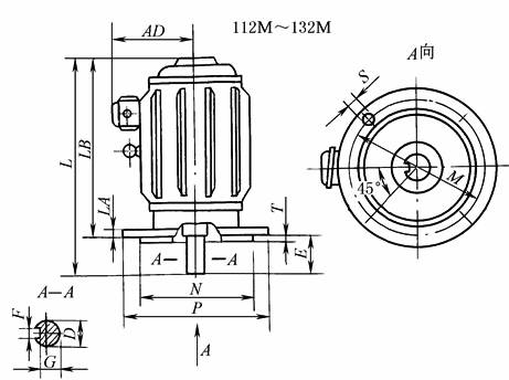
立式安装、机座不带底脚、端盖有凸缘、轴伸向下的安装尺寸及外形尺寸(安装型式 IM3011、3013) |
||||||||||||||||||||||
|
mm |
||||||||||||||||||||||
|
型 号 |
安 装 尺 寸 |
外 形 尺 寸 |
||||||||||||||||||||
|
凸缘号 |
D |
D1 |
E |
E1 |
F |
G |
M |
N (j6) |
P |
R |
S |
螺栓 直径 |
T |
孔数 |
AD |
LA |
L |
LB |
D2 |
|||
|
YZ |
YZR |
YZ |
YZR |
|||||||||||||||||||
|
YZ112M、YZR112M |
FF215 |
32k6 |
|
80 |
|
10 |
27 |
215 |
180 |
250 |
0±2 |
15 |
M12 |
4 |
4 |
220 |
14 |
430 |
595 |
350 |
515 |
M30×2 |
|
YZ132M、YZR132M |
FF265 |
38k6 |
33 |
265 |
230 |
300 |
230 |
495 |
645 |
415 |
565 |
|||||||||||
|
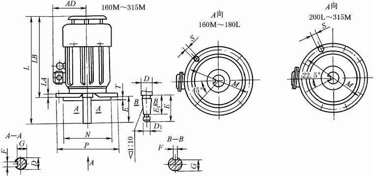
YZ160M、YZR160M |
FF300 |
48k6 |
110 |
14 |
42.5 |
300 |
250 |
350 |
0±3 |
19 |
M16 |
5 |
260 |
18 |
700 |
828 |
590 |
718 |
M36×2 |
|||
|
YZ160L、YZR160L |
743 |
872 |
633 |
762 |
||||||||||||||||||
|
YZ180L、YZR180L |
55 |
M36×3 |
19.9 |
280 |
735 |
915 |
625 |
805 |
||||||||||||||
|
YZ200L、YZR200L |
FF400 |
60 |
M42×3 |
140 |
82 |
16 |
21.4 |
400 |
350 |
450 |
8 |
320 |
20 |
855 |
1050 |
715 |
910 |
M48×2 |
||||
|
YZ225M、YZR225M |
65 |
105 |
23.9 |
0±4 |
915 |
1110 |
775 |
970 |
||||||||||||||
|
YZ250M、YZR250M |
FF500 |
70 |
M48×3 |
18 |
25.4 |
500 |
450 |
550 |
355 |
22 |
1005 |
1266 |
865 |
1126 |
||||||||
|
YZR280S |
85 |
M56×4 |
170 |
130 |
20 |
31.7 |
385 |
|
1370 |
|
1200 |
M64×2 |
||||||||||
|
YZR280M |
1420 |
1250 |
||||||||||||||||||||
|
YZR315S |
FF600 |
95 |
M64×4 |
22 |
35.2 |
600 |
550 |
660 |
24 |
M20 |
6 |
435 |
25 |
1475 |
1305 |
|||||||
|
YZR315M |
1525 |
1355 |
||||||||||||||||||||
|
注:R为凸缘配合面至轴伸肩的距离,D2为定、转子接线口尺寸。 |
||||||||||||||||||||||


