|
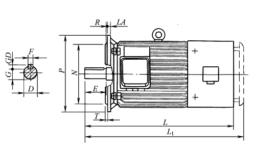
机座无底脚、端盖带凸缘的外形及安装尺寸 mm |
||||||||||||||||
|
V1(机座号80~355) V3(机座号80~160) B5(机座号80~225) |
||||||||||||||||
|
机座号 |
安装尺寸 |
外形尺寸 |
||||||||||||||
|
D |
E |
F×GD |
G |
T |
M |
N |
P |
R |
S |
AC |
AD |
LA |
HE |
L |
L1 |
|
|
90S |
|
50 |
8×7 |
20 |
3.5 |
165 |
|
200 |
0 |
4×f 12 |
175 |
155 |
12 |
— |
400 |
— |
|
90L |
430 |
|||||||||||||||
|
100L |
|
60 |
24 |
4 |
215 |
|
250 |
4×f 15 |
205 |
180 |
14 |
465 |
||||
|
112M |
230 |
190 |
490 |
|||||||||||||
|
132S |
|
80 |
10×8 |
33 |
265 |
|
300 |
270 |
210 |
525 |
||||||
|
132M |
575 |
|||||||||||||||
|
160M |
|
110 |
12×8 |
37 |
5 |
300 |
|
350 |
4×f 19 |
325 |
255 |
16 |
645 |
|||
|
160L |
690 |
|||||||||||||||
|
180M |
|
14×9 |
42.5 |
360 |
285 |
18 |
500 |
810 |
870 |
|||||||
|
180L |
850 |
910 |
||||||||||||||
|
200L |
|
16×10 |
49 |
350 |
300±0.016 |
400 |
400 |
310 |
550 |
890 |
965 |
|||||
|
225S |
|
140 |
18×11 |
53 |
400 |
350±0.018 |
450 |
8×f 19 |
450 |
345 |
20 |
610 |
930 |
1020 |
||
|
225M |
970 |
1060 |
||||||||||||||
|
250M |
|
58 |
500 |
450±0.02 |
550 |
495 |
385 |
22 |
650 |
1050 |
1170 |
|||||
|
280S |
|
20×12 |
67.5 |
555 |
410 |
720 |
1100 |
1220 |
||||||||
|
280M |
1180 |
1300 |
||||||||||||||
|
315S |
|
170 |
22×14 |
71 |
6 |
600 |
550±0.022 |
660 |
8×f 24 |
645 |
460 |
25 |
900 |
1300 |
1450 |
|
|
315M |
1350 |
1500 |
||||||||||||||
|
315L |
1450 |
1600 |
||||||||||||||
|
355M |
|
25×14 |
86 |
740 |
680±0.025 |
800 |
750 |
680 |
28 |
1035 |
1650 |
1850 |
||||
|
355L |
1750 |
1950 |
||||||||||||||


