|
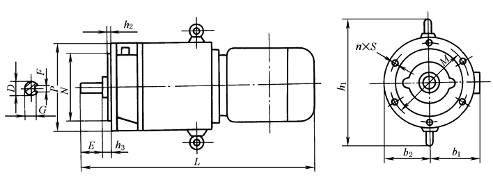
立式安装尺寸及外形尺寸(JB/T 7123—1993) mm |
||||||||||||||||||
|
|
||||||||||||||||||
|
型 号 |
安 装 尺 寸 |
外形尺寸 |
安装型式 |
|||||||||||||||
|
D |
E |
F |
G |
M |
N |
P |
h2 |
h3 |
S |
b |
b1 |
b2 |
h1 |
L |
V1 |
V3 |
B5 |
|
|
TCTL112-4A |
|
40±0.31 |
|
|
215 |
|
f 250 |
4 |
0 |
|
6 |
150 |
112 |
320 |
540 |
|
|
|
|
TCTL112-4B |
||||||||||||||||||
|
TCTL132-4A |
|
50±0.31 |
|
|
5±1.5 |
158 |
132 |
390 |
570 |
|||||||||
|
TCTL132-4B |
595 |
|||||||||||||||||
|
TCTL160-4A |
|
60±0.37 |
|
265 |
|
f 300 |
5 |
8±1.5 |
185 |
160 |
425 |
645 |
||||||
|
TCTL160-4B |
665 |
|||||||||||||||||
|
TCTL180-4A |
300 |
|
f 350 |
188 |
180 |
480 |
685 |
|||||||||||
|
TCTL200-4A |
|
80±0.37 |
|
|
|
230 |
200 |
530 |
805 |
|||||||||
|
TCTL200-4B |
845 |
|||||||||||||||||
|
TCTL225-4A |
|
110±0.43 |
|
|
350 |
f 300±0.018 |
f 400 |
8 |
255 |
225 |
610 |
965 |
||||||
|
TCTL225-4B |
1010 |
|||||||||||||||||
|
TCTL250-4A |
|
|
|
450 |
f 400±0.018 |
f 500 |
285 |
250 |
670 |
1130 |
||||||||
|
TCTL250-4B |
1170 |
|||||||||||||||||
|
TCTL280-4A |
|
|
|
6 |
320 |
280 |
730 |
1260 |
||||||||||
|
TCTL280-4B |
||||||||||||||||||
|
TCTL315-4A |
|
140±0.45 |
|
|
500 |
f 450±0.02 |
f 550 |
345 |
315 |
815 |
1400 |
|||||||
|
TCTL315-4B |
1425 |
|||||||||||||||||
|
TCTL355-4A |
|
|
|
740 |
f 680±0.025 |
f 800 |
|
385 |
355 |
1030 |
1500 |
|||||||
|
TCTL355-4B |
|
|
410 |
1630 |
||||||||||||||
|
TCTL355-4C |
1660 |
|||||||||||||||||

