|
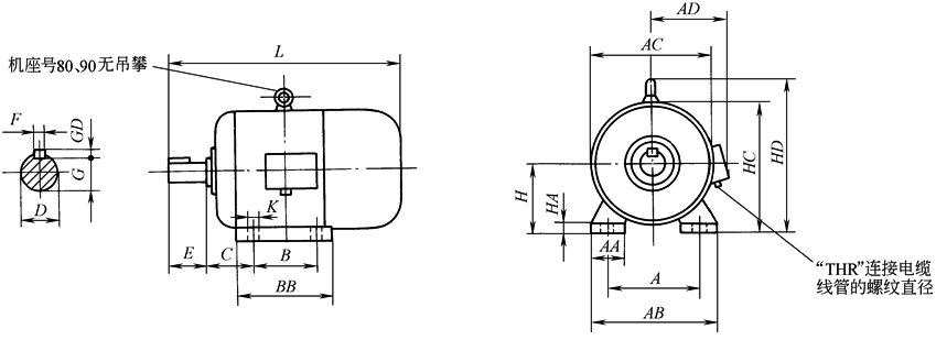
B3外形及安装尺寸(JB/T 6456—1992) mm |
||||||||||||||||||||||||||
|
|
||||||||||||||||||||||||||
|
机 座 号 |
安 装 尺 寸 |
外 形 尺 寸 |
THR |
|||||||||||||||||||||||
|
H |
A |
B |
C |
D |
E |
F |
G |
GD |
K |
AA |
AB |
BB |
AC |
AD |
HA |
HC |
HD |
L |
||||||||
|
2极 |
4、6 、8极 |
2极 |
4、6 、8极 |
2极 |
4、6 、8极 |
2极 |
4、6 、8极 |
2极 |
4、6 、8极 |
2极 |
4、6 、8极 |
|||||||||||||||
|
80 |
|
125 |
100 |
50 |
|
40 |
6 |
15.5 |
6 |
10 |
37 |
165 |
135 |
170 |
150 |
13 |
170 |
— |
375 |
M24×1.5-6H |
||||||
|
90S |
|
140 |
100 |
56 |
|
50 |
8 |
20 |
7 |
10 |
37 |
180 |
150 |
180 |
155 |
13 |
190 |
— |
410 |
M24×1.5-6H |
||||||
|
90L |
|
140 |
125 |
56 |
|
50 |
8 |
20 |
7 |
10 |
37 |
180 |
170 |
180 |
155 |
13 |
190 |
— |
425 |
M24×1.5-6H |
||||||
|
100L |
|
160 |
140 |
63 |
|
60 |
8 |
24 |
7 |
12 |
42 |
205 |
185 |
210 |
180 |
15 |
— |
245 |
465 |
M30×2-6H |
||||||
|
112M |
|
190 |
140 |
70 |
|
60 |
8 |
24 |
7 |
12 |
52 |
245 |
195 |
230 |
180 |
17 |
— |
265 |
495 |
M30×2-6H |
||||||
|
132S |
|
216 |
140 |
89 |
|
80 |
10 |
33 |
8 |
12 |
57 |
280 |
210 |
270 |
210 |
20 |
— |
315 |
575 |
M30×2-6H |
||||||
|
132M |
|
216 |
178 |
89 |
|
80 |
10 |
33 |
8 |
12 |
57 |
280 |
248 |
270 |
210 |
20 |
— |
315 |
615 |
M30×2-6H |
||||||
|
160M |
|
254 |
210 |
108 |
|
110 |
12 |
37 |
8 |
15 |
63 |
325 |
275 |
330 |
255 |
22 |
— |
385 |
715 |
M36×2-6H |
||||||
|
160L |
|
254 |
254 |
108 |
|
110 |
12 |
37 |
8 |
15 |
63 |
325 |
320 |
330 |
255 |
22 |
— |
385 |
760 |
M36×2-6H |
||||||
|
180M |
|
279 |
241 |
121 |
|
110 |
14 |
42.5 |
9 |
15 |
73 |
355 |
332 |
360 |
285 |
24 |
— |
430 |
815 |
M36×2-6H |
||||||
|
180L |
|
279 |
279 |
121 |
|
110 |
14 |
42.5 |
9 |
15 |
73 |
355 |
370 |
360 |
285 |
24 |
— |
430 |
865 |
M36×2-6H |
||||||
|
200L |
|
318 |
305 |
133 |
|
110 |
16 |
49 |
10 |
19 |
73 |
395 |
378 |
400 |
310 |
27 |
— |
475 |
900 |
M48×2-6H |
||||||
|
225S |
|
356 |
286 |
149 |
— |
|
— |
140 |
— |
18 |
— |
53 |
— |
11 |
19 |
83 |
435 |
382 |
450 |
345 |
27 |
— |
530 |
950 |
M48×2-6H |
|
|
225M |
|
356 |
311 |
149 |
|
|
110 |
140 |
16 |
18 |
49 |
53 |
10 |
11 |
19 |
83 |
435 |
407 |
450 |
345 |
27 |
— |
530 |
990 |
1050 |
M48×2-6H |

