|
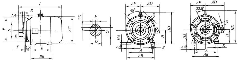
B35外形及安装尺寸 mm |
||||||||||||||||||||||||||||||||||
|
|
||||||||||||||||||||||||||||||||||
|
机座号 |
安 装 尺 寸 |
|||||||||||||||||||||||||||||||||
|
H |
A |
B |
C1 |
D |
E |
F×GD |
G |
K |
T |
M |
N |
P |
R |
S |
||||||||||||||||||||
|
2极 |
4、6、 8极 |
2极 |
4、6、 8极 |
2极 |
4、6、 8极 |
2极 |
4、6、 8极 |
|||||||||||||||||||||||||||
|
100L |
100 |
160 |
140 |
63 |
28 |
60 |
8×7 |
24 |
f 12 |
4 |
215 |
180 |
250 |
0 |
4×f 15 |
|||||||||||||||||||
|
112M |
112 |
190 |
140 |
70 |
28 |
60 |
8×7 |
24 |
f 12 |
4 |
215 |
180 |
250 |
0 |
4×f 15 |
|||||||||||||||||||
|
132S |
132 |
216 |
140 |
89 |
38 |
80 |
10×8 |
33 |
f 12 |
4 |
265 |
230 |
300 |
0 |
4×f 15 |
|||||||||||||||||||
|
132M |
132 |
216 |
178 |
89 |
38 |
80 |
10×8 |
33 |
f 12 |
4 |
265 |
230 |
300 |
0 |
4×f 15 |
|||||||||||||||||||
|
160M |
160 |
254 |
210 |
108 |
42 |
110 |
12×8 |
37 |
f 15 |
5 |
300 |
250 |
350 |
0 |
4×f 19 |
|||||||||||||||||||
|
160L |
160 |
254 |
254 |
108 |
42 |
110 |
12×8 |
37 |
f 15 |
5 |
300 |
250 |
350 |
0 |
4×f 19 |
|||||||||||||||||||
|
180M |
180 |
279 |
241 |
121 |
48 |
110 |
14×9 |
42.5 |
f 15 |
5 |
300 |
250 |
350 |
0 |
4×f 19 |
|||||||||||||||||||
|
180L |
180 |
279 |
279 |
121 |
48 |
110 |
14×9 |
42.5 |
f 15 |
5 |
300 |
250 |
350 |
0 |
4×f 19 |
|||||||||||||||||||
|
200L |
200 |
318 |
305 |
133 |
55 |
110 |
16×10 |
49 |
f 19 |
5 |
350 |
300 |
400 |
0 |
4×f 19 |
|||||||||||||||||||
|
225S |
225 |
356 |
286 |
149 |
— |
60 |
— |
140 |
— |
18×11 |
— |
53 |
f 19 |
5 |
400 |
350 |
450 |
0 |
8×f 19 |
|||||||||||||||
|
225M |
225 |
356 |
311 |
149 |
55 |
60 |
110 |
140 |
16×10 |
18×11 |
49 |
53 |
f 19 |
5 |
400 |
350 |
450 |
0 |
8×f 19 |
|||||||||||||||
|
250M |
250 |
406 |
349 |
168 |
60 |
65 |
140 |
18×11 |
18×11 |
53 |
58 |
f 24 |
5 |
500 |
450 |
550 |
0 |
8×f 19 |
||||||||||||||||
|
280S |
280 |
457 |
368 |
190 |
65 |
75 |
140 |
18×11 |
20×12 |
58 |
67.5 |
f 24 |
5 |
500 |
450 |
550 |
0 |
8×f 19 |
||||||||||||||||
|
280M |
280 |
457 |
419 |
190 |
65 |
75 |
140 |
18×11 |
20×12 |
58 |
67.5 |
f 24 |
5 |
500 |
450 |
550 |
0 |
8×f 19 |
||||||||||||||||
|
机座号 |
外形尺寸 |
制造范围 |
||||||||||||||||||||||||||||||||
|
AB |
AD |
AF |
HD |
AA |
BB |
HA |
AC |
LA |
L |
B35 |
V15 V36 |
|||||||||||||||||||||||
|
2极 |
4极 |
6极 |
2极 |
4极 |
6极 |
|||||||||||||||||||||||||||||
|
100L |
205 |
180 |
130 |
245 |
40 |
176 |
176 |
176 |
14 |
205 |
14 |
380 |
405 |
380 |
|
|
||||||||||||||||||
|
112M |
245 |
190 |
130 |
265 |
50 |
250 |
210 |
180 |
15 |
230 |
14 |
430 |
430 |
400 |
||||||||||||||||||||
|
132S |
280 |
210 |
155 |
315 |
60 |
200 |
200 |
200 |
18 |
270 |
14 |
515 |
475 |
475 |
||||||||||||||||||||
|
132M |
280 |
210 |
155 |
315 |
60 |
— |
238 |
238 |
18 |
270 |
14 |
— |
515 |
515 |
||||||||||||||||||||
|
160M |
330 |
260 |
180 |
385 |
70 |
314 |
270 |
270 |
20 |
325 |
16 |
645 |
600 |
600 |
||||||||||||||||||||
|
160L |
330 |
260 |
180 |
385 |
70 |
314 |
314 |
314 |
20 |
325 |
16 |
665 |
645 |
645 |
||||||||||||||||||||
|
180M |
355 |
285 |
180 |
430 |
70 |
349 |
311 |
— |
22 |
360 |
18 |
710 |
670 |
— |
||||||||||||||||||||
|
180L |
355 |
285 |
180 |
430 |
70 |
— |
349 |
349 |
22 |
360 |
18 |
— |
710 |
710 |
||||||||||||||||||||
|
200L |
395 |
310 |
205 |
475 |
70 |
379 |
379 |
379 |
25 |
400 |
18 |
775 |
775 |
775 |
||||||||||||||||||||
|
225S |
435 |
345 |
225 |
530 |
75 |
— |
368 |
— |
28 |
450 |
20 |
— |
820 |
— |
||||||||||||||||||||
|
225M |
435 |
345 |
225 |
530 |
75 |
393 |
393 |
393 |
28 |
450 |
20 |
815 |
845 |
845 |
||||||||||||||||||||
|
250M |
490 |
385 |
250 |
575 |
80 |
455 |
455 |
455 |
30 |
495 |
22 |
930 |
930 |
930 |
||||||||||||||||||||
|
280S |
550 |
410 |
280 |
640 |
85 |
530 |
530 |
530 |
35 |
555 |
22 |
1000 |
1000 |
1000 |
||||||||||||||||||||
|
280M |
550 |
410 |
280 |
640 |
85 |
581 |
581 |
581 |
35 |
555 |
22 |
1050 |
1050 |
1050 |
||||||||||||||||||||
|
注:R为凸缘配合面至轴伸肩的距离。 |
||||||||||||||||||||||||||||||||||

