|
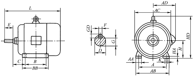
B3外形及安装尺寸 mm |
||||||||||||||||||||||||||
|
|
||||||||||||||||||||||||||
|
机座号 |
安 装 尺 寸 |
|||||||||||||||||||||||||
|
H |
A |
B |
C |
D |
E |
F×GD |
G |
K |
||||||||||||||||||
|
2极 |
4、6极 |
2极 |
4、6极 |
2极 |
4、6极 |
2极 |
4、6极 |
|||||||||||||||||||
|
100L |
|
160 |
140 |
63 |
28 |
60 |
8×7 |
24 |
12 |
|||||||||||||||||
|
112M |
|
190 |
140 |
70 |
12 |
|||||||||||||||||||||
|
132S |
|
216 |
140 |
89 |
38 |
80 |
10×8 |
33 |
12 |
|||||||||||||||||
|
132M |
|
216 |
178 |
89 |
12 |
|||||||||||||||||||||
|
160M |
|
254 |
210 |
108 |
42 |
110 |
12×8 |
37 |
15 |
|||||||||||||||||
|
160L |
|
254 |
254 |
108 |
15 |
|||||||||||||||||||||
|
180M |
180 |
279 |
241 |
121 |
48 55 |
14×9 16×10 |
42.5 49 |
15 |
||||||||||||||||||
|
180L |
180 |
279 |
279 |
121 |
15 |
|||||||||||||||||||||
|
200L |
200 |
318 |
305 |
133 |
19 |
|||||||||||||||||||||
|
225S |
225 |
356 |
286 |
149 |
55 |
60 |
110 |
140 |
16×10 |
18×11 |
49 |
53 |
19 |
|||||||||||||
|
225M |
225 |
356 |
311 |
149 |
19 |
|||||||||||||||||||||
|
250M |
250 |
406 |
349 |
168 |
60 |
65 |
140 |
18×11 |
53 |
58 |
24 |
|||||||||||||||
|
280S |
280 |
457 |
368 |
190 |
65 |
75 |
18×11 |
20×12 |
58 |
67.5 |
24 |
|||||||||||||||
|
280M |
280 |
457 |
419 |
190 |
24 |
|||||||||||||||||||||
|
机座号 |
外 形 尺 寸 |
制 造 范 围 |
||||||||||||||||||||||||
|
AB |
AC |
AD |
BB |
HD |
L |
AA |
HA |
B3 |
B6、B7、B8、 V5、V6 |
|||||||||||||||||
|
2极 |
4极 |
6极 |
2极 |
4极 |
6极 |
|||||||||||||||||||||
|
100L |
205 |
210 |
180 |
176 |
176 |
176 |
245 |
380 |
405 |
380 |
40 |
14 |
|
|
||||||||||||
|
112M |
245 |
230 |
190 |
210 |
210 |
180 |
265 |
430 |
430 |
4 00 |
50 |
15 |
||||||||||||||
|
132S |
280 |
270 |
210 |
S1 200 S2 238 |
200 |
200 |
315 |
515 |
475 |
475 |
60 |
18 |
||||||||||||||
|
132M |
280 |
270 |
210 |
— |
238 |
238 |
315 |
— |
515 |
515 |
60 |
18 |
||||||||||||||
|
160M |
330 |
330 |
260 |
314 |
270 |
270 |
385 |
645 |
600 |
600 |
70 |
20 |
||||||||||||||
|
160L |
330 |
330 |
260 |
339 |
314 |
314 |
385 |
665 |
645 |
645 |
70 |
20 |
||||||||||||||
|
180M |
355 |
360 |
285 |
349 |
311 |
— |
430 |
710 |
670 |
— |
70 |
22 |
||||||||||||||
|
180L |
355 |
360 |
285 |
— |
349 |
349 |
430 |
— |
710 |
710 |
70 |
22 |
||||||||||||||
|
200L |
395 |
400 |
310 |
379 |
379 |
379 |
475 |
775 |
775 |
775 |
70 |
25 |
||||||||||||||
|
225S |
435 |
450 |
345 |
— |
368 |
— |
530 |
— |
820 |
— |
75 |
28 |
||||||||||||||
|
225M |
435 |
450 |
345 |
393 |
393 |
393 |
530 |
815 |
845 |
845 |
75 |
28 |
||||||||||||||
|
250M |
490 |
495 |
385 |
455 |
455 |
455 |
575 |
930 |
930 |
930 |
80 |
30 |
||||||||||||||
|
280S |
550 |
555 |
410 |
530 |
530 |
530 |
640 |
1000 |
1000 |
1000 |
85 |
35 |
||||||||||||||
|
280M |
550 |
555 |
410 |
581 |
581 |
581 |
640 |
1050 |
1050 |
1050 |
85 |
35 |
||||||||||||||

