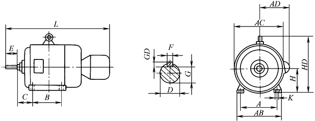
机座带底脚、端盖上无凸缘的安装及外形尺寸(B3)(JB/T 7119—2010) mm | ||||||||||||||
| ||||||||||||||
机座号 | 安 装 尺 寸 | 外 形 尺 寸 | ||||||||||||
A | B | C | D | E | F×GD (键高) | G | H | K | AB | AC | AD | HD | L | |
132M | 216 | 178 | 89 | 38 | 80 | 10×8 | 33 | 132 | 12 | 280 | 280 | 210 | 315 | 745 |
160M | 254 | 210 | 108 | 42 | 110 | 12×8 | 37 | 160 | 15 | 330 | 335 | 255 | 385 | 820 |
160L | 254 | 865 | ||||||||||||
180L | 279 | 279 | 121 | 48 | 14×9 | 42.5 | 180 | 355 | 375 | 285 | 430 | 920 | ||
200L | 318 | 305 | 133 | 55 | 16×10 | 49 | 200 | 19 | 395 | 425 | 310 | 475 | 1045 | |
225M | 356 | 311 | 149 | 60 | 140 | 18×11 | 53 | 225 | 435 | 470 | 345 | 530 | 1115 | |
250M | 406 | 349 | 168 | 65 | 58 | 250 | 24 | 490 | 515 | 385 | 575 | 1260 | ||
280S | 457 | 368 | 190 | 75 | 20×12 | 67.5 | 280 | 550 | 575 | 410 | 640 | 1355 | ||
280M | 419 | 1405 | ||||||||||||
315S | 508 | 406 | 216 | 80 | 170 | 22×14 | 71 | 315 | 28 | 744 | 645 | 576 | 865 | 1500 |
315M | 457 | 1600 | ||||||||||||
注:1.G=D-GE,GE的极限偏差为( 2.轴伸键的尺寸与公差符合GB/T 1096的规定。 | ||||||||||||||

